Home
JAQForum Ver 24.01
Log In or Join  
Active Topics
Local Time 08:47 22 Apr 2026 Privacy Policy
Jump to

Notice. New forum software under development. It's going to miss a few functions and look a bit ugly for a while, but I'm working on it full time now as the old forum was too unstable. Couple days, all good. If you notice any issues, please contact me.

Forum Index : Solar : Build a 60 Amp PWM Boost Charger

     Page 1 of 2    
Author Message
Solar Mike
Guru

Joined: 08/02/2015
Location: New Zealand
Posts: 1203
Posted: 01:15pm 03 Aug 2019
Copy link to clipboard 
Print this post

Our temporary 24v off grid installation is not getting enough PV input during the winter, so have decided to throw up another KW of panels to cut down usage of the generator.

Trouble is the small 24v lead carbon battery bank can only accept 60 amps continuous charge, when the sun is shining we already get the 60 amps, so any extra PV has to be managed to limit the total charge current. 80% of the time the existing array wont supply this amount unless its very sunny, so the extra panels should make up the balance limited to a 60 amp total input from both arrays.

So I need an additional charge controller that can sense the battery charge current using the existing 75mv @150A current shunt that is already in circuit for existing metering. A PWM controller seems the easiest solution, using a Picaxe or similar as the cpu, it wont have any displays other than a charge, fault Leds.

Have opted for a high side mosfet arrangement, with an auto PV isolation switch that isolates the PV from the battery when there is no PWM input. Have just thrown this circuit together, will pickup any errors when designing the PCB.









Circuit.pdf


Preview doesnt show files, hopefully they will display ok, pot luck...

Cheers
Mike
 
Solar Mike
Guru

Joined: 08/02/2015
Location: New Zealand
Posts: 1203
Posted: 09:44am 06 Aug 2019
Copy link to clipboard 
Print this post

With many of my projects there is potentially lots of duplicated similar circuitry, items like Low Pass noise filters I now use a small plug in pcb module; similarly the above PWM charge controller requires a remote sense direct to the battery terminals and the remote current shunt. Most of the other controllers like the 3Kw MPPT also require remote sensing, passing high currents through even 50mm^2 charger cables cause incorrect voltage readings at the charger end.

Generally one connects remote sensing by a twisted pair (perhaps Shielded) cable, if the sense circuitry is a true high impedance differential amplifier (Instrumentation Amp) then a lot of the common mode noise can be greatly reduced and voltage drops caused by cables and various inline fusesreakers eliminated.

Here is the circuit for an instrumentation DC amp, runs off 5v, currently set for a gain of 41. This fits on to a 40x30mm pcb with a 5 pin rt angle pin connector.

Note untested design.






I will use two of these modules in the PWM controller, if the remote sense has a voltage on it then the controller will take that as preference over the normal input.

Cheers
Mike
 
Ralph2k6

Senior Member

Joined: 24/09/2017
Location: Australia
Posts: 129
Posted: 11:47pm 06 Aug 2019
Copy link to clipboard 
Print this post

Nice looking circuit there Mike.
I recently breadboarded an MCP6004 op amp for amplifying voltage from some CT's yet when I made it with vero board, it all went pear shaped, that project has been on the backburner for a while now.
I'll keep an eye out for when/if you have some of these op amp boards made.
(If you're confident of the design I'd pay for a few blank pcbs ).
Ralph
 
Solar Mike
Guru

Joined: 08/02/2015
Location: New Zealand
Posts: 1203
Posted: 12:54am 07 Aug 2019
Copy link to clipboard 
Print this post

That circuit will only work for DC voltages greater than 0v, you cannot use it for AC inputs that go below 0v potential, to do so would require modification to add a 2.5v reference voltage to the input, making the 0v point = 2.5v; this would then allow the output to swing +- about the 2.5v reference.

For my CT current measurement, I was using a precision true rectifier using a couple of op amps feeding a low pass filter so only DC remained.

Cheers
Mike
 
Ralph2k6

Senior Member

Joined: 24/09/2017
Location: Australia
Posts: 129
Posted: 10:23am 08 Aug 2019
Copy link to clipboard 
Print this post

Fair enough Mike.

My circuit was a bit of a mess about with the ct providing 330mV at full scale deflection, so i was happy to just amplify one side of the sine wave or consider using a dc bias. (Blocking diode would kill the entire input signal)

Not been back to that project for a while now, recently changed jobs, never enough time for hobbies!
Ralph
 
Solar Mike
Guru

Joined: 08/02/2015
Location: New Zealand
Posts: 1203
Posted: 08:13am 09 Aug 2019
Copy link to clipboard 
Print this post

  Ralph2k6 said   ...Not been back to that project for a while now, recently changed jobs, never enough time for hobbies!

For me, not enough time and too many projects on the go at the same time....


Back to the PWM controller:
Now that I have started laying out the PCB, things get changed a bit; am using 10x2mm copper strips on the main conductor tracks to increase current capability, available really cheap on AliExpress. This gives a conservative track rating of 80 amps + the copper on the pcb, say 100 amps limit.

Mosfets are cheap, so the design will be changed to allow 100 amps continuous charging; during bulk charge the mosfets are on continuously, thus no switching losses, its only during the constant voltage phase with a tapering charge current that they are pulse width modulated with an ever decreasing duty cycle; then when switched to float the occasional pulse determined by battery bank loading.

To keep total mosfet losses to 20 watts, will need 3 mosfets for the isolator and 3 for the PWM switch, using the 100 volt HY5110W mosfets with 2.5mR on resistance; US$1-20 @.


Calculations for wiring cables to the PV panels, 10m there 10 back using 4mm^2 cable, a 50v battery can have max PV current of 17-18 amps or 4 panels, 2S2P giving a loss of 25 watts (3%) per 4 panel group. NZ regs specify <3% so will just work as not all cables will be 10+10m, some much shorter. If the PV arrays were further away it would be better to go to mppt controller rather than pay for 6mm or bigger cables.


Will post amended circuit here later after completing the pcb.


Cheers
Mike
 
Solar Mike
Guru

Joined: 08/02/2015
Location: New Zealand
Posts: 1203
Posted: 03:15am 10 Aug 2019
Copy link to clipboard 
Print this post

Have been updating the schematic along with the pcb design:




External battery terminal volts and common current shunt are measured with differential amp modules, I will use these modules in all "Charger" type designs from now on as it makes life easier.

Have added a local charging current sense also, so the CPU can measure input power and allow limiting of average charge current. Yet to add battery Temperature sense for accurate voltage setting.

Along with the other Mppt board design, will add a 1-Wire buss comms module, so in multiple charger solutions, one device can assume the role of "Master" and tell the others when to switch to float etc. Also this allows the site management system to get data from the chargers via the buss.


For anyone wanting to build this, a lot of this stuff can be left off, so allowing a basic system.

More to follow...
Cheers
Mike
 
Solar Mike
Guru

Joined: 08/02/2015
Location: New Zealand
Posts: 1203
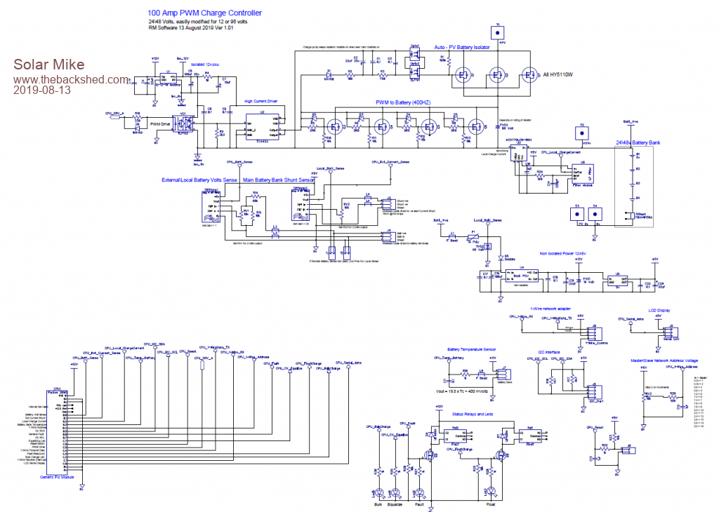
Posted: 10:42am 13 Aug 2019
Copy link to clipboard 
Print this post

Right, pcb 99% done, circuit has a few alterations: Using modular plugin pcb's for things that get repeated a lot in these "Solar & Inverter" type projects, eg filters, differential inputs, network interface and the cpu module. If anyone wants to use a different CPU, shouldn't be too difficult as the pcb pins all well labeled.



Circuit.pdf


PCB next post.
Cheers
Mike
 
Solar Mike
Guru

Joined: 08/02/2015
Location: New Zealand
Posts: 1203
Posted: 12:03pm 14 Aug 2019
Copy link to clipboard 
Print this post

Final board size 222mm x 136mm, Mosfets bolt to alloy plate bottom panel, under the pcb. 10 x 2mm copper bars clamped and soldered to tinned areas.
Not all the mosfets will be possibly mounted, depending on type of device used.







Cheers
Mike
 
Solar Mike
Guru

Joined: 08/02/2015
Location: New Zealand
Posts: 1203
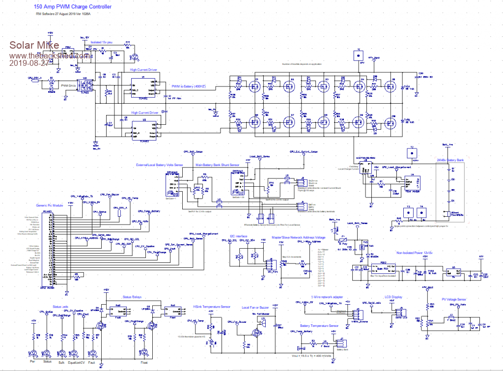
Posted: 01:03am 27 Aug 2019
Copy link to clipboard 
Print this post

I have decided the above pcb has too many soldered connections for reliability at high currents, the smaller 10 x 2mm copper bars take a huge amount of heat to get the solder to flow and causes delamination of the copper foil.
So have re-engineered it to use heavier 15 x 3mm bars and clamped or bolted connections, as a consequence these bars can carry higher currents, so 150 amps or more should be easily achievable.

I wanted to use part of this circuit in a future intelligent high current solid state switch, so have re-designed the PWM Mosfet section in a different configuration for that; now I can cut and paste the pcb to the new switch design at a later stage.

Have allowed more mosfets for higher currents if required, my current application only needs 2 x 3, leaving the other components off. The two heat sinks are used as current carrying bus bars with the mosfets bolted (no insulators), just have to sand the black anodizing off one surface first.
Only the mosfets gates require soldering, the common source connections are clamped to the copper bar between copper washers (4mm bolts), heat dissipation is very low thus the small 1.71K thermal heat sinks  required.

Unfortunately have had to use a bigger cpu, so the pixaxe 28X2 used in a plug in card.








PWM_1026A_Circuit.pdf


Just about to send the gerbers away...

Cheers
Mike
 
Solar Mike
Guru

Joined: 08/02/2015
Location: New Zealand
Posts: 1203
Posted: 04:14am 29 Aug 2019
Copy link to clipboard 
Print this post

Last check, printed layout on paper and checked positioning and size of components, forgot the heat sinks have a top set of fins pointing in towards the center common source copper bar, its not possible to screw up the mosfet bolts, bugger....

Made the pcb a bit longer to allow thick fingers access to the bolts, probably dont need the common source copper bars now, due to the much bigger copper area.






Schematic unchanged, gerbers now away for production.


Cheers
Mike
 
JethTran
Newbie

Joined: 15/06/2021
Location: United States
Posts: 1
Posted: 07:07am 17 Jun 2021
Copy link to clipboard 
Print this post

Hi....It resembles the buck PFC converter is a decent decision for the front end regardless, since it can without much of a stretch stop current draw on the information and it's short out confirmation on the yield. When you have a genuinely decent DC supply with great PF, it is fairly simple to make a lift current controller in the event that you need higher voltage yield. I did that for a consistent momentum driver for 13 high force white LEDs in arrangement, from a 12V battery to about 50V for the LEDs. Around 40 watts with a circuit around 1/2" x 1" x 2.5" that fit into a spotlight.
 
Solar Mike
Guru

Joined: 08/02/2015
Location: New Zealand
Posts: 1203
Posted: 10:45pm 17 Jun 2021
Copy link to clipboard 
Print this post

  JethTran said  Hi....It resembles the buck PFC converter is a decent decision for the front end regardless, since it can without much of a stretch stop current draw on the information and it's short out confirmation on the yield. When you have a genuinely decent DC supply with great PF, it is fairly simple to make a lift current controller in the event that you need higher voltage yield. I did that for a consistent momentum driver for 13 high force white LEDs in arrangement, from a 12V battery to about 50V for the LEDs. Around 40 watts with a circuit around 1/2" x 1" x 2.5" that fit into a spotlight.


Not sure what you are on about there.... A PWM controller is not a PFC converter.
 
Sagheer Ahmad
Newbie

Joined: 09/11/2021
Location: Pakistan
Posts: 2
Posted: 12:13pm 12 Nov 2021
Copy link to clipboard 
Print this post

Hy Mike
i visited your website.
i am very glade if you email me the completer Gerber file number of PWM 1026A circuit i will be very grateful to you.
please send me your Email.
and me Email
Sagheer14377@gmail.com
Best Regard Sagheer Ahmad From Pakistan
 
Warpspeed
Guru

Joined: 09/08/2007
Location: Australia
Posts: 4406
Posted: 09:06pm 12 Nov 2021
Copy link to clipboard 
Print this post

One simple way to really beef up PCB tracks to withstand a very high fault current is to use solder lugs to bolt to a copper or aluminium busbar.
Its also possible to stack two lugs for even higher current.

While a track may carry the design current easily enough, if something does go bang, a momentary fault current multiples higher can curl up your tracks in an instant.



Its possible to put together a mechanical board layout that can survive any number of really serious blow ups (and repairs) with zero damage to the board.
This is the ac bus side of a high voltage PWM bridge inverter.



And this is the dc bus side.
A really big amp solar controller would require a much simpler layout.


Edited 2021-11-13 07:54 by Warpspeed
Cheers,  Tony.
 
Solar Mike
Guru

Joined: 08/02/2015
Location: New Zealand
Posts: 1203
Posted: 10:39pm 12 Nov 2021
Copy link to clipboard 
Print this post

Great piece of design there Warp, clean and elegant layout.

Unfortunately will not pursuing this design any further; decided high current PWM is not the best for batteries and creates a lot of RF hash and noise. MPPT buck topology is better in all respects where high power is required; output current is much easier controlled and voltage ripple minimal.

That said I have a small PWM 20-30 amp max controller using the PI PICO CPU module for low power situations and will be releasing the design soon, followed by a 3 Phase mppt design again using the PICO making use of its high speed PIO to generate the 3 phases running at 100 Khz with 2048 bit pwm resolution.

Cheers
Mike
 
Warpspeed
Guru

Joined: 09/08/2007
Location: Australia
Posts: 4406
Posted: 02:19am 13 Nov 2021
Copy link to clipboard 
Print this post

Anyhow Mike, I thought this might give others here some ideas for laying out a survivable and easily repairable high current PCB design.
Cheers,  Tony.
 
Solar Mike
Guru

Joined: 08/02/2015
Location: New Zealand
Posts: 1203
Posted: 02:34am 13 Nov 2021
Copy link to clipboard 
Print this post

Certainly the Alloy bars can carry huge amounts of current compared to the PCB tracks and are very cost effective and easier to purchase compared to copper bars; how does it go on using them over time, as the surface oxidation that forms is an insulator.

Guess if the bars are polished up and a thin film of jointing compound used prior to clamping up, then all air is excluded and oxidation under the joint doesn't occur.

I have seen alloy bars used in switchboards, but they were all nickel plated.

Cheers
Mike
 
Technophiliac

Regular Member

Joined: 18/12/2020
Location: New Zealand
Posts: 92
Posted: 02:38am 13 Nov 2021
Copy link to clipboard 
Print this post

  Solar Mike said  MPPT buck topology is better in all respects where high power is required; output current is much easier controlled and voltage ripple minimal.


All the MPPT systems I have run seem to pause for periods to review its operational settings (I assume) and then implement them. A solar panel can be turned off with no harm expected, not the case of a wind turbine where an alternative load would be required to be switched in to keep a load controlling blade speed during periods of review / load disconnection. Switching on a dump load or alternative load seem important in that case. But then your intention may just be for solar?
Davo, Wellington. You can have it perfect, on time, and at the best price. Choose any two.
 
Solar Mike
Guru

Joined: 08/02/2015
Location: New Zealand
Posts: 1203
Posted: 03:31am 13 Nov 2021
Copy link to clipboard 
Print this post

  Technophiliac said   ....Switching on a dump load or alternative load seem important in that case. But then your intention may just be for solar?


Quite correct, this design and others is for PV input or some other current limited power source.

Wind turbines require a more constant load independent of any battery charge\load current. This can be easily implemented by using a 2nd PWM charger that is connected to a dummy load like a hot water heater element, the cpu just has to be programmed to monitor the turbine output voltage and when it goes above a set value then progressively higher PWM duty cycle is used to vary the loading into the resistive load. Doesn't need to be complex at all in design, certainly much less so than a battery charger.

The existing turbine battery charger would normally keep the turbines output below the 2nd load controller trip point, except when the batteries get increasingly fully charged or the loads drop off or the wind speed increases; in these conditions the 2nd controller switches in automatically and adds to the overall load on the turbine to keep the output constant and prevent the turbine self destructing with over-speed.

Cheers
Mike
 
     Page 1 of 2    
Print this page
The Back Shed's forum code is written, and hosted, in Australia.
© JAQ Software 2026