Home
JAQForum Ver 24.01
Log In or Join  
Active Topics
Local Time 08:49 22 Apr 2026 Privacy Policy
Jump to

Notice. New forum software under development. It's going to miss a few functions and look a bit ugly for a while, but I'm working on it full time now as the old forum was too unstable. Couple days, all good. If you notice any issues, please contact me.

Forum Index : Solar : PI Pico PWM PV Charge Controller

Author Message
Solar Mike
Guru

Joined: 08/02/2015
Location: New Zealand
Posts: 1203
Posted: 04:44am 13 Nov 2021
Copy link to clipboard 
Print this post

Just arrived a few days ago a 10 pack of Pi Pico RP2040 modules, all my new designs for the higher power PV and Bridge controllers are now going to use these RP2040 modules rather than the Picaxe CPU's. Only $6 each, a bargain really and way cheaper than the Pickaxe's.

The Pickaxe's are proving to be too slow and limited in function for the work I'm now doing, shame because they are great for many things, but have not kept up with technology and rapidly becoming somewhat of a dinosaur.

Here is a medium sized PWM charge controller, suited for charge currents up to 30 odd amps and battery voltages to 100v or so. A snap off led display board can bolt to the front panel along with an optional I2C or SPI LCD display. I will be using a couple of these on some alarm and control batteries as well as the diesel generator starting battery, wont be using any LCD displays.

The PICO ADC implementation is awful, no internal reference other than the very noisy switch mode 3.3v psu input, so I have made provision to use a couple of accurate 3.00 volt references and increased the number of analog inputs to 16; thus enabling me to use multiple 10 turn pots. to setup the various charger voltage settings.

To keep switching noise levels down a star earthing system is used with all higher current 0v returns having their own earth plane and joined at a single point. Cannot justify going to a 4 layer PCB at this stage...

Various Uart and SPI IO are implemented with a 3.3:5v bi-directional converter chip.

Top PCB 150 x 125mm:






Will draw up the schematic.


Cheers
Mike
Edited 2021-11-13 17:26 by Solar Mike
 
Sagheer Ahmad
Newbie

Joined: 09/11/2021
Location: Pakistan
Posts: 2
Posted: 11:27am 15 Nov 2021
Copy link to clipboard 
Print this post

please please send genreted complete gerber file and complete component cvs file
Email
sagheer14377@gmail.com
best regard Sagheer ahmad from Pakistan
 
Solar Mike
Guru

Joined: 08/02/2015
Location: New Zealand
Posts: 1203
Posted: 12:17am 16 Nov 2021
Copy link to clipboard 
Print this post

  Sagheer Ahmad said  please please send genreted complete gerber file and complete component cvs file
Email
sagheer14377@gmail.com
best regard Sagheer ahmad from Pakistan

Good grief, haven't even drawn up the schematic yet and that initial layout WILL change.
 
Solar Mike
Guru

Joined: 08/02/2015
Location: New Zealand
Posts: 1203
Posted: 01:33am 18 Nov 2021
Copy link to clipboard 
Print this post

Schematic:

Pain drawing schematics, does find errors on the pcb though, I prefer to do the pcb first; its changed a bit since the initial design.

Power supplies and main high side mosfets; both mosfets are back to back so effectively isolating the PV array from the battery when turned off, normally with pwm controllers Q1 is replaced with a diode, here the losses are a little lower at approx 10 watts with 30 amps load depending on type of device used.
When the pwm is off, ie at night, the 12v drive psu can also be switched off. A generic DRV-Mosfet output is provided to turn on a fan or relay etc, I will use it to turn off the battery load if the battery voltage drops below some set amount.




Voltage and Current Sensing:

Current sense uses those allegro unidirectional ACS758/770 50U type, ideally they would have a buffer amp\filter on their output, so the longish pcb trace back to the CPU has a very low source impedance, so that's what is done here, the single opamp has extra built in RFI filtering as there is a lot in that area when under PWM mode.




Analog Inputs:

As the Pico only has 3 available ADC inputs, the easiest option to increase this is by a multiplexer, here a 16:1 cmos HTC logic type is used so it can be driven from the CPU's 3.3v output. The Mux common output goes to a 3rd order active filter to remove any noise hash from the selected input, the filter input is buffered so the very high impedance swamps out any "On" resistance in the Mux switches.
Various charger switch voltages etc are setup using 10T pots, rather than re-programming the CPU or requiring a LCD display with some sort of options menu.





Status PCB:

Bottom of the main pcb has a snap-off section containing some leds and a piezo, this can be placed under the front panel to show charger status, or not used and a small SPI LCD used instead.






Power Supply:

Small 12V 5watt psu can be used, type depending on battery voltage, I always place a 15v TVS diode across their outputs as protection from high voltage spikes when they turn on.






Pico Connections:

Precision 3V shunt reg diode for the ADC reference is required here as the Pico has no internal reference supply other than the noisy 3.3V rail, I have buffered this for use elsewhere on the pcb. Could also turn off the Pico's onboard 3.3v switcher and use an external 3.3v linear psu to keep noise levels down.

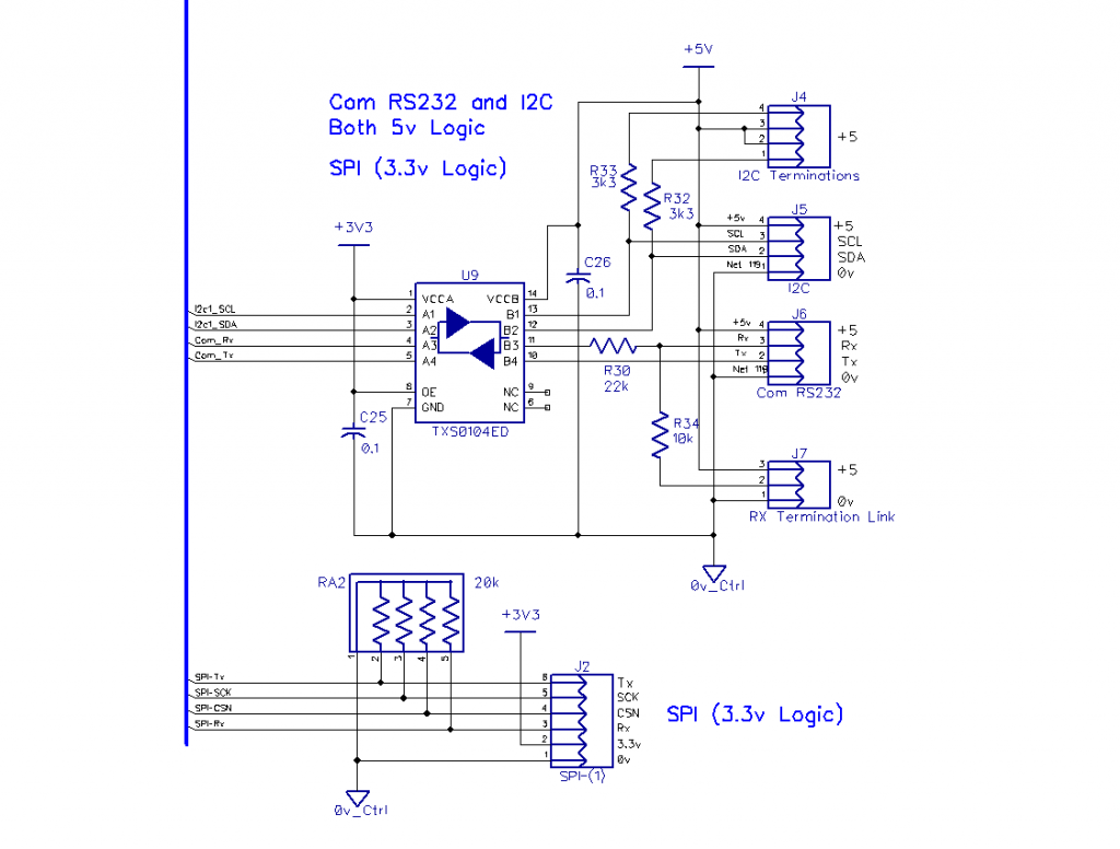
Have used a logic level converter on the RS232 and I2C connections, as this suits some of the modules I have here to play with, the SPI IO remains at 3.3v, optional none required for the charger.






Edit: I didn't mention what's next before I send the gerbers off, cunning plan...
the PWM section of the pcb is being redone and replaced with a MPPT section, all other circuitry is unchanged and remains in place, working on that now.

Cheers
Mike
Edited 2021-11-18 14:16 by Solar Mike
 
Solar Mike
Guru

Joined: 08/02/2015
Location: New Zealand
Posts: 1203
Posted: 07:47am 24 Nov 2021
Copy link to clipboard 
Print this post

I have re-visited this design in order to use the existing CPU control section to work with a MPPT power board; and realized it would be easier to implement by extending the main control section to host either PWM or MPPT modules depending on requirement.

Means this current design is now retired, will start a new thread for next version.


Cheers
Mike
 
Print this page


To reply to this topic, you need to log in.

The Back Shed's forum code is written, and hosted, in Australia.
© JAQ Software 2026