Home
JAQForum Ver 24.01
Log In or Join  
Active Topics
Local Time 02:59 23 Apr 2026 Privacy Policy
Jump to

Notice. New forum software under development. It's going to miss a few functions and look a bit ugly for a while, but I'm working on it full time now as the old forum was too unstable. Couple days, all good. If you notice any issues, please contact me.

Forum Index : Solar : Electric to Solar Hot Water Conversion

     Page 1 of 2    
Author Message
fillm

Guru

Joined: 10/02/2007
Location: Australia
Posts: 730
Posted: 01:18pm 16 Jun 2011
Copy link to clipboard 
Print this post

I have been contemplating this for quite a while , in Australia there are thousands of solarhart hot water systems that get replaced each year, of which a lot can be easily recycled with a bit of work and with a bit of hunting you could easily pick a couple up for, at the best FREE or I paid $60 for the 2 from the scrap yard. And with a few other components one can have a very affordable solar water conversion to an existing Electric system and shouldn't take long to pay back as my Electric hot water uses 7~9kW a day.

I have set myself a budget of $400 and I am more down the line of buying components, even with the items I am buying to get the system up and running it will easily come in under that and could easily be done a lot cheaper for the savy out there.

The Solarhart L-Series panel is the one to keep a eye out for as it is constructed with 6 copper tube risers encapulated in an aluminium collecter plate, it is very common and is quite noticable to see the 6 riser tubes through the glass.

The other flat panel K-Series is a pressed steel collecter and is used with a heat exchanger Glycol fluid that has a jacket around the inner water tank, this type is not suited to high pressure 80-100psi that a house/town water system is connected to.

Below are some Pics of the Solarhart L-Series panels that I bought for $60, you would not be able to build them for that, and with the good quality low iorn glass and aluminium enclosure.


Removing the Glass with a scraper as it is assembled with double sided tape. There is an alu angle edge that is easily removed by drilling out the rivits to get to the glass.


This shows the collecter with the glass removed , this panel is why they were removed as it has a small pin hole in the top tube which can easily be soldered .


Shows both panels , they are easy to remove by removing the corner rivits from one side and bending the side out to slip the panel up and out.


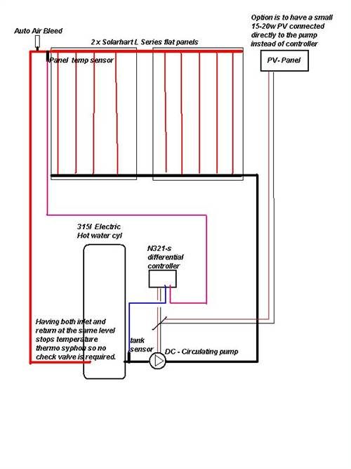
Below is a basic scematic of how I am going to connect them to my existing Hot Water Cylinder


This controller can be powered by 12-24vdc/ac and costs $89 and comes with the sensors



The circulation pump is a 15w model $87, there is also a 10w or 5w model on ebay.



This is a pic of a type of auto air bleed valve which is fitted into the top of the collecter where the hot water comes out at the higest point , angleing the collectors up to that point slightly will help keep air locks out. $30



There are a few other options I could be going with that could be cheaper , like a 10w pump connected directly to a small 15w solar panel that circulates when the sun shines ,it would work just as well , it is best if doing it that way to have the inlet to the pump and the return from the collecters at the same level in the hot water cyl as it stops thermo syphoning, so there is no need to use check valves, but I like the fancy digitial read out flash controller and will be using a 2A/12vdc power supply to power the pump and controller.

As it is a work in progress I will post more pics and info as it comes together, and hopfully some of the sundry items like pipe insulation and a couple of fittings dont blow the budget.
Edited by fillm 2011-06-17
PhillM ...Oz Wind Engineering..Wind Turbine Kits 500W - 5000W ~ F&P Dual Kits ~ GOE222Blades- Voltage Control Parts ------- Tower kits
 
Tinker

Guru

Joined: 07/11/2007
Location: Australia
Posts: 1904
Posted: 01:55pm 16 Jun 2011
Copy link to clipboard 
Print this post

Thanks for posting that Phill, its something that I'm planning to do as well in the near future.
Looking forward to see your idea to come together and learn from your trials.
Klaus
 
petanque don
Senior Member

Joined: 02/08/2006
Location: Australia
Posts: 212
Posted: 05:20pm 16 Jun 2011
Copy link to clipboard 
Print this post

Sounds like a bargain.

Typically were do the hot water services fail?

I am thinking if the panel is 10+ years old will you get good service from it.
 
MacGyver

Guru

Joined: 12/05/2009
Location: United States
Posts: 1329
Posted: 07:45pm 17 Jun 2011
Copy link to clipboard 
Print this post

Thanks for this, Phill.

I'm going to use your information to improve on my own solar water heater's operation. Here's a quick link for that controller:

$89 Controller

Since I've already gone the distance to prevent thermo-syphoning, I'm very interested in changing out my pump to a 12-volt model and using the solar panel as a switch; very clever!

Thanks again.


. . . . . Mac


Nothing difficult is ever easy!
Perhaps better stated in the words of Morgan Freeman,
"Where there is no struggle, there is no progress!"
Copeville, Texas
 
fillm

Guru

Joined: 10/02/2007
Location: Australia
Posts: 730
Posted: 09:34pm 17 Jun 2011
Copy link to clipboard 
Print this post

Don,

It is hard to tell if it will , there is a small pin hole near the hot out connection, I will Braze that up and pressure check to 140psi which should show any potential weak points . I think a lot of damage is done by steam in the heat of summer as these get hot enough inside at the top to burn the insulation wool .

Mac - the solar pump is not that clever , it has been around quite a while to do it that way, and I would not take any credit for it . For your little system there is a 5w model and you would use a 8-10w panel as you would need very little flow.
Don't worry about the water head as it is 0 if you are taking the water up the same hieght as down, it is only line resistance in that case .But I am sure you would know all that being a plummer.
One thing I would suggest is to encase the copper tube with Alu fins on your copper tube , mabe even painted flatened coke cans. You will pick up a lot more effiency.

PhillM ...Oz Wind Engineering..Wind Turbine Kits 500W - 5000W ~ F&P Dual Kits ~ GOE222Blades- Voltage Control Parts ------- Tower kits
 
Air Bender
Senior Member

Joined: 25/01/2011
Location: Australia
Posts: 206
Posted: 03:09am 18 Jun 2011
Copy link to clipboard 
Print this post

Yes a good find Fillm i would have paid $60 for them it it beats alot build time and as you said you would be lucky to build them cheaper than that. I will be keeping my eye out now.

All the best Dean.
 
Glenn

Newbie

Joined: 14/06/2011
Location: Australia
Posts: 29
Posted: 06:13am 29 Jun 2011
Copy link to clipboard 
Print this post

Hi

My 1st post here.

Can I ask what scrap dalers you got them from? ie city etc.

I am in Melbourne and perhaps not so common here.

glenn

VK3PE
 
fillm

Guru

Joined: 10/02/2007
Location: Australia
Posts: 730
Posted: 12:30am 01 Jul 2011
Copy link to clipboard 
Print this post

Glenn,

I would call up your local Solarhart dealer and see if they have any scraped or removed panels , also let your local demolition yards know what you are looking for . There are other flat panels that would be suitable from Edwards and other solar hot water manufactures that would be suitable .

I would think if you started to look around there would be quite an industry in solar hot water down there.
PhillM ...Oz Wind Engineering..Wind Turbine Kits 500W - 5000W ~ F&P Dual Kits ~ GOE222Blades- Voltage Control Parts ------- Tower kits
 
curious1
Newbie

Joined: 03/07/2011
Location: Australia
Posts: 9
Posted: 09:33am 03 Jul 2011
Copy link to clipboard 
Print this post

Hello Fellows

Read your discussion about cheap solarpanels etc. I have been there and gone away. You will get lots of HW in the summer and bugger all in the winter. Vacuum tubes are the only profitable way. I have overinvested in anticipation of steep power price increases and my own feeling about power usage. I have 60 tubes providing even now, middle of winter, plenty of HW. I mean HOT WATER. 70 degree to the bottom of the tank. I use only power for the PLC and the circulation pump. The hole in the panles top tubes is, as you remarked , most likely from the steam generated in the summer. My system is low pressure and when the tanks are satisfied (max temperature is reached) the header is, via valves emptyed of water. This also applies in the winter and no freeze protection or steam protection is needed. All what I now need to get my pay-back time down is a good increase of power cost. We should not have anything but solar in most places of australia. I visited greece 2 years ago and was surprised with how many solar HW there where and allready for a very long time. But that was about the only pleasant surprise I had. I use a pump to deliver water to the faceds and it is still a developing project. If anybody is interrested in more details please ask. Somebody elses imput may help in refining my system.

Regards
Alf
 
Glenn

Newbie

Joined: 14/06/2011
Location: Australia
Posts: 29
Posted: 09:44am 03 Jul 2011
Copy link to clipboard 
Print this post

I called up local (Melb) Solarhart offcies who said they have nothing available. Head office told me the same thing, i think implying that they wouldn't sell them to me if they had them anyway.

glenn

VK3PE
 
fillm

Guru

Joined: 10/02/2007
Location: Australia
Posts: 730
Posted: 08:17am 09 Jul 2011
Copy link to clipboard 
Print this post

Glenn,

You would need to find out from Solarhart , who are the contractors that install the systems in and around your area and talk to them . The main company will give little help .

Alf - I agree that tubes are a more efficient system but they also are up there in cost , as you have said that you have over invested in your system and if your system is reaching 70deg in the middle of winter it must be sitting idle for the most part of the day in summer . I would think that using some off-peak electricity to boost the solar in the middle of winter opposed to sizing the solar system for winter would keep the cost of the system down , it would be a difficult call to find the most economic balance to your hot water demand .

When I was a young fella in the 60s, my father built a solar hot water system from plans from the CSIRO, I think , it's collector was copper sheet soldered to the copper risers. Instead of having electric back up it had a hydronic wood fired boiler below it for winter and rainy streches . The system was in service for a good 30 years and paid for its self many times over.Edited by fillm 2011-07-10
PhillM ...Oz Wind Engineering..Wind Turbine Kits 500W - 5000W ~ F&P Dual Kits ~ GOE222Blades- Voltage Control Parts ------- Tower kits
 
MacGyver

Guru

Joined: 12/05/2009
Location: United States
Posts: 1329
Posted: 07:23pm 09 Jul 2011
Copy link to clipboard 
Print this post

Crew

Hi, me again. Say, I was just brainstorming over a fruit smoothie (sugar rush) and the thought of using Coroflute as a flat-plate solar (water) panel came to mind. I'm the guy who build his turbine blades from 4mm Coroflute, remember?


Anyway, I've never tried this, but if the Coroflute (say 4 to 8 mm) were sealed into a slot in the bottom of a horizontal containment vessle and a feed line attached similarly to an intake manifold at the bottom of the panel (cold side), the internal flutes would be great at thermo-siphoning the liquid heating inside and you'd have a dandy collector that would likely not be harmed by freezing weather.

As to whether the plastic would "melt" with the heat, well, that remains to be tested, but if it holds up, wouldn't a painted-black sheet of Coroflute supported on a sheet metal base be just the bee's knees? Bee's knees is "Americanese" for dandy.

Maybe I'll cook one up and share the build. Working on a windmill stator right now, but I'm retired, so "time" is no problem; I'll git er done sooner or later.


. . . . . Mac
Edited by MacGyver 2011-07-11
Nothing difficult is ever easy!
Perhaps better stated in the words of Morgan Freeman,
"Where there is no struggle, there is no progress!"
Copeville, Texas
 
RossW
Guru

Joined: 25/02/2006
Location: Australia
Posts: 495
Posted: 03:57am 10 Jul 2011
Copy link to clipboard 
Print this post

  MacGyver said   Crew
Anyway, I've never tried this, but if the Coroflute (say 4 to 8 mm) were sealed into a slot in the bottom of a horizontal containment vessle and a feed line attached similarly to an intake manifold at the bottom of the panel (cold side), the internal flutes would be great at thermo-siphoning the liquid heating inside and you'd have a dandy collector that would likely not be harmed by freezing weather.

As to whether the plastic would "melt" with the heat, well, that remains to be tested, but if it holds up, wouldn't a painted-black sheet of Coroflute supported on a sheet metal base be just the bee's knees? Bee's knees is "Americanese" for dandy.


I've been mulling this over for 18 months and haven't had time to try it yet, but it's a very similar idea.

Rather than corflute which (if I'm thinking of the same stuff as you) is translucent white and doesn't actually pass as much heat as one would like, I was thinking of using clear makrolon or lexan in the 8 or 10mm versions. These are made of clear polycarbonate and have 10x10mm or 8x10mm (or very close to) square channels between two clear sheets.

I was going to seal top and bottom to standard aluminum U-channel to make the collector top and bottom, and (here's the kicker) - use old black oil for the medium. It won't boil, it should *directly* be heated by the sun. A simple heat-exchanger to extract its heat into water for use.

I haven't built one yet to test, but like you - one of these years :)
 
curious1
Newbie

Joined: 03/07/2011
Location: Australia
Posts: 9
Posted: 06:27am 10 Jul 2011
Copy link to clipboard 
Print this post

Hi fillm

You are right of course that my solar system is most of the time idel in the summer but the extra heat which I have available now in spring and autum will be used to heat the ground for my tomatos. The ground temperature is aperantly more important then the air temp for the growing success of tomatoes. I am digging a copper heat loop into the ground and when the HW systems is satisfied I divert the circulation to this groundloop. I will see if this effort pays. I love home grown tomatoes and dont mind this effort. There is always the egg/chicken thing. What comes first. The HW and then find a use for it or find a need for HW and then make it.
 
fillm

Guru

Joined: 10/02/2007
Location: Australia
Posts: 730
Posted: 10:52am 10 Jul 2011
Copy link to clipboard 
Print this post

Hi Curious ,

Thanks for putting the thread back on track.

Sounds like one hell of a solar hot water system you have there, mabe you can build a glass house and grow a rain forest with the excess heat . Good idea to use the heat to give you something you enjoy, you can take the savings of Tomatoes off the capital cost for an earlier pay back now.

Anyway some progress on the rebuild , the pics below are of the repair job I did on the pin hole . I could have just soldered over the hole but opted to sweat the end off and use 1/2 a 25mm joiner to sleeve the suspect section .


Shows the hole with the coupling sweated off



Repaired , pressure tested and ready to go.

Still waiting on the controller , they are waiting on stock but picked up the solar air bleed valve off Ebay for $20 . Edited by Gizmo 2011-07-12
PhillM ...Oz Wind Engineering..Wind Turbine Kits 500W - 5000W ~ F&P Dual Kits ~ GOE222Blades- Voltage Control Parts ------- Tower kits
 
peter69_56
Newbie

Joined: 11/10/2011
Location: Australia
Posts: 2
Posted: 02:14am 12 Oct 2011
Copy link to clipboard 
Print this post

  fillm said   And with a few other components one can have a very affordable solar water conversion to an existing Electric system and shouldn't take long to pay back as my Electric hot water uses 7~9kW a day.

Are you going to lift the point where your thermocouple is situated on the tank for your electric HW. If you dont, you risk the electric kicking in and heating up the whole tank overnight. Next day there is niothing for the solar to heat as its near up to temperature, particularly if you shower before bed as the tank remains hot during the day and cools at night when no solar input.

If you lift the thermostat to at least 50% up the tank (or just use the boost if you have twin thermostats) this way the solar can still contribute to heating 1/2 tank every day where possible.
 
MacGyver

Guru

Joined: 12/05/2009
Location: United States
Posts: 1329
Posted: 01:19am 15 Oct 2011
Copy link to clipboard 
Print this post

fillm

I took your advice and purchased a delta T controller online from altE It was a little pricey, but it's my kids' inheritence, so I won't tell if you won't. Seems to me from memory at least, it was around $125.

I haven't installed it yet. It's a plug and play and the only wires I have to run are the two to each of the temperature sensors. One goes on the solar panel and the other goes on the receiver tank. There's also a feature that runs water through the panels should the air temperature fall below 42*F.

Here are some pics of the contraption:



This is it just out of the box.


The leads were a separate purchase at around $7 each.


"Heliodyne Solar Hot Water"is what it says.

Maybe this will help someone else trying to do the same thing as we.


. . . . . Mac
Nothing difficult is ever easy!
Perhaps better stated in the words of Morgan Freeman,
"Where there is no struggle, there is no progress!"
Copeville, Texas
 
fillm

Guru

Joined: 10/02/2007
Location: Australia
Posts: 730
Posted: 12:10pm 15 Oct 2011
Copy link to clipboard 
Print this post

Well its been a while and the conversion is finished and has been running for 3 weeks and with the electric boost ony having to be turned on a few times in that period . As I have been recording the off-peak , mains and export for quite a while the result has put a on my dail.

On average we were using 60kW/H a week in of peak power for water heating , for the last 3 weeks that has now dropped to 10kW/H or 3.3kWh a week for this time of year, canceling out around 6~8kW/H a day. It definatly shows how efficient heating water is opposed to PV panels and these are just flat panels and not the super efficient evacuated tube type.

With the overall cost of the project keeping under the $350 it should be in pay back after a couple of years as I would think it will struggle during the winter months.

It now makes my 2.4kW of PV export power to off-set the house power a whole lot better.

Anyway below are some more of pics of the project


This is where I complicated things , because the roof directly above the hot water system is 45deg east of Nth I decided to face it true north to get the best efficeincy, this brain wave turned out to be bigger than Ben Hur .



Setting up all the angles meant countless trips up and down the ladder which gave the old legs a work out.



The frame up and painted ready for the panels , the second ladder was used to slide each panel up on . Working on a 25deg pitch needs good grip and the old dunlop volleys are like suction pads on your feet .



I priced enough of that black foam pipe insulation and it was going to add $120 to do all the copper tube, I scored some left over roof insulation wool from a house being built accross the road which I also used to put a new layer of insulation under the flat panels before putting them back together . I decided to use it to do the pipes as well. Cutting the wool into smaller pieces seemed to work the best and it was like rollin a giant smoke for those who used to smoke . Halving some of the wool layer over and then putting it under the pipe first.



Fold the top wool over leaving its foil and then the bottom wool and foil



Then fold the top foil over and have some duct tape tabs ready to hold it , then wrap it with the duct tape, I think I went through 3 rolls of tape and by the end I was getting pretty quick at it , probably took about 3 hrs to do all the pipe work which was a whole lot quicker than fitting all the pipes before the insulation was fitted . The wool and duct tape doesn't look the best but it sure works!



All plumbed up and going , origionally I was told by the experts to plumb the inlet and hot return at the same level at the bottom of the tank ,I tried it but with this tank it could not be done the makers have a tube that seems to join both inlets accross between the two inlets , the hot water coming back from the collecters was being drawn straight back into the pump inlet so I put the return into the spare top hot outlet, this caused a bit of head scraching befor I found that one.


I also fitted a check valve on the hot return to stop thermosyphon at night , I was also told if you put a U in the pipe it would stop this bit it didn't , the check did the job .


These next three pics are the differential controller taken about 9am and its doing its job

T2 is the inlet temp

T1 is the temp at the top of the collecter

T1-T2 the Differential , when it gets to 20degC the pump turns on and the remains on untill the differential gets to 18deg . I had a lot of problems with temp lag in the sensor at the top at first because of air not transfering the heat to the sensor probe quick enough , it needed heat the transfer gell and then works like a charm .
The controller is fully programable and 20deg is the Max Dif .

All in all I am more than happy with the conversion , and I must say its not really an asstetic addition to the house but for the purpose of hot water its doin the job!

PhillM ...Oz Wind Engineering..Wind Turbine Kits 500W - 5000W ~ F&P Dual Kits ~ GOE222Blades- Voltage Control Parts ------- Tower kits
 
MacGyver

Guru

Joined: 12/05/2009
Location: United States
Posts: 1329
Posted: 06:50pm 15 Oct 2011
Copy link to clipboard 
Print this post

fillm

Nice job. I can relate to the energy savings. I have FREE hot water for bathing, laundry and dishes probably 95% of the time. Of late, I have built a gas-fired heat sink, which I can use in place of no sun or not wanting to use electricity. I don't believe in using anything but a primary fuel source for heat, so that lets electricity out the door.

Tilting the panel towards the mean pathway of the sun is a good idea. Of course, you know you now have a "kite" on your roof. Please be sure it is anchored as I'm positive its Reynold's number is gigantic!

For a future build, an easy way to keep the water levels at the same height as well as utilize your house's plumbing more efficiently is to bring the hot return to a tee in the cold inlet line, with a check valve in the hot line to discourage back-flow of cold water.

When the system is static and just circulating, the solar-heated water enters at the top of the tank, but flows down through the heater's "dip tube". This is a tube that terminates with an open end about 40% above the bottom of the tank. It's primary function is to deliver cold make-up water to the area of the thermostat, so heat can be switched on. Utilizing the tank's dip tube delivers the scalding hot water from the solar panel to the bottom of the tank and hot water being less dense than cold water will cause it to internally thermosiphon, in turn heating the rest of the stored water more evenly. The cold water supply to the panel should be taken from the storage vessel's drain cock, which is just 5% above the bottom of the tank.

If all you use for heat is solar, it's not enough to "boil out" any minerals, so you don't have to worry about sedimentation clogging up your system, dragging the cooler supply water off the bottom of the storage vessel. The nice feature doing it this way is when the tank finally gives up the ghost and leaks, it can merely be slid out and the new one reattached using flexible threaded connectors instead of hacking apart all the pipes and resoldering them. I always use isolation valves for this purpose, thinking ahead to when I must service stuff.

By the way, leaving just that 3 or 4 feet of bare pipe exposed at the loop shown in your picture is enough to completely screw up your heat gathering efforts. In order for solar water heating to work, all exposed pipes MUST be insulated!

Just a thought for next time.

A quick note about the faild "solar loop". In order for it to work, the hot pipe must form an entire loop (preferably longer than it is wide) to effectively block thermosiphoning. In other words, the heated water in the storage vessel will not propel itself to the roof, thereby radiating all your stored heat to the sky via the exposed panel. The water will rise only to the top of the "loop". Hot water in a closed "loop" will not backflow the other leg in a static situation.

Edit: Clarity


. . . . . Mac

Edited by MacGyver 2011-10-17
Nothing difficult is ever easy!
Perhaps better stated in the words of Morgan Freeman,
"Where there is no struggle, there is no progress!"
Copeville, Texas
 
wallablack

Senior Member

Joined: 10/08/2011
Location: Australia
Posts: 164
Posted: 12:00pm 28 Aug 2012
Copy link to clipboard 
Print this post

Nice post.
Get one of these VALVECOSY's. Alledgedly 7% of tempreture loss from your HWS is at the valve.
For $20 they are a bargain and Enviroshop is moving so you might get a deal.
Edited by wallablack 2012-08-29
Foolproof systems do not take into account the ingenuity of fools.
 
     Page 1 of 2    
Print this page
The Back Shed's forum code is written, and hosted, in Australia.
© JAQ Software 2026