Home
JAQForum Ver 24.01
Log In or Join  
Active Topics
Local Time 03:00 23 Apr 2026 Privacy Policy
Jump to

Notice. New forum software under development. It's going to miss a few functions and look a bit ugly for a while, but I'm working on it full time now as the old forum was too unstable. Couple days, all good. If you notice any issues, please contact me.

Forum Index : Solar : picaxe sun/solar/tracker

     Page 1 of 2    
Author Message
windman1000
Regular Member

Joined: 21/06/2009
Location: United States
Posts: 91
Posted: 11:53am 26 Jun 2012
Copy link to clipboard 
Print this post

Hi guys
Well Alot has changed sense my last post last post
I was using a timer to control my solar panels.

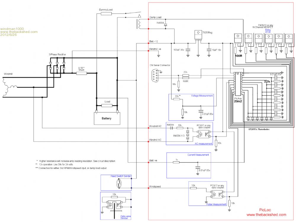
Now I have made up a sun tracker with a picaxe 20m2 chip , it can be used with glenn's piclog2 piclog2

It works the west to east and the up and down, at night it turns back home (east) and goes up ,just in case of high winds at night'
It also has a wind indicator so if winds get to high it will go where ever you want it to, I have it go up so it flat.

Its easy to build and programmable ,software




here is the code , you can use this as a tracker only or tracker and wind mill logger



Start:

SYMBOL UP = b0 ;UP Diode Eye
SYMBOL DOWN = b1 ;DOWN Diode Eye
SYMBOL West = b2 ;West Diode Eye
SYMBOL East = b3 ;East Diode Eye
SYMBOL Center = b4 ; Center Diode Eye
'SYMBOL EW_Center = b5 ; Center Diode Eye
SYMBOL West_Limit = b6; Center Diode Eye
SYMBOL East_Limit = b7; Center Diode Eye
SYMBOL Up_Limit = b8 ; Center Diode Eye
SYMBOL Down_Limit = b9 ; Center Diode Eye
SYMBOL Volt = b19
SYMBOL Amp = b20
SYMBOL RPM = b21
SYMBOL Checksum = b22
SYMBOL WSpeed = W13;Encoder 100 P/R Hook To opto Cupler

SYMBOL E = b10 ;East
SYMBOL W = b11 ;West
SYMBOL S2 = b12 ;West East Stop
SYMBOL U = b14 ;UP
SYMBOL Dn = b15 ;Down
SYMBOL S = b16 ;Up Down Stop
SYMBOL Ni = b17 ;Night
SYMBOL WS = b18 ;Wind Speed

E = 0 ;East 0=Off 1=On
W = 0 ;West 0=Off 1=On
S2 = 0 ;Stop2 0=Off 1=On
U = 0 ;Up 0=Off 1=On
Dn = 0 ;Down 0=Off 1=On
S = 0 ;Stop 0=Off 1=On
Ni = 0 ;Night 0=Off 1=On
WS = 0 ;Wind Speed 0=Off 1=On

'#U,#Dn,#S,#W,#E,#S2,#Ni,WS to know what is what in serial data 00000000

Main:
readadc B.0, UP ;Diode Eye
readadc B.1, DOWN ;Diode Eye
readadc B.2, Center ;Diode Eye
readadc B.3, East ;Diode Eye
readadc B.4, West ;Diode Eye
readadc C.7, Volt
readadc B.6, Amp
Count C.5, 1000, RPM
Count C.6,31, WSpeed ;Encoder 100 P/R Hook To opto Cupler

'High C.3 ;DumpLoad Output To Relay
'High C.2; UP Output To Relay
'High C.1 ;DOWN Output To Relay'
'High C.0 ;West Output To Relay
'High b.7 ;East Output To Relay


Checksum = Volt + Amp + RPM + WSpeed
sertxd("[<V>", #volt, "</V><I>", #Amp, "</I><R>", #RPM, "</R><S>", #WSpeed, "</S><C>", #Checksum, "</C>_Up_")
sertxd( #Up,",C_", #Center,",D_", #Down,",W_", #West,",C_",#Center,",E_",#East, #U, #Dn, #S, #W, #E, #S2, #Ni, #WS ,"]")


if Volt>816 then
High C.3

elseif Volt<753 then
Low C.3

End if

if WSpeed < 30 And East < 50 And Up < 50 then
E = 0
W = 0
U = 0
Dn = 0
S = 0
S2 = 0
End if

'Start West Tracking When West Diode Eye Is Greater Than East Diode Eye
if WSpeed < 30 And West > East And Center > 20 And Up > 20 then
high C.0 ;West Output To Relay
low b.7
W = 1
S2 = 0
'wait 1


'Stop West Tracking When East Diode Eye Is Greater Than West Diode Eye
elseif WSpeed < 30 And East > West And Center > 20 then
low C.0
S2 = 1
E = 0
W = 0
End if

'Start East Tracking When East Diode Eye Is Greater Than Center Diode Eye
'if WSpeed < 30 And East > Center And Center > West And Up > 20 then
'high b.7 ;East Output To Relay
'low C.0
'E = 1
'S2 = 0
'wait 2


'Stop East Tracking When East Diode Eye Is Less Than Center Diode Eye
'elseif WSpeed < 30 And Center > West And Center > 20 then
'low b.7
'S2 = 1
'E = 0
'W = 0
'End if

'Start Up Tracking When Up Diode Eye Is Greater Than Center Diode Eye
if WSpeed < 30 And Up > 20 And UP > Down And Center > 60 then
high C.2 ; UP Output To Relay
low C.1
U = 1
S = 0
'wait 1

'Stop Up Tracking When Center Diode Eye Is Greater Than Up Diode Eye
elseif WSpeed < 30 And Center > 20 And Down > Up And UP > 20 then
'low C.1
low C.2
S = 1
Dn = 0
U = 0
'wait 2
End if

'Start Down Tracking When Down Diode Eye Is Greater Than Center Diode Eye
if WSpeed < 30 And DOWN > 20 And Down > Up And Down > Center And Center > 20 And Up > 20 then
High C.1 ;DOWN Output To Relay'
low C.2
Dn = 1
S = 0
'wait 3

'Stop Down Tracking When Center Diode Eye Is Greater Than Down Diode Eye
elseif WSpeed < 30 And Center > 20 And Center > Down And DOWN > 20 then
'low C.2
low C.1
S = 1
Dn = 0
U = 0

End if

'When Center Diode Eye And Up Diode Eye Are Less Than 5 Then Its Night Time.
if WSpeed < 30 And Center < 5 And Up < 5 then
High b.7 ;East Output To Relay
High C.2 ;UP Output To Relay
low C.1
low C.0
Ni = 1

End if

;When Wind Is Greater Than 40 MPH Then Go Up
if WSpeed > 40 then
low C.0
low C.1
low C.2
low B.7
High C.1 ;UP Output To Relay
WS = 1

End if

;When Wind Is Greater Than 40 MPH Then Go Up
if WSpeed < 40 then
WS = 0

End if


goto Main


here is the circuit




And here is a modified piclog circuit



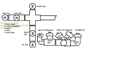
And a drawing on the eye setup



hope you guys like it

 
Gizmo

Admin Group

Joined: 05/06/2004
Location: Australia
Posts: 5177
Posted: 12:29pm 26 Jun 2012
Copy link to clipboard 
Print this post

Wow, nice work windman!
The best time to plant a tree was twenty years ago, the second best time is right now.
JAQ
 
windman1000
Regular Member

Joined: 21/06/2009
Location: United States
Posts: 91
Posted: 01:46pm 26 Jun 2012
Copy link to clipboard 
Print this post

Thanks Glenn
here is a zip file of the above
2012-06-26_234626_logger_tracker.zip
 
yahoo2

Guru

Joined: 05/04/2011
Location: Australia
Posts: 1166
Posted: 02:32pm 26 Jun 2012
Copy link to clipboard 
Print this post

That is fantastic, Bruce will be like a hyperactive 3 year old when he see's this.

That knocks my old analemma tracking code into a bucket for simplicity.
I'm confused, no wait... maybe I'm not...
 
brucedownunder2
Guru

Joined: 14/09/2005
Location: Australia
Posts: 1548
Posted: 12:08pm 27 Jun 2012
Copy link to clipboard 
Print this post

Yes,,, dribble ,dribble,,
it looks sooooo good windman..

How do i crawl and beg so as to have one ? please...

I'm about to fit the actuators soon, the panels are up and all is rock solid -the weather is crook at the moment,so I'm finishing off some hard wiring to the battery banks..

Bruce
Bushboy
 
windman1000
Regular Member

Joined: 21/06/2009
Location: United States
Posts: 91
Posted: 12:41pm 27 Jun 2012
Copy link to clipboard 
Print this post

Hi Bruce
what actuators are you using( Voltage / ac or dc ) and do they have micro limit switches built in them?

And if I remember right you have 3 axis? you only need two.

you can build it your self very easy , and il help all I can.
windman





 
windman1000
Regular Member

Joined: 21/06/2009
Location: United States
Posts: 91
Posted: 06:03am 30 Jun 2012
Copy link to clipboard 
Print this post

I should mention that the photo diodes (eyes)are SF205FA photo diodes NOT LED's
I have not tested LED's as the eyes so I do not know if they would work as well, IF you try to use any thing different than SF205FA photo diodes the 2.7 resistor at the ADC might need to be changed to a different size resistor, The best way to test is at 12:00 noon in the summer time and no clouds , your com data number on the center eye or a eye that is pointed straight at the sun should not be more the 230, 255 it the max number and you will be out of range.

The reason I use the SF205FA photo diodes is to see threw the clouds ( it kinda works ) to where LED's Wont.
 
brucedownunder2
Guru

Joined: 14/09/2005
Location: Australia
Posts: 1548
Posted: 11:55am 30 Jun 2012
Copy link to clipboard 
Print this post

Thanks Windman .,


You know , it amazes me the intelligence that comes out of these posts.

I sometimes wonder where enthusiasts would be if we were all just 'tinker'ers .

It's one thing to bash a bit of steel and drill holes, cut and weld ,concrete, dig trenches.

But when it comes to you blokes that do the electronics , I'm amazed at the profession'ism thats out there .. I really take my hat off to the crew that picks up where us "hardware" guys finish.

Good on you all, we'd be lost without you ..

Bruce.
Bushboy
 
windman1000
Regular Member

Joined: 21/06/2009
Location: United States
Posts: 91
Posted: 01:08pm 30 Jun 2012
Copy link to clipboard 
Print this post

Hi Bruce
My dad is the electronics person im the guy that bashes a bit of steel and drill holes, cut and weld ,concrete, dig trenches.

My dad design up a few tracking systems for me and i put them together but they all seem to have little bugs in them.

So I decided to build up one with a picaxe but could not find anything on the net to help me.

I took my dads concept of a center eye and outer eyes (SF205FA photo diodes)
and look for a picaxe chip that had at least 5 ADC inputs and at least 4 outputs
and found the pic 20m2 to have all that plus.

Then I took Glenn's piclog print and modified it to meet my requirements, then I got some help at picaxe.com on the coding and here we have it.

If you don't do electronic I would build one for you but for testing and everything you should have someone close to you help build it and I would answer any questions that i could.

At this time im testing LED's and it looks like they would work but the 2.7k resistor is way to small.

Im also going to modifie this build and take out the current electronics and put in
CT electronics
 
brucedownunder2
Guru

Joined: 14/09/2005
Location: Australia
Posts: 1548
Posted: 11:59am 01 Jul 2012
Copy link to clipboard 
Print this post

Thanks Windman ..

I reckon I'd do OK ,with all the experts around this forum .. Just a matter of what job gets done around here , with a thousand jobs yelling out for their share of attention ,I'm hesitant to start another..

Winter time here , nothing like your winter , but still have to gather firewood and twigs ,etc. . At least the grass is having a rest at the moment ,so not much mowing to be done .

Thanks for your encouragement ...

Bruce
Bushboy
 
JOSHY777
Newbie

Joined: 13/10/2012
Location: Australia
Posts: 2
Posted: 01:22am 29 Oct 2012
Copy link to clipboard 
Print this post

G'day windman1000,

I am keen on making this for a school project and was wondering where you got the photodiodes and the linear actuators from.

any help will be much appreciated :)

Edited by JOSHY777 2012-10-31
 
windman1000
Regular Member

Joined: 21/06/2009
Location: United States
Posts: 91
Posted: 04:26pm 29 Oct 2012
Copy link to clipboard 
Print this post

hi JOSHY777
i use one linear actuator for the movement up and down and it is 120v ac , i run it threw 2 relays from my picaxe board.
i bought this from ebay.

west to east i use 2 gear reduction boxes and a 120v ac motor ,i run it threw 2 relays from my picaxe board.
i bought these from ebay.

the SF205FA photo diodes,i got from my dad but he found them from online search.

there's been a few changes sense my last post il need to post more pictures.

yesterday i was testing LED's but not happy with the results yet.

i have added in downwinds CT circuit but i think i did something wrong my amp gain is to much between 0-15 amps , i get 0amps=0 11amps=22 so im still playing around with this thing.
 
Downwind

Guru

Joined: 09/09/2009
Location: Australia
Posts: 2333
Posted: 06:09pm 30 Oct 2012
Copy link to clipboard 
Print this post

Why use photo diodes, photo resistors are easier.

I am one person who thinks photo sensors for solar trackers are a waste of time.
Quite simply the sun travels an arc, so precisely you can set your watch by it, to me it makes perfect sense to use time to rotate the panels by, this is far easier and more reliable that photo sensors.

I have built a few solar trackers now and all use time to adjust the panels by, in most cases a small tracking adjustment every 15 minutes is more than enough.

As for the CT problem, you do realize the CT only works on AC power and not DC that the panels make?

Pete.
Sometimes it just works
 
windman1000
Regular Member

Joined: 21/06/2009
Location: United States
Posts: 91
Posted: 03:18am 31 Oct 2012
Copy link to clipboard 
Print this post

Hi Pete
There are a few ways to track and all seem to be good in there own way , my started out as a time tracker but i wanted to track the best sun with out making any adjustments to timing at all and this picaxe works great for that with the photo diodes.
plus i have a wind monitor on it and it can move the panels out of the wind and then right back into the sun when the wind dies down.

and i wanted to be able to log wattage's all from the same tracking board with out a million parts/resistors/diodes/ect...

as for the CT my plan was to use it at the output of inverters AC line so i could log the daily output wattage, i like your idea of the CT and im sure i built it wrong or something, let me clear up what it is doing at .5 amp i get .5 amp at 2 amps i get 3 amps at 5 amps i get 7 amps at 11 amps i get 22 amps and i check this with 2 clamp on amp meter.
and yes im lying to the picaxe voltage input ( my input is a steady 12.7 volts but i adjust it to say 120v )
 
Downwind

Guru

Joined: 09/09/2009
Location: Australia
Posts: 2333
Posted: 03:54am 31 Oct 2012
Copy link to clipboard 
Print this post

[quote] ( my input is a steady 12.7 volts but i adjust it to say 120v ) [/quote]

What input is 12.7v to where and how??

All current devices will have some error factor across the full scale, Allegros do, shunts do, CT's do, often its compensated for the error.

The CT should read close to linear but again not perfect, the main problem is the opamp works from 0v up to rail voltage -1.5v (or 5v - 1.5 = 3.5v ) its not a huge range to work in, and then that is limited by a 10 bit ADC reading with the picaxe.

From zero to 3.5v we have around a max count of 700 in ADC, then add in integer math only, and a slippery slide in accuracy can take place quickly.

Adjusting the CT to be better suited in the mid range will have a lesser error then calibrated to the lower readings, but a error will still be present each side of calibration point, and gets worst the further you move away from calibration point.

Pete.


Sometimes it just works
 
Tinker

Guru

Joined: 07/11/2007
Location: Australia
Posts: 1904
Posted: 04:00am 31 Oct 2012
Copy link to clipboard 
Print this post

I'm with Pete regarding sun tracking methods, mainly because the electro mechanical solution is something I'm very familiar with.

The electronic 'Eye' seeking the bright spot in the sky method looks interesting and might have been fun to develop but the sun does not always cooperate and sometimes plays hide & seek behind fat clouds.

If I were to go down that pure electronic sun tracking way I'd use a program that calculates the sun's predicted position in the sky and drives an azimuth & declination activator to position the panels accordingly. This would place the panels in the correct position for every minute of daylight, whether there are clouds, complete overcast condition or clear blue sky. A feedback device on each axis would keep the computer informed where the panels are pointing to at any instant.
Surely' writing such a program can't be that hard. It even may exist already as the 'sun calculator' mentioned on this forum does exactly that - it predicts the sun's coordinates for any daylight hour at a particular location.
Klaus
 
windman1000
Regular Member

Joined: 21/06/2009
Location: United States
Posts: 91
Posted: 05:39am 31 Oct 2012
Copy link to clipboard 
Print this post

hi pete
the 12.7 volt dc is what i run the picaxe board threw a 7805 reg, in glenns piclog i adjust the dc voltage to 120v so i get the right wattage threw the CT to log watts on glenns piclog.

hi Tinker

one of the biggest reason i went from timing tracking to eye tracking was when it is hazy / cloudy the best sun is not directly at the sun threw the clouds the photo diodes i use ( not LED,s) find and track the best sun/wattage, don't get me wrong i did like my timing tracker but it was not as good as my photo diodes tracker for over all wattage in a day with clouds,and it tracks perfect up / down / east / west when the sky's are clear, there are times when there are heavy clouds out and the tracker points straight up flat but im getting the most wattage and i wouldn't with the timing tracker.

P.S.
pete im not in anyway a electrical tech , i think all i need is 0-15 amp scale with the CT is there a resistor i can change to try and make it more scaleble in that range? Edited by windman1000 2012-11-01
 
Warpspeed
Guru

Joined: 09/08/2007
Location: Australia
Posts: 4406
Posted: 10:18am 31 Oct 2012
Copy link to clipboard 
Print this post

  Downwind said  

I am one person who thinks photo sensors for solar trackers are a waste of time.
Quite simply the sun travels an arc, so precisely you can set your watch by it, to me it makes perfect sense to use time to rotate the panels by, this is far easier and more reliable that photo sensors.

Pete.


I really like this this approach as well.
Probably an even better way might be a combination of a clock driven tracker, time corrected with an optical sun position sensor.

I did at one time seriously think about doing this with a stepper motor driven from a crystal oscillator, with a variable modulus frequency divider.
I even collected all the parts to buld a prototype, but other projects keep getting in the way.

When there is full direct sunlight, the tracker very slowly self corrects by running either slightly fast or slightly slow. With less than full direct sunlight, it just runs off the theoretically correct divided down crystal frequency.

It could track forwards east to west for 16 hours during the day, then at night travel west to east at twice the normal rate for 8 hours back to the start position.

If the whole thing was built on an equatorial mount, it will track the sun, but require the elevation angle to be slowly corrected for the season. This could also be made fully automatic by checking the sun elevation at exact solar noon and appropriately adjusting the tracking axis elevation with a leadscrew.

The whole thing may take some time to properly self adjust, and lock onto the sun, but once it has, it should then predictively track even with many consecutive days of full cloud cover.
Cheers,  Tony.
 
Downwind

Guru

Joined: 09/09/2009
Location: Australia
Posts: 2333
Posted: 03:04pm 31 Oct 2012
Copy link to clipboard 
Print this post

From the testing i done you can expect around a 25% increase by just following the sun with the panels on a fixed angle.
By adjusting the angle as the panels track will give about 2-3% more, to me its not worth it for 3%. (perhaps a 1-2 time a year manual adjustment)

The more crap you build into a tracker the more likely a problem will occure, keep it simple and reliable i think.

Im not convinced a stepper motor is up for the task, unless its a toy panel, you need high gear ratios or lead screws so wind will not turn the panels.

Try manually moving a panel over 15 mins of time to track the sun, and the angle of change required is 2/5 of f&#$ all.

You can build in all sorts of crap and gain 1% more, is it worth it??, just point the panels towards the hot spot in the sky and be somewhere in the ball park will return the biggest increase for the least investment.

With the cost of panels now anything less that 5-10% is just not worth chasing in my book, and 1 extra panel is cheaper and simpler than all the work in a tracker for a small return, once you get over about 20% return then its worth doing.

But a poor design can cost more than it gains, 1 dodgie sensor and the panels facing the wrong way for a day or 2 will loose more than its gained in a week.


Pete.
Sometimes it just works
 
Georgen
Guru

Joined: 13/09/2011
Location: Australia
Posts: 462
Posted: 10:45pm 31 Oct 2012
Copy link to clipboard 
Print this post


Would installing extra panels on the East and West side of the main panels group be an option of non-tracking setup?

Or all panels should be facing exactly the same way?
George
 
     Page 1 of 2    
Print this page
The Back Shed's forum code is written, and hosted, in Australia.
© JAQ Software 2026