Home
JAQForum Ver 24.01
Log In or Join  
Active Topics
Local Time 04:53 23 Apr 2026 Privacy Policy
Jump to

Notice. New forum software under development. It's going to miss a few functions and look a bit ugly for a while, but I'm working on it full time now as the old forum was too unstable. Couple days, all good. If you notice any issues, please contact me.

Forum Index : Other Stuff : Bore pump controller

Author Message
Hoffy
Newbie

Joined: 22/03/2015
Location: Australia
Posts: 3
Posted: 08:00pm 22 Mar 2015
Copy link to clipboard 
Print this post

Hi there I just joined today and I was hoping to get some help with a project that I am attempting. I have a bore that only produces about 200 litres of water a day! The pump I have on it now is 240 volt and pumps it dry in about 5 minutes. I want to replace the current pump with a smaller capacity 24 volt one. I have acquired a solar panel from my local solar energy installer and I have reconditioned a couple of 12 volt batteries scavenged from my local tip. I have a MPPT charge controller and I have just got a PICAXE-08 Proto board kit. What I want to achieve is controller for my pump that will turn the pump on when a) I have at least 24 volts in my batteries and b) turn the pump on when the bore is fully refreshed and turn it off just before it runs dry. I'm pretty sure I have everything I need I'm just a bit lacking in circuit design and microcontroller programming. If there is someone that could help me I would be very grateful.
 
Tinker

Guru

Joined: 07/11/2007
Location: Australia
Posts: 1904
Posted: 11:17pm 22 Mar 2015
Copy link to clipboard 
Print this post

Hi Hoffy,

You might want to supply more details of your bore.

For a start, how deep down is the water table?
Where does the water go after its pumped to the surface?
How large is the sump at the bottom? if its not very large you could use a float switch down there to turn on your pump. That, however, won't allow for seasonal changes in the water table.
Or, you could use a float switch in your tank if you use one to hold the pumped water.
Klaus
 
rustyrod

Senior Member

Joined: 08/11/2014
Location: Australia
Posts: 121
Posted: 12:15am 23 Mar 2015
Copy link to clipboard 
Print this post

There are plenty of 24 volt bore pumps on the E-Bay.

The mppt controller may have the "load" output that can be set to switch on at your chosen "charged" voltage and off at your chosen "low cut off" voltage.
So that should take care of your (a)

How do you propose to monitor the water level?

I have a tethered float that turns the grey water pump on and off. (it came with the pump)

I tied it with a zippy tie at the range I wanted. I think perhaps it would jam in a bore pipe.

I could visualize a short rod and a long rod hanging down your hole.You could connect the rods to the sense wires and the common to the steel bore case or a third rod running parallel to the others down your hole.

Drill tight holes in some polythene to keep them in alignment and insulated from each other.

The micro controller could sense if short rod was in water - switch on, if long rod became above water - switch off.

Set the short rod to suit the lowest seasonal water height.

Set the bottom end of the long rod slightly above your pump.

The caravan people have a kit with three studs - common - high - low that you screw into your plastic tank to monitor the water. The leds indicator is mounted on the wall inside. You may be able to devise a method of wiring a relay to the leds using a couple of transistors.

Pure gold rods will work the best and will not corrode.

Sorry I used all mine and have no spares anymore
Always Thinking
 
Hoffy
Newbie

Joined: 22/03/2015
Location: Australia
Posts: 3
Posted: 01:06am 23 Mar 2015
Copy link to clipboard 
Print this post

Hi Guys thanks for the prompt responses. My bore depth is 25 metres and I hit water at about 18 metres the bore diameter is 100mm. As mentioned is refreshes very slowly, about 24 hours to reach 18 metres again after being pumped dry. I want to pump the water into a storage tank which is also fed by rain water and use this water to irrigate my garden. Head height above top of bore is about 4 metres max. My charge controller is only a cheapy which I bought purely to regulate the voltage coming from my solar panel. I have read about sensors (wires) that are place in the bore to detect high and low levels and have decide to use this method to detect when to turn the pump on and off. Do you guys have any experience with picaxe controllers?
 
MOBI
Guru

Joined: 02/12/2012
Location: Australia
Posts: 819
Posted: 12:16pm 23 Mar 2015
Copy link to clipboard 
Print this post

Just for thoughts.

I use a Lorentz system but it is not cheap. Around $6,000 all up (well, that was 10 years ago). The pump controller cost about $700.

The pump is a 3phase submersible with a small float switch fitted above the pump so that the pump never runs dry. The controller produces a square wave 3 phase.

The system does not use batteries, however, it can be configured to do so. The pump controller is fed from 4 amorphous silicon (flexible plastic) panels @ 12v each x 65 watt in series giving an open circuit voltage of around 60volts. The controller manages the float switches and converts the solar power to the 3phase etc.

The pump I'm using is a 250 watt unit. The bore depth to water is 40ft with a 12ft sump and the head above ground is a further 30ft. It pumps at about a garden sprinkler rate which is more than enough for us.

Question, If the bore pumps you are looking at are 24v submersible, are they DC24v or 3phase like mine?
David M.
 
Gizmo

Admin Group

Joined: 05/06/2004
Location: Australia
Posts: 5177
Posted: 12:47pm 23 Mar 2015
Copy link to clipboard 
Print this post

Have a look at this page I put together about my 12v solar pump.

http://www.thebackshed.com/windmill/articles/SolarPump.asp

The pumps are cheap, about $30 off ebay, and last 6 or so months before they start to have issues. At that price, I just buy another one and use the old pumps for spare parts.

You would need to hang the pump down into the bore so its a few feet above the water level, with a water inlet pipe way down below the water level. A little float switch like this one could be attached to the pump so it hangs a foot or so below the pump.

The Picaxe, as well as acting as a solar char regulator, could use this float switch to know when its OK to cycle the pump.

With a bit of shopping around you could build a system for less than $200, including the pump.

Glenn
The best time to plant a tree was twenty years ago, the second best time is right now.
JAQ
 
norcold

Guru

Joined: 06/02/2011
Location: Australia
Posts: 670
Posted: 02:44pm 23 Mar 2015
Copy link to clipboard 
Print this post

Below is a 24v submersible bore pump on ebay, I have 3 of these, two in service one as spare. First commissioned in August14 other Jan 15, they are operating AOK, in fact better than the more expensive Shurflo bore pump, the first replaced. For a controller google pump controller kits you will find one to suit your needs,10amp is ample, as Gizmo has recommended fit a float pump switch, if you have a limited supply. Other alternative is a Lorentz system it will come complete with low water cutoff, and controller, I have one of these fitted to a bore since 06 very little drama.

http://www.ebay.com.au/itm/DC-24V-Solar-Submersible-Deep-Well-Watering-Water-Pump-Battery-Alternate-Energy-/111277220412 ?pt=LH_DefaultDomain_15&hash=item19e8a3a23c
We come from the land downunder.
Vic
 
rustyrod

Senior Member

Joined: 08/11/2014
Location: Australia
Posts: 121
Posted: 03:21pm 24 Mar 2015
Copy link to clipboard 
Print this post

Did not sleep well last night and I got tired of counting sheep, so started the "Always Thinking"

Sorry Hoffy I can not help at all with a micro-controller program.

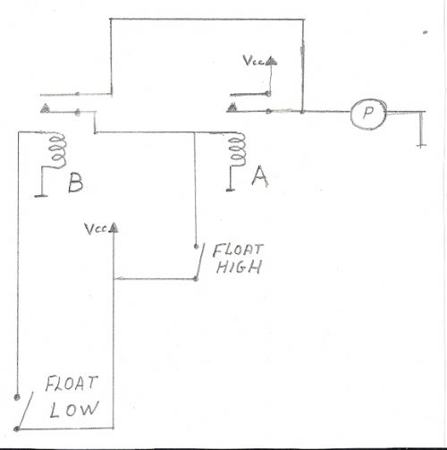
Here is a circuit that uses 2 by $1.85 Floats



This will cycle as the level rises and falls. 24/365

Explanation; When the water level is high, both floats will have risen, closing both switches and therefore both relays --- pump runs.

As the level drops float "High" will switch off BUT the relay "A" will be latched "ON" by relay "B" ---- so pump continues to run.

When the level drops below float "low" then relay "B" is deactivated thereby cutting the power to relay "A" ----- pump stops.

When the water rises float "low" closes energizing relay "B" closing it's contacts so waiting for float "high" to switch on relay "A" and the pump on again.

The floats could be screwed to different lengths of small pvc pipe to suspend them at the required depth.

Sample of relays voltage --- to suit the voltage.

If only your MPPT had a load circuit

RE Gizmo's "Pump controller" I think I could make it work on 24 volts by changing resistors 15k and 22k that sense the voltages, BUT come on where do I connect the sensor rods or even the floats (pins 9 and 10, oops it doesn't have any?)

Then the program write, "simples" for some. This is what you really need, Hoffy?

I wonder when you get a little more sorted if a post in "microprocessors" may get you a hint?



Always Thinking
 
Hoffy
Newbie

Joined: 22/03/2015
Location: Australia
Posts: 3
Posted: 06:25pm 24 Mar 2015
Copy link to clipboard 
Print this post

Thanks for all the info guys!!
 
Print this page


To reply to this topic, you need to log in.

The Back Shed's forum code is written, and hosted, in Australia.
© JAQ Software 2026