Home
JAQForum Ver 24.01
Log In or Join  
Active Topics
Local Time 11:05 30 Apr 2026 Privacy Policy
Jump to

Notice. New forum software under development. It's going to miss a few functions and look a bit ugly for a while, but I'm working on it full time now as the old forum was too unstable. Couple days, all good. If you notice any issues, please contact me.

Forum Index : Microcontroller and PC projects : [Electronics] 555 Monostable test

     Page 2 of 2    
Author Message
circuit
Guru

Joined: 10/01/2016
Location: United Kingdom
Posts: 304
Posted: 05:30am 25 Jun 2022
Copy link to clipboard 
Print this post

Your textbook looks most interesting - what textbook is it?
 
Mixtel90

Guru

Joined: 05/10/2019
Location: United Kingdom
Posts: 8782
Posted: 06:32am 25 Jun 2022
Copy link to clipboard 
Print this post

@Tony:
That was extremely interesting! Thanks. As you say, you can never be entirely sure that what your instruments are telling you is the whole truth.
Mick

Zilog Inside! nascom.info for Nascom & Gemini
Preliminary MMBasic docs & my PCB designs
 
phil99

Guru

Joined: 11/02/2018
Location: Australia
Posts: 3166
Posted: 07:23am 25 Jun 2022
Copy link to clipboard 
Print this post

A 10nF to 100nF between pins 1 & 2  should overcome the problem.
 
lizby
Guru

Joined: 17/05/2016
Location: United States
Posts: 3743
Posted: 12:37pm 25 Jun 2022
Copy link to clipboard 
Print this post

Tony--thanks very much for those shots and that explanation.

Tom--you see what mysteries within mysteries you get into when you stray from the true path of zeroes and ones. I try never to.
PicoMite, Armmite F4, SensorKits, MMBasic Hardware, Games, etc. on FOTS
 
thwill

Guru

Joined: 16/09/2019
Location: United Kingdom
Posts: 4367
Posted: 03:28pm 25 Jun 2022
Copy link to clipboard 
Print this post

Hi folks,

Thanks for all the assistance, especially to Tony who went "above and beyond".

  tgerbic said  Now here is what I found interesting. I used my Fluke 45 DMM to measure the voltage
at pin 2. Each time I touched the positive lead to pin 2 the circuit would trigger. Further
investigation showed that this did not happen if I used a 10M resistor in place of the DMM, assuming
the DMM presented 10M when it touched pin 2. Hmmmm...  I found if I used a resistor lower than 4.5K
the circuit would trigger just like touching the DMM positive lead. However this cannot be it.


You lost me, what were the other end of these 10M and 4.5K resistors attached to? Assuming you
aren't just waving isolated resistors in the air like magic wands - I tried that and was glad to
see nothing happened, if it had then I might have sworn off electronics for good .

- The book I'm learning electronics from is "Make: Electronics" by Charles Platt
  (ISBN 978-1-680-45026-2) which is VERY clearly illustrated and AFAIK accurate; though as a
  beginner text I'm suprised he didn't mention that this issue might be present for this
  particualr exercise, even though he might need to gloss over the details. I have the 2nd Edition,
  I believe there is a 3rd Edition now.

- A (nominally) 100nF cap between pins 1 & 2 fixed the problem.

- I also built the 555 oscillator linked by Turbo64 and tested my suspect 22uF tantalums,
  20% of them wouldn't "oscillate" and are now in the bin.

- I'm now moving on. I have my PicoGAME constructed (with a shiny new tantalum rather than one of
  the suspects) and I need to integrate controller support and finish my game.

Thanks again,

Tom
Edited 2022-06-26 01:29 by thwill
MMBasic for Linux, Game*Mite, CMM2 Welcome Tape, Creaky old text adventures
 
TassyJim

Guru

Joined: 07/08/2011
Location: Australia
Posts: 6511
Posted: 10:04pm 25 Jun 2022
Copy link to clipboard 
Print this post

  thwill said  
You lost me, what were the other end of these 10M and 4.5K resistors attached to? Assuming you
aren't just waving isolated resistors in the air like magic wands - I tried that and was glad to
see nothing happened, if it had then I might have sworn off electronics for good .

Every meter puts some load on the circuit when you connect it. A typical digital multimeter will have the same effect as putting a 10 meg resistor, in this case between pin 2 and ground. An old style analogue meter will have much lower resistance.
You can place a resistor from pin 2 to ground to test the effect of various meters.
There is also some capacitance which we (and the specification data for the multimeters) tend to ignore. Even a small capacitor looks like a short circuit until it gets charged up and it was this capacitance 'short' that was briefly pulling pin 2 down to ground when you applied the meter.

Putting a capacitor that is much larger than the meters capacitance at pin 2 allows the stored charge of the capacitor to be used to charge the meters capacitor without bringing the pin level down too low.

Now I am going to measure the capacitance on my meters. I know my main meter specifies 50pF but that is only for the capacitance ranges. It is silent for the other settings.

Does that confuse you even more?

Jim
VK7JH
MMedit
 
Turbo46

Guru

Joined: 24/12/2017
Location: Australia
Posts: 1692
Posted: 10:29pm 25 Jun 2022
Copy link to clipboard 
Print this post

Here is a partial circuit for a DMM input. Notice the 'compensation' capacitors used to flatten the frequency response for the AC ranges. They would be causing the triggering of the 555.



Test instruments can affect the circuit that you are testing.

Bill
Keep safe. Live long and prosper.
 
phil99

Guru

Joined: 11/02/2018
Location: Australia
Posts: 3166
Posted: 04:06am 26 Jun 2022
Copy link to clipboard 
Print this post

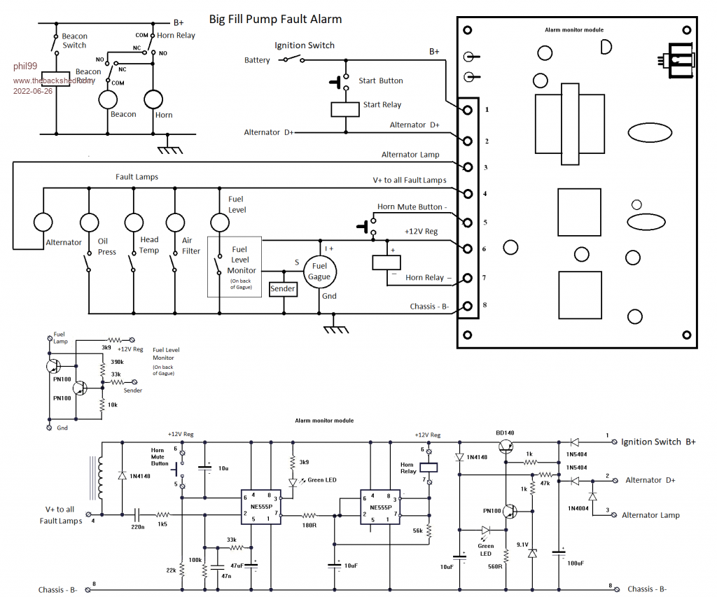
Much of the above is about the problem of triggering on transients. Below is an example of where you want it to trigger on transients. The local fire brigade was building up a large trailer mounted diesel pump and wanted something more than just the usual engine warning lights. The idea I came up with was to put an inductor in series with the supply to the engine fault lamps. When ever there is a sudden increase in current the transient produced by the inductor triggers and latches a 555. A mute button resets it, ready for the next fault. Another 555 pulses a horn and the Water Point beacon (no matter whether the beacon is switched on or off).

 
tgerbic
Senior Member

Joined: 25/07/2019
Location: United States
Posts: 111
Posted: 05:19am 26 Jun 2022
Copy link to clipboard 
Print this post

thwill,


You lost me, what were the other end of these 10M and 4.5K resistors attached to?

[tony] sorry about that.  The resistors were each tried in place of DMM, so hooked between ground and pin 2. The idea was first to check to see if adding a 10M resistive load would cause the circuit to trigger. It did not. I tried some lower values at 10K and 1K to see if either triggered, which did with 1K. So just tried a couple to see how low the resistance needed to be to trigger it. Though the 4.5K would, it make very little sense that this could be the cause, so went looking for another reason.

- The book I'm learning electronics from is "Make: Electronics" by Charles Platt

[tony] Just curious. There are a lot of books with 555 training in them dating back to the 70s era "Bug Books". Did not recognize that book.

- A (nominally) 100nF cap between pins 1 & 2 fixed the problem.

[tony] Though it would fix the false triggering (not actually something wrong, as it is behaving as expected considering the characteristics of the DMM), it did not explain why it was happening. Figuring out the actual problem can be an unexpected opportunity to learn something useful.
 
tgerbic
Senior Member

Joined: 25/07/2019
Location: United States
Posts: 111
Posted: 05:35am 26 Jun 2022
Copy link to clipboard 
Print this post

Turbo46,

I looked at a couple of DMMs and see a comp cap near the input. Looked at both of the analog meters I used and they don't have a comp cap on the DC inputs (not needed).

Perhaps the take away from this is that having the same path to the measurement circuitry for DC and AC in a meter, like a DMM, affects the DC path. Money saved for the DMM manufacturer but adds a bit of puzzling behavior for the DMM user.

tony
 
phil99

Guru

Joined: 11/02/2018
Location: Australia
Posts: 3166
Posted: 07:43am 26 Jun 2022
Copy link to clipboard 
Print this post

Tested a couple of meters on a cheap component tester.
Fluke 177 shows up as a 52pF cap.
Vichy VC99 shows up as a 9974k resistor - call it 10M.
 
Turbo46

Guru

Joined: 24/12/2017
Location: Australia
Posts: 1692
Posted: 12:58pm 26 Jun 2022
Copy link to clipboard 
Print this post

FWIW the next edition of that book does not include the test that started this post and the circuit diagram matches the breadboard.

Bill
Keep safe. Live long and prosper.
 
thwill

Guru

Joined: 16/09/2019
Location: United Kingdom
Posts: 4367
Posted: 01:43pm 26 Jun 2022
Copy link to clipboard 
Print this post

  Turbo46 said  FWIW the next edition of that book does not include the test that started this post and the circuit diagram matches the breadboard.


Don't tell me you bought a copy Bill ... presumably an eBook unless Amazon delivery times are even more miraculous in Oz.

Perhaps I'll have more follow-up on this topic tomorrow, but it's not today's focus.

Best wishes,

Tom
MMBasic for Linux, Game*Mite, CMM2 Welcome Tape, Creaky old text adventures
 
Turbo46

Guru

Joined: 24/12/2017
Location: Australia
Posts: 1692
Posted: 06:16am 27 Jun 2022
Copy link to clipboard 
Print this post

No Tom, I found a copy that I could have a look at.

Bill
Keep safe. Live long and prosper.
 
thwill

Guru

Joined: 16/09/2019
Location: United Kingdom
Posts: 4367
Posted: 11:37am 28 Jun 2022
Copy link to clipboard 
Print this post

Thanks again everyone, I know a little more now, one day I may even know enough to be dangerous .

Incidentally my cheap Chinese component tester reads both my DMMs as 10M? resistors.

Best wishes,

Tom
MMBasic for Linux, Game*Mite, CMM2 Welcome Tape, Creaky old text adventures
 
thwill

Guru

Joined: 16/09/2019
Location: United Kingdom
Posts: 4367
Posted: 11:37am 28 Jun 2022
Copy link to clipboard 
Print this post

Deleted - TBS reported an error (presumably with the ohm symbol) but then posted it anyway
Edited 2022-06-28 21:40 by thwill
MMBasic for Linux, Game*Mite, CMM2 Welcome Tape, Creaky old text adventures
 
thwill

Guru

Joined: 16/09/2019
Location: United Kingdom
Posts: 4367
Posted: 11:38am 28 Jun 2022
Copy link to clipboard 
Print this post

Ditto
Edited 2022-06-28 21:40 by thwill
MMBasic for Linux, Game*Mite, CMM2 Welcome Tape, Creaky old text adventures
 
thwill

Guru

Joined: 16/09/2019
Location: United Kingdom
Posts: 4367
Posted: 11:38am 28 Jun 2022
Copy link to clipboard 
Print this post

Ditto - at least it makes my posting stats look good .
Edited 2022-06-28 21:41 by thwill
MMBasic for Linux, Game*Mite, CMM2 Welcome Tape, Creaky old text adventures
 
     Page 2 of 2    
Print this page


To reply to this topic, you need to log in.

The Back Shed's forum code is written, and hosted, in Australia.
© JAQ Software 2026