Home
JAQForum Ver 24.01
Log In or Join  
Active Topics
Local Time 14:24 29 Apr 2026 Privacy Policy
Jump to

Notice. New forum software under development. It's going to miss a few functions and look a bit ugly for a while, but I'm working on it full time now as the old forum was too unstable. Couple days, all good. If you notice any issues, please contact me.

Forum Index : Microcontroller and PC projects : Need help with control for push/pull mosfets

     Page 1 of 2    
Author Message
Frank N. Furter
Guru

Joined: 28/05/2012
Location: Germany
Posts: 1083
Posted: 08:35am 10 Feb 2023
Copy link to clipboard 
Print this post

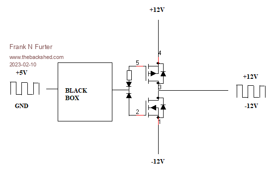
Hello to all,
I have a +5V/GND square wave voltage which I want to convert to a +/-12V square wave voltage using two mosfets.





My attempts under LTspice to control the mosfets with transistors have not worked so far - can anyone help me?

Many thanks!

Frank
 
Volhout
Guru

Joined: 05/03/2018
Location: Netherlands
Posts: 5863
Posted: 09:29am 10 Feb 2023
Copy link to clipboard 
Print this post

Hi Frank,

What is the desired switching frequency, what are the FET's you envision. Are the -12V and +12V hard DC voltages, or is there ripple. IS the system switching continuous when operating, or is there a requirement that it could be static -12V or static +12V (can you use AC-coupling to the gates of the FET's).

Do you need a "hobby" solution or something ribust that can be used in customer application ?

Regards,

Volhout
PicomiteVGA PETSCII ROBOTS
 
Frank N. Furter
Guru

Joined: 28/05/2012
Location: Germany
Posts: 1083
Posted: 09:54am 10 Feb 2023
Copy link to clipboard 
Print this post

Hi Volhout,
thanks for your response!

At the moment it is solved via an operational amplifier. Unfortunately, this does not work rail-to-rail and suitable operational amplifiers are currently not readily available (and/or very expensive). However, voltages as close as possible to + and - 12V are needed.
The space on the board is also very limited!
Only a maximum of +/- 12mA at 1 kHz switching frequency is required. There is also a state where +12V are output continuously instead of switching (this is the OFF state).

Usually I use the IRLML5203TRPBF as P-FET and the IRLML0030TRPBF as N-FET. I don't know yet which FET's would be best for this application....

And yes, I need a robust solution that can be used in a customer application.

Frank
 
Mixtel90

Guru

Joined: 05/10/2019
Location: United Kingdom
Posts: 8782
Posted: 10:28am 10 Feb 2023
Copy link to clipboard 
Print this post

I don't suppose 5V GND can be common to -12V by any chance can it? That would simplify things a lot. Otherwise I suspect you'll be stuck with the op-amp or some sort of isolated driver. Maybe opto-coupling?
Mick

Zilog Inside! nascom.info for Nascom & Gemini
Preliminary MMBasic docs & my PCB designs
 
matherp
Guru

Joined: 11/12/2012
Location: United Kingdom
Posts: 11251
Posted: 10:29am 10 Feb 2023
Copy link to clipboard 
Print this post

LM393B ?
 
Volhout
Guru

Joined: 05/03/2018
Location: Netherlands
Posts: 5863
Posted: 11:28am 10 Feb 2023
Copy link to clipboard 
Print this post

  matherp said  LM393B ?


The 1kHz can be handled by a comparator. If you use a LM393 it will sink below 1V to switch off the -12V N-channel FET. It needs a pullup to reach the +12V. With 6mA sink capability, you can go as low as (12+12)/0.006=4k ohm. I used 4.7k

This is a very simpel circuit. Since there is a moment in time where both FET's are conducting (when the output if the comparator is between -7V and +7V) there will be peak current in the FET's and power supply. To limit this current the 12 ohm resistor is added.

Be aware that this circuit drives the gates between 0V an (12+12)V. So you need to use FET's that can handle 30V as Vgs. Also for the P-FET.

The comparator input compares the LOGIC IN signal with 2.5V. That is half the voltage of the 5V.





Regards,

Volhout

P.S. the circuit can be enhanced and tuned by using the other half of the LM393 dual comparator and an externa transistor. But that may not be needed.
PicomiteVGA PETSCII ROBOTS
 
phil99

Guru

Joined: 11/02/2018
Location: Australia
Posts: 3166
Posted: 12:01pm 10 Feb 2023
Copy link to clipboard 
Print this post

Adding to Volhout's circuit switch-on delays to reduce the need for R4.
The values of the resistors will depend on the gate capacitance and the required delay, which should be slightly longer than the switch off time. I guess the circuit simulator can work it out.
 
Frank N. Furter
Guru

Joined: 28/05/2012
Location: Germany
Posts: 1083
Posted: 12:17pm 10 Feb 2023
Copy link to clipboard 
Print this post

Hmm, this looks very similar to the current realization:



Unfortunately I don't have room to put the LM393B and the mosfets.  

Is there no possibility to do without the LM393B and to realize it with transistors?

Internally, it is also only set up as an open collector:




Frank
 
Mixtel90

Guru

Joined: 05/10/2019
Location: United Kingdom
Posts: 8782
Posted: 01:03pm 10 Feb 2023
Copy link to clipboard 
Print this post

Opto-isolator with transistor output. Mosfet gates have a resistor up to +12 and the opto down to -12. The Pico output is simply the opto input via a resistor. Two resistors and a 6-pin DIL. Should be fine well over 1kHz. Done.  :)  Ok, you'll get a little dissipation in the mosfets during the switching time of the opto (they can be pretty fast though) but if that's of concern your mosfets aren't big enough or need a heatsink. You also have the option of isolating the control and output voltages completely if you wish.
Mick

Zilog Inside! nascom.info for Nascom & Gemini
Preliminary MMBasic docs & my PCB designs
 
Volhout
Guru

Joined: 05/03/2018
Location: Netherlands
Posts: 5863
Posted: 01:08pm 10 Feb 2023
Copy link to clipboard 
Print this post

@mixtel90: analog optoisolators are not fast enough.

Digital opto isolators may work fine (i.e. Toshiba TLP2745 (totempole output) can be powered from +12V and GND and drive the P-FET, powered between GND and -12V and drive the N-FET).

The LF353 is a poor choice. At +/-12V the output can go from +10V to -10V. It may not turn off the FET completely. It is fast though (for an OPAMP).
Edited 2023-02-10 23:12 by Volhout
PicomiteVGA PETSCII ROBOTS
 
Frank N. Furter
Guru

Joined: 28/05/2012
Location: Germany
Posts: 1083
Posted: 01:23pm 10 Feb 2023
Copy link to clipboard 
Print this post

@Volhout:

The LF353 IS currently the operational amplifier - it generates a signal from about +11.4V to -10.4V (WITHOUT additional mosfets). I would need a bit more voltage in the negative range...

@Mixtel90:

I had just tried that with the opto. In the simulation it seems to work - I would have in any case no place for it!



The OPA2171AID would probably work in my current circuit (without mosfets) - unfortunately it's poorly available (and too expensive)...


Frank
 
circuit
Guru

Joined: 10/01/2016
Location: United Kingdom
Posts: 304
Posted: 03:29pm 10 Feb 2023
Copy link to clipboard 
Print this post

Do you actually need separate + and - 12 volt feeds? Would a simple H-bridge not do the trick - just reversing the single 12 volt feed at 1KHz is so easy. At the low current that you require you could switch it with a single L293D chip.

Edit; furthermore, a quick check shows that this is one chip that does not seem to be in short supply.
Edited 2023-02-11 01:31 by circuit
 
Volhout
Guru

Joined: 05/03/2018
Location: Netherlands
Posts: 5863
Posted: 03:37pm 10 Feb 2023
Copy link to clipboard 
Print this post

The L293 is far worse than the current LF353 opamp.
The outputs cannot drive rail to rail, and since you have a bridge (using 2 outputs) the problem doubles.



PicomiteVGA PETSCII ROBOTS
 
Volhout
Guru

Joined: 05/03/2018
Location: Netherlands
Posts: 5863
Posted: 03:44pm 10 Feb 2023
Copy link to clipboard 
Print this post

What about some classic bipolar junction transistor fun...

This is super simple, super cheap, but may require board area you do not have...
Although in SMT parts (dual transistors in SOT23-6) and small 0603 resistors...

No FET's, just use the transistors to drive the 12mA





This will work with 5V and also with 3.3V....
As long as you keep the resistors 1k and 10k

Regards,

Volhout
Edited 2023-02-11 01:52 by Volhout
PicomiteVGA PETSCII ROBOTS
 
Mixtel90

Guru

Joined: 05/10/2019
Location: United Kingdom
Posts: 8782
Posted: 05:03pm 10 Feb 2023
Copy link to clipboard 
Print this post

I suspect that even a 6N138 would be plenty fast enough for 1kHz. Probably 10kHz.
However, if there's no board space then it's immaterial. :) It's about the same space as an op-amp unless you are thinking SMD.
Mick

Zilog Inside! nascom.info for Nascom & Gemini
Preliminary MMBasic docs & my PCB designs
 
Frank N. Furter
Guru

Joined: 28/05/2012
Location: Germany
Posts: 1083
Posted: 06:27pm 10 Feb 2023
Copy link to clipboard 
Print this post

This is a very interesting circuit, thank you! However, in the simulation I achieve only a little less than -10V and about +11V.



I tried it with BC807 an BC817...

Frank
 
Volhout
Guru

Joined: 05/03/2018
Location: Netherlands
Posts: 5863
Posted: 09:09pm 10 Feb 2023
Copy link to clipboard 
Print this post

Hi Frank,

Please use BC557 and BC547. The BC807 and BC817 are darlingtons, and do not work well in this circuit.
Or use:
NPN: BC548, BC549, BC550, BC337
PNP: BC558, BC559, BC560, BC327

Succes
PicomiteVGA PETSCII ROBOTS
 
phil99

Guru

Joined: 11/02/2018
Location: Australia
Posts: 3166
Posted: 09:23pm 10 Feb 2023
Copy link to clipboard 
Print this post

Hi Frank,
In your simulation of Volhout's circuit you have omitted the source resistance of the 2V5 supply (1k / 2 = 500R). that is important as it sets the base current for the output transistors. My experience with similar circuits suggests you should get within 0.3V of the 12V rails.

Edit
PN100 / PN200 transistors have a Vce(sat) of 150mV @ Ic = 100mA
or  Vce(sat) of under 50mV @ Ic = 10mA

Should give you 11.94V or better at 12mA.
.
Edited 2023-02-11 09:13 by phil99
 
Frank N. Furter
Guru

Joined: 28/05/2012
Location: Germany
Posts: 1083
Posted: 03:25pm 11 Feb 2023
Copy link to clipboard 
Print this post

@Volhout:

Darlingtons??? The BC807 is the SMD form of BC327 and the BC817 of BC337...
(the selection of transistors is unfortunately very limited in my program...)

@phil99:
THAT'S IT!!! YOU ARE RIGHT! For simplicity I just took a voltage source with 2,5V - if I put a voltage divider to 5V it works!!!!




Thank you both so much!!!

Frank
 
Volhout
Guru

Joined: 05/03/2018
Location: Netherlands
Posts: 5863
Posted: 04:30pm 11 Feb 2023
Copy link to clipboard 
Print this post

Sorry Frank, you are right. The 807 and 817 are not darlingtons. Wrong memory...

Good luck with the circuit.

Volhout
PicomiteVGA PETSCII ROBOTS
 
     Page 1 of 2    
Print this page
The Back Shed's forum code is written, and hosted, in Australia.
© JAQ Software 2026