Home
JAQForum Ver 24.01
Log In or Join  
Active Topics
Local Time 11:40 28 Apr 2026 Privacy Policy
Jump to

Notice. New forum software under development. It's going to miss a few functions and look a bit ugly for a while, but I'm working on it full time now as the old forum was too unstable. Couple days, all good. If you notice any issues, please contact me.

Forum Index : Microcontroller and PC projects : Ready to run PicoMiteVGA for GBP25 - good price?

     Page 1 of 7    
Author Message
matherp
Guru

Joined: 11/12/2012
Location: United Kingdom
Posts: 11250
Posted: 06:37pm 15 Mar 2023
Copy link to clipboard 
Print this post

I have designed a ground up PicoMiteVGA including 16Mbyte Flash, DS1321 RTC, Volhout's high spec audio filter, micro-SD, PS2 etc.

This doesn't use the Pico but is built from the RP2040. Every component used is available in quantity from JLC and the price above includes them soldering everything.
i.e. for a complete ready-to-run board

I have included a Pico footprint so you could add any of the Pico format modules (e.g. GPS)

Unlike the Pico all pins are broken out.

The majority of the price is in the "non-standard" components - the RTC itself is GBP3 and then things like the SDcard slot, PS2 connector, VGA connector all add to the price but, of course, this is true for a board you build yourself.

If this seems interesting I will get a couple of board made to find and fix any errors.

I love the JLC visualisation software - you can even see the through hole pins sticking through the board
The board is 75x67mm double sided so cheap as chips but uses small components so I wouldn't recommend hand soldering

Schematic FYI


PicoMiteVGA - Project.pdf















Edited 2023-03-16 05:01 by matherp
 
okwatts
Regular Member

Joined: 27/09/2022
Location: Canada
Posts: 64
Posted: 07:02pm 15 Mar 2023
Copy link to clipboard 
Print this post

Very nice looking Peter, likely worth a few boards to gauge interest. I think you intended NOT hand soldered (at least for me) but would be interesting to see prices as bare board, BB and all SMD in place and total assembled.
Larry
OOPs missed the wouldn't --too excited to view and missed the negation!
Edited 2023-03-16 05:04 by okwatts
 
Mixtel90

Guru

Joined: 05/10/2019
Location: United Kingdom
Posts: 8781
Posted: 10:02pm 15 Mar 2023
Copy link to clipboard 
Print this post

That's very nice indeed. Is it a micro USB (which it looks like) for power or USB-C?
Mick

Zilog Inside! nascom.info for Nascom & Gemini
Preliminary MMBasic docs & my PCB designs
 
phil99

Guru

Joined: 11/02/2018
Location: Australia
Posts: 3164
Posted: 10:05pm 15 Mar 2023
Copy link to clipboard 
Print this post

Not enough pins for USB-C
 
Mixtel90

Guru

Joined: 05/10/2019
Location: United Kingdom
Posts: 8781
Posted: 10:21pm 15 Mar 2023
Copy link to clipboard 
Print this post

True, which is a pity.
Mick

Zilog Inside! nascom.info for Nascom & Gemini
Preliminary MMBasic docs & my PCB designs
 
Volhout
Guru

Joined: 05/03/2018
Location: Netherlands
Posts: 5862
Posted: 11:25pm 15 Mar 2023
Copy link to clipboard 
Print this post

Peter,

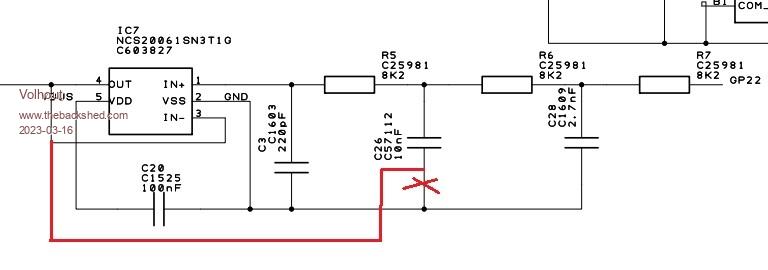
C22 and C26 should connect to the opamp outputs, not to ground.

Volhout
PicomiteVGA PETSCII ROBOTS
 
Hawk

Senior Member

Joined: 15/07/2021
Location: Australia
Posts: 151
Posted: 02:46am 16 Mar 2023
Copy link to clipboard 
Print this post

Peter,

Your design looks good.  The only downside that I can see is that once you put it into a case, the press buttons aren't accessible.  I'm guessing that it adds to the cost to make the right-angle on the edge of the PCB.

A good trick that many cheap TV boxes do is to put a right-angle boot switch at the end of the stereo socket so that it can be pushed by a toothpick as the unit is turned on.  It's usually only required when re-flashing the firmware.  Something to consider.

From a purchasing perspective, would they need to be purchased via you in the UK, or could they be purchased directly from JLC PCB?

Mike
 
atmega8

Guru

Joined: 19/11/2013
Location: Germany
Posts: 738
Posted: 07:21am 16 Mar 2023
Copy link to clipboard 
Print this post

Peter,

fair and good price. Very nice design. I am interested, hope the shipping costs will not „explode“.
Dietmar
 
Mixtel90

Guru

Joined: 05/10/2019
Location: United Kingdom
Posts: 8781
Posted: 08:21am 16 Mar 2023
Copy link to clipboard 
Print this post

I was looking at shipping costs for the PicoMite VGA as a ready-built the other day. IIRC it was in the region of 7.00 UKP to just about anywhere, but there would still be the cost of packing materials - and without bulking it up to take it over the "Large Letter" rate. This board should be about the same as it's pretty rigid so would probably be fine in a padded bag.

If you want to case something like this and you *really need* an accessible reset button then wire your own in parallel. Or drill a hole in the case. :)

Pity about uUSB just as the EU and several other countries have finalised on USB-C for all domestic products. :) I know they are more expensive and a bit bigger, but the difference in cost can't be massive as they are becoming common now. Even Apple have had to accept it or not sell into the EU.
Mick

Zilog Inside! nascom.info for Nascom & Gemini
Preliminary MMBasic docs & my PCB designs
 
matherp
Guru

Joined: 11/12/2012
Location: United Kingdom
Posts: 11250
Posted: 09:12am 16 Mar 2023
Copy link to clipboard 
Print this post

Just to be clear, if I take this forward I will be making the gerbers, BOM, and CPL (component position listing) freely available to anyone who wants to use them. I will not be supplying them. If anyone wants to make them and supply them on a semi-commercial basis (a la CMM2) that is completely fine but it won't be me.
The price of GBP25 is the absolute minimum to get a board of this sort made to this spec by an individual/small company - a large manufacturer could possibly get a bit lower.
 
Mixtel90

Guru

Joined: 05/10/2019
Location: United Kingdom
Posts: 8781
Posted: 09:21am 16 Mar 2023
Copy link to clipboard 
Print this post

Thanks for clearing that up, Peter. I must admit that I was wondering.
Mick

Zilog Inside! nascom.info for Nascom & Gemini
Preliminary MMBasic docs & my PCB designs
 
Volhout
Guru

Joined: 05/03/2018
Location: Netherlands
Posts: 5862
Posted: 09:29am 16 Mar 2023
Copy link to clipboard 
Print this post

@Peter,

This needs fixing (both channels L and R)





Volhout
Edited 2023-03-16 19:31 by Volhout
PicomiteVGA PETSCII ROBOTS
 
matherp
Guru

Joined: 11/12/2012
Location: United Kingdom
Posts: 11250
Posted: 09:33am 16 Mar 2023
Copy link to clipboard 
Print this post

Done thanks
 
JohnS
Guru

Joined: 18/11/2011
Location: United Kingdom
Posts: 4304
Posted: 10:40am 16 Mar 2023
Copy link to clipboard 
Print this post

Sounds like a really good idea & price.

When ordering, do you know if JLCPCB would impose a minimum quantity (other than one) & if so how many?

(If ordering I guess I'd get at least 2, anyway, unless that causes some issue.)

John
 
matherp
Guru

Joined: 11/12/2012
Location: United Kingdom
Posts: 11250
Posted: 10:43am 16 Mar 2023
Copy link to clipboard 
Print this post

Minimum is 5xPCB with 2 built. PCB cost is so low as to be irrelevant GBP1.65 for 5

Note that if ordering yourself you can leave off any components you don't want and save cost. e.g. leave off the RTC and save GBP3 per board.

This could include leaving off the VGA components if you just want a normal PicoMite with the SDcard/audio etc. all wired and guaranteed working.

Just delete the unwanted components from the BOM and CPL (both excel files)

As can be seen in the pics the PCB is organised in modular areas: VGA, audio, SD, PS2, RTC so it is easy to know what can be omitted for each function
Edited 2023-03-16 20:57 by matherp
 
matherp
Guru

Joined: 11/12/2012
Location: United Kingdom
Posts: 11250
Posted: 11:12am 18 Mar 2023
Copy link to clipboard 
Print this post

See the EasyEDA thread for a USB-C version
 
matherp
Guru

Joined: 11/12/2012
Location: United Kingdom
Posts: 11250
Posted: 02:23pm 01 Apr 2023
Copy link to clipboard 
Print this post

I've finalised the design having eventually found a nice SMT 4.7mH inductor.





So I've sent the files off to JLC to build. Will report on receipt.

Final spec is:
RP2040
16Mbyte flash
DS3231 RTC
micro-SD slot
PS2 I/F
VGA output
All pins broken out so 13 pins unused: 4 analog (GP26-GP29), and GP0 to GP7 + GP24
linear regulator
USB-C
Boot and reset switches

All parts in stock at JLC so it can be built by them as a complete fully working unit

My experience is that Volhout's inductor based filter is by far the best at removing the 44.1Khz and leaving a really nice clean output.






VGAMite.pdf
 
Mixtel90

Guru

Joined: 05/10/2019
Location: United Kingdom
Posts: 8781
Posted: 05:04pm 01 Apr 2023
Copy link to clipboard 
Print this post

That looks very nice, Peter. :)
Mick

Zilog Inside! nascom.info for Nascom & Gemini
Preliminary MMBasic docs & my PCB designs
 
Turbo46

Guru

Joined: 24/12/2017
Location: Australia
Posts: 1692
Posted: 12:00am 02 Apr 2023
Copy link to clipboard 
Print this post

Very nice indeed! Great for those who don't want to build their own or wants a second unit to dedicate to a particular task. I hope someone will take it up and sell it as a going concern.

Bill
Keep safe. Live long and prosper.
 
Mixtel90

Guru

Joined: 05/10/2019
Location: United Kingdom
Posts: 8781
Posted: 07:01am 02 Apr 2023
Copy link to clipboard 
Print this post

It's always the same problem. Are you going to pay the equivalent of 52 UKP direct to JLCPCB for two boards and have them shipped direct or are you going to pay 36 UKP for one and have it shipped via the UK? If the latter, and you then decide to get another one or two for friends will you still pay that one-off price or will you buy direct and leave the guy in the UK with unsold stock? Postage & packing charges are, unfortunately, not cheap unless you are a Chinese seller and they are subsidized.
Mick

Zilog Inside! nascom.info for Nascom & Gemini
Preliminary MMBasic docs & my PCB designs
 
     Page 1 of 7    
Print this page
The Back Shed's forum code is written, and hosted, in Australia.
© JAQ Software 2026