Home
JAQForum Ver 24.01
Log In or Join  
Active Topics
Local Time 14:46 28 Apr 2026 Privacy Policy
Jump to

Notice. New forum software under development. It's going to miss a few functions and look a bit ugly for a while, but I'm working on it full time now as the old forum was too unstable. Couple days, all good. If you notice any issues, please contact me.

Forum Index : Microcontroller and PC projects : Solar Battery fridge Controller

     Page 1 of 2    
Author Message
Bleep
Guru

Joined: 09/01/2022
Location: United Kingdom
Posts: 794
Posted: 02:47pm 01 Jul 2023
Copy link to clipboard 
Print this post

I have had a small solar panel and old car battery for a number of years, which I use to charge all of our mobile devices, torches, bike lights, cameras, the only problem was in the winter, the solar panel couldn't keep up with the demand in a UK winter, so I got a cheap second hand 40W panel and a couple of free half capacity 100Ah leisure batteries.
Now I had far too much power in the summer, could I do anything useful with the excess? I had a small modified sine wave inverter, which was basically free, could I automatically run our fridge and or freezer from the excess power in the summer?
Apparently using a PicoMite I can :-)
I've attached circuit diagram, photos and code, if anyone cares to have a look.
This is very specific to me, in that it allows for Economy 7 use over solar, if available, the inverter can in theory run both fridge and freezer together, it's about 1.2Kw (maybe), however both fridge and freezer take a hefty surge at start up, 50 to 60A from the battery, so my circuit/program sequences the fridge and freezer in turn, to prevent either of them stalling the other during power up, it also powers the inverter on for a couple of seconds before applying the load, again because of a quirk with the inverter that it ramped up it's output voltage, neither fridge or freezer liked this.
I monitor Solar power IN and Inverter power OUT keeping running totals and if the inverter over currents it is shut off and tried again in 10 minutes, if after three attempts it still over currents the controller goes to fail safe and runs the fridges from the mains and raises an alarm.
In full sun, not very likely in the UK, it will still put in too much power to the battery, in theory this does not matter, there is a separate battery charge controller, however this is a resistor shunt type, so gets quite hot, in this unlikely event my controller will run the inverter continuously, as an extra 750mA drain, otherwise the inverter is only on when needed.
A couple of important totals are saved every hour, using VAR SAVE like Total Wh in/out and a couple of others, a log file is written to when a fault occurs and also every midnight. The code runs at an iteration rate of once per second, it did not need to be any faster, I also use the slowest CPU SPEED to save power, it takes about 5mA from the battery continuously, more when the relays are active, but then there is hopefully plenty of solar power. :-)
The only control is a push switch, quick push for display on/off, long push to force the controller in to/out of battery charge only mode, so I can manually force a full battery charge, or bring it out of charge mode if required.
The controller will only ever allow the battery to go to 50% discharge and will only start running the fridges from solar if the battery is reasonably charged and there is at least 2A coming from the panels, otherwise it uses mains power.
I think that just about covers it, other than to say, this was really quite tricky, not from a software/hardware point of view, but because at one end you've got a couple of 12V 100Ah batteries capable of dumping kW of power in to a short circuit and at the other 240V mains supply! Great care required.
Thanks to Geoff and Peter for enabling me to do this.
Yes it will be going into a propper box, with display and push button on front, one day!
Regards, Kevin.

PS you could argue that this is in the wrong forum, but for me it was more about the electronics/software and control than it was the solar.

Circuit diagram

Circuit board

The display cycles through various modes, the top line always shows Input and Output current.
Display showing Total accumulated input and output Wh

Display showing daily input and output Wh

Display showing Battery Voltage and current output Watts

My Solar very small panels, about 60W absolute max, normally in the UK about 45W max.

'Solar charge/discharge monitor & controler
Option EXPLICIT
Option DEFAULT NONE
Option vcc 3.302

Timer =0

Const True=1
Const False=0
'set test flags
Const test=False'for running with no hardware
Const test2=True'for running with printing debug

Const overload=20.0
Const noload=3.6
Const overvolt=14.05
Const battfull=13.5
Const battlow=12.45
Const wait4=4
Const wait6=6
Const wait12=12
Const go=2.00
Const wattsec=2.77777777E-4
Const sec=1000

Dim string txt

'battery cutoff voltage for 40% & 50% battery capacity at different currents
'Dim Float V40(4)=(12.38,12.2,11.8,11.3,11.0) '@1A,5A,10A,20A,33.3A
'Dim Float V50(4)=(12.4,12.25,12.0,11.5,11.2) '@1A,5A,10A,20A,33.3A
Dim Float Iin(4),Volt(4),Iout(4),raw(4,2),hi(2),lo(2)
Dim Float ipi,opi,outi,v,whr,wh(1),daywh(1),wkwh(1),mtwh(1)
Dim Float tot(2),last(2),filter(3,2)
'opamp offset, Input I, Output I, Batt Voltage
Dim Float offset(2)=(-0.0400,-0.0370,-0.008)
'Dim Float offset(2)=(-0.0395,-0.0365,-0.008)
'scaling factor Input I, Output I, Batt Voltage
Dim Float scale(2)=(2.27,28.25,6.795)
'Dim Float scale(2)=(2.28,28.50,6.802)
'Dim Float cor2(2)=(1.0,0.995,1.00)
Dim Integer x,y,tick,filt,idle,charging=0,P1,P2,relay,displ=1,displc
Dim Integer overld,alarm,invon=0,mainsoff,mainsrun,status=3,div(2)
Dim Integer t1=0,t2=-4,rund=0,runon,loopt=sec,hr,lhr=25,show=3,day

If test Then
' wh(0)=4024:wh(1)=3570
' daywh(0)=330:daywh(1)=-220
' wkwh(0)=1200:wkwh(1)=-1002
' mtwh(0)=4500:mtwh(1)=-3500
' day=0
Const rundly=15000'600000'15000
Const overun=30'3600'30
Const hr6=4'21000
Else
SetPin GP25, DOUT
SetPin GP14, DOUT
SetPin GP15, DOUT
SetPin GP16, DOUT
SetPin GP17, DOUT
SetPin GP5, DOUT
SetPin GP26,AIN
SetPin GP27,AIN
SetPin GP28,AIN
SetPin GP0,DIN,Pulldown

Const rundly=600000
Const overun=3600'5400
Const hr6=21000
EndIf

VAR Restore
'end program with all outputs off if program failed.
If MM.Watchdog Then
status=4
Else
ADC open 166666, 3
EndIf

'keep going as long as no major faults
Do While status<>4
WatchDog 2000
'Take 5 readings, find the max and min and remove them
'sum  the remaining values and divide by number of readings used.
'Do this 4 times and then do the same again on those 4 values
For filt=0 To 3
ADC Start Iin(0),Volt(0),Iout(0)
Math Insert raw(),,0,Iin():Math Insert raw(),,1,Iout():Math Insert raw(),,2,Volt()
'loop for each input, I in, I out, Volts.
For y=0 To 2
 tot(y)=0:div(y)=0
'use the first readings as hi & low initially
 hi(y)=raw(0,y):lo(y)=raw(0,y)
'now check the rest
 For x=1 To 4
'  Print raw(x,y),
  If hi(y)<raw(x,y) Then hi(y)=raw(x,y)
  If lo(y)>raw(x,y) Then lo(y)=raw(x,y)
 Next
'Print hi(y),lo(y),
 For x=0 To 4
  If raw(x,y)< hi(y) And raw(x,y)>lo(y) Then Inc tot(y),raw(x,y):Inc div(y)
 Next

 If div(y) Then
  filter(filt,y)=tot(y)/div(y)
 Else
  filter(filt,y)=hi(y)
 EndIf
'Print filter(filt,y)
Next
Next

' Filter out high and low readings again.
For y=0 To 2
div(y)=0:tot(y)=0
'use the first readings as hi & low initially
hi(y)=filter(0,y):lo(y)=filter(0,y)
'now check the rest
For x=1 To 3
 If hi(y)<filter(x,y) Then hi(y)=filter(x,y)
 If lo(y)>filter(x,y) Then lo(y)=filter(x,y)
Next
For x=0 To 3
 If filter(x,y)<hi(y) And filter(x,y)>lo(y) Then Inc tot(y),filter(x,y):Inc div(y)
Next
Next
For y=0 To 2
If div(y) Then
 tot(y)=tot(y)/div(y)
Else
 tot(y)=hi(y)
EndIf
'Add in ADC correction at low voltages.
' If tot(y)< 0.15 Then tot(y)=tot(y)*cor2(y)
'Print tot(y);

'Initialise 'last' values
' If last(2)<0.00001 Then last(y)=tot(y)
'rolling average over last 2 readings
' tot(y)=tot(y)*0.5+last(y)*0.5

' If tot(y)<0.0 Then tot(y)=0.0
Next

Inc tick

' Debug
If test Then
'input current
tot(0)=0.039
' If tick>5 Then tot(0)=0.91
' If tick>90 Then tot(0)=0.0
'output current
tot(1)=0.036
' If tick>42 Then tot(1)=0.22
' If tick>52 Then tot(1)=0.22
' If (tick>40 And tick<45) Or (tick>70 And tick<75) Or (tick>100 And tick<105) Then tot(1)=1.0
tot(2)=1.9
' If tick>5 Then tot(2)=2.2
' If tick>30 Then tot(2)=1.9
' If tick>40 Then tot(2)=1.6
' If tick>50 Then tot(2)=1.6
' If tick>60 Then tot(2)=1.6
' Print tot(0),tot(1),tot(2),Time$
'Print Time$
EndIf
Print tot(0),tot(1),tot(2),Time$

'remove opamp offset, then scale up.
ipi=(tot(0)+offset(0))*scale(0) 'Shunt=0-100A=0-75mV*47(gain)=0-3.5V
opi=(tot(1)+offset(1))*scale(1) 'Shunt=0-8A=0-41mV*81(gain)=0-3.32V

'calc outi for battery voltage compensation against drain current.
outi=opi-ipi
'current out very low or negative
If outi<0.01 Then
 outi=0.1
'current out over 20A, adjust compensation(for 2x50A Batteries).
ElseIf outi>20 Then
 outi=20.0+(outi-20.0)*0.45
EndIf
v=(tot(2)+offset(2))*scale(2)
'calculate Watt second for input current
whr=ipi*v*wattsec
'add up Watt seconds to give Wh
Inc daywh(0),whr
Inc wh(0),whr
'calculate Watt second for output current
whr=-opi*v*wattsec
'add up Watt seconds to give Wh
Inc daywh(1),whr
Inc wh(1),whr

If Not test Then
If Pin(GP5) Then
If charging Then
 Bitbang lcd 1,1,"C"+Format$(ipi,"%+04.1f")+"A   "+Format$(-opi,"%+05.1f")+"A"
Else
 Bitbang lcd 1,2,Format$(ipi,"%+04.1f")+"A   "+Format$(-opi,"%+05.1f")+"A"
EndIf
If tick>show+3 Then show=tick+3
'show for 3 seconds
If tick<show Then
 Bitbang lcd 2,1,Format$(v,"%5.2f")+"V   "+Format$((v*(-opi)),"%+04.0f")+"W  "
'show for 2 seconds
ElseIf tick<show+2 Then
 If wh(0)>9999 Or wh(1)>9999 Then
  Bitbang lcd 2,1,Format$(wh(0),"%+06.0f")+"Wh"+Format$(wh(1),"%+06.0f")+"Wh"
 ElseIf wh(0)>999 Or wh(1)>999 Then
  Bitbang lcd 2,1,Format$(wh(0),"%+05.0f")+"Wh "+Format$(wh(1),"%+05.0f")+"Wh "
'show for 2 seconds
 Else
  Bitbang lcd 2,1,Format$(wh(0),"%+04.0f")+"Wh  "+Format$(wh(1),"%+04.0f")+"Wh  "
 EndIf
Else
 Bitbang lcd 2,1,Format$(daywh(0),"%+04.0f")+"Wh  "+Format$(daywh(1),"%+04.0f")+"Wh  "
EndIf
EndIf
EndIf

'status=1 Running-Inverter ON, 1 o/p relay ON, mains relay ON (mains OFF).
'status=2 Standby-Inverter OFF, o/p relays OFF, mains relay ON (mains OFF).
'status=3 Battery low, or recharge mode, all relays OFF (mains ON).
'status=4 Fault-Inverter OFF, o/p relays OFF, mains relay OFF (mains ON).
'status=5 Sun gone, inverter OFF, run fridges every 3hrs, untill 24:00 then all ON over night.

'Control of the inverter & 2 relay outputs
'runtimer toggle
If t1<Timer Then t1=Timer+rundly : rund=Not rund

'loop counter timer
Inc t2

'has the battery been put in charge mode?
If charging Then
'check if voltage has risen enough to stop charging only mode?
If v>battfull Then
 charging=False:status=2:invon=False:P1=0:P2=0:relay=0
 t2=0:t1=Timer+rundly:rund=True
EndIf
EndIf

'check for electricity cheap rate time 00:00 to 08:00 BST
'get the current hour
hr=Val(Left$(Time$, 2))

'has the hour changed
If hr<>lhr Then
'standard hourly update
VAR Save wh(),daywh(),status
EndIf

'if still cheap rate electricity stay on mains power and charging
If hr>=8 Then
'is the solar input current good or battery full and not in recharge mode.
If (ipi>go Or v>battfull) And Not charging Then
'Set an overun timer, so system runs if the sun has been out in this hour
'Is this the first time for a while
 If tick>runon Then
'Give our selves an overun
  runon=tick+overun
'Reset other timer.
  t2=0:t1=Timer+rundly:rund=True
  status=2
'Keep setting the overun timer, all the time the sun is out.
 Else
  If hr<16 Then
'before 4pm set the runon
   runon=tick+overun
  Else
'later then 4pm then halve the runon
   runon=tick+overun*0.5
  EndIf
 EndIf
EndIf
'sun gone and timed out
If tick>=runon Then
'after 4pm but not enough sun
 If hr>=16 Then
  status=5
'is it 6pm or 9pm?
  If hr=18 Or hr=21 Then
   If Not mainsrun Then invon=False:t2=0:t1=Timer+rundly:rund=True
'run fridges for an hour
   mainsrun=True
  Else
'turn off fridges for remainder
   mainsrun=False
  EndIf
'not enough sun, before 4pm, run fridges normally from mains.
 Else
  If status<>3 Then status=3:P1=1:P2=1:invon=False:t2=0:t1=Timer+rundly:rund=True
 EndIf
EndIf
'before 8am, run fridges from mains
Else
If status<>3 Then status=3:P1=1:P2=1:invon=False:t2=0:t1=Timer+7000:rund=True
EndIf

'are we in a normal running mode?
If status=1 Or status=2 Then
'turn off mains power
mainsoff=True
'check if Sun has gone, power down, just charge battery.
If tick>=runon Then
 status=3
 t2=0:t1=Timer+rundly:rund=True
 invon=False:P1=1:P2=1
EndIf
' are we in an inverter on mode?
If status=1 Then
 Inc invon
'Batt v good (2x50A Batts) adjusted for load Or no significant load(fridge OFF) Or wait to avoid volt dip?
 If v>battlow-outi*0.05 Or opi<noload Or t2<wait6 Then
'Current drain good, or wait a bit to avoid surge?
  If opi<overload Or t2<wait4 Then
'Reset overload if no overload and an extended delay to be sure things have settled
   If opi<overload And t2>wait12 Then
    overld=False
   EndIf
'has the inverter powered up?
   If invon>4 Then
'is the load off or no relays active, Or after run delay.
    If ((opi<noload Or relay=0) And t2>wait4) Or (Not rund) Then
'swap over the loads, reset the timers.
     Select Case relay
      Case 0
       P1=1:P2=0:relay=1:t2=0
      Case 1
       P1=0:P2=1:relay=2:t2=0
      Case 2
       P1=0:P2=0:relay=0:status=2:t2=0
     End Select
     t1=Timer+rundly:rund=True
    EndIf
'inverter off
   EndIf
'overload
  Else
'turn off everything, increment overload counter.
   P1=0:P2=0:invon=False
   Inc overld
'set alarm, turn OFF inverter.
   If overld>2 Then
    invon=False
    status=4
    alarm=True
    t2=0:t1=Timer+rundly:rund=True
   Else
    status=2
'decrement relay, so that same output is tested again after it overloaded.
    If relay>0 Then Inc relay,-1
   EndIf
'save overload stuff to log
   Open "solar.log" For Append As #1
   Print #1, Date$" "Time$"  "Format$(daywh(0),"%4.0f")"  "Format$(wh(0),"%6.0f")"Wh In  "Format$(daywh(1),"%4.0f")"  "Format$(wh(1),"%6.0f")"Wh Out  stat="status
   Close #1
'save status to non-volatile memory
   VAR Save wh(),daywh(),status
'wait before trying again
   t1=Timer+rundly:rund=True
  EndIf
'low battery, status mode is 3 all off, activate charge.
 Else
  charging=True:status=3
  runon=tick
  t2=0:t1=Timer+rundly:rund=True
  invon=False:P1=1:P2=1
'save charge state stuff to log
  Open "solar.log" For Append As #1
  Print #1, Date$" "Time$"  "Format$(daywh(0),"%4.0f")"Wh In  "Format$(daywh(1),"%4.0f")"Wh Out "Format$(v,"%5.2f")"Batt V  "Format$(opi,"%5.2f")"Batt I  stat="status
  Close #1
 EndIf
'status mode is 2 standby
Else
'wait for a delay, then start sequence again.
 If Not rund Then
  status=1
  t2=0:t1=Timer+rundly
'If we are here because of an overload
  If overld>0 Then
   rund=False
  Else
   rund=True
  EndIf
 Else
'run inverter continuously as a sink if too much sun!
  If (v>overvolt Or (v>(overvolt-0.6) And invon<>0)) And overld=False Then
   Inc invon
   If opi>overload And t2>=wait4 Then Inc overld
  Else
   invon=False
  EndIf
 EndIf
EndIf
'Not mode 5 run fridges from mains after sun gone.
ElseIf status=5 Then
'turn off the inverter
invon=False
'run fridges every few hours
If mainsrun Then
'OFF toggle mode
 If rund Then
  If Not mainsoff Then
   mainsoff=True
  ElseIf mainsoff And (P1 Or P2) Then
'mains off, Fridges set to mains input(OFF)
   P1=0:P2=0
  Else
'default to mains input OFF, fridges set to mains input(OFF)
   P1=0:P2=0:mainsoff=True
  EndIf
'On toggle mode
 Else
  If mainsoff And Not(P1 And P2) Then
'inverter OFF, mains input OFF, Fridges set to inverter(OFF)
   P1=1:P2=1
  ElseIf mainsoff And P1 And P2 Then
'mains input ON, fridges set to inverter(OFF)
   mainsoff=False
  ElseIf Not mainsoff And P1 And P2 Then
'mains input On, fridges set to mains(ON)
   P1=0:P2=0
  Else
'Default to all runniing from mains input
   mainsoff=False:P1=0:P2=0
  EndIf
 EndIf
Else
'inverter OFF, mains OFF, Fridges set to mains(OFF)
 P1=0:P2=0:mainsoff=True
EndIf
'mode 3 Or 4
Else
' delay for a time before switching back to mains, allows compressor to de-compress.
If t2>wait4 And P1 And P2 Then mainsoff=False
If Not rund Then P1=0:P2=0
'So that the system starts initialised off
invon=False:relay=0

EndIf

If Not test Then
Pin(GP14)=invon>0  'inverter power on
Pin(GP15)=mainsoff 'remove mains power from outputs
Pin(GP16)=P1       'Power output 1 (either mains or inverter)
Pin(GP17)=P2       'Power output 2 (either mains or inverter)
'Power up and initialise the LCD
If hr=7 And lhr=6 Then
'only do once per day or when button pressed
  displ=True
ElseIf hr=20 And lhr=19 Then
'only do once per day Or when button pressed
  displ=False
EndIf
If displ And Not Pin(GP5) Then
 Pin(GP5)=1 'display backlight
 Pin(GP4)=1 'LCD module power
 Bitbang lcd init GP8,GP9,GP10,GP11,GP6,GP7
 Bitbang lcd Clear
ElseIf Not displ And Pin(GP5) Then
 Bitbang lcd Close
 Pin(GP5)=0 'display backlight
 Pin(GP4)=0 'LCD module power
EndIf
EndIf

If Test2 Then
Print Format$(ipi,"%4.2f")"A in  "Format$(opi,"%4.2f")"A out  "Format$(v,"%5.2f")"V  ";
Print Format$(wh(0),"%5.0f")"Wh in "Format$(wh(1),"%5.0f")"Wh out "Timer/sec"  "Time$
Print "invon="invon" P1="P1" P2="P2" relay="relay" mainsoff="mainsoff" stat="status
Print "charging="charging" overload="overld" alarm="alarm" t1="t1" t2="t2" rund="rund""
EndIf

'loop untill 1 second is up
Do While Timer<loopt
If Not Test Then
'is button pressed
 If Pin(GP0) Then
  Inc displc
'short press, turn on/off display
  If displc=2 Then displ=Not displ
'long press
  If displc=15 Then
'not currently in charge mode
   If charging=False Then
'initiate charge mode
    charging=True:status=3
    runon=tick:t2=0:t1=Timer+rundly:rund=True
    invon=False:P1=1:P2=1
'in charge mode
   Else
'turn off charge mode, run inverter for half an hour.
    charging=False:status=2:invon=False:P1=0:P2=0:relay=0
    runon=tick+overun*0.5:t2=0:t1=Timer+rundly:rund=True
   EndIf
  EndIf
 Else
  displc=0
 EndIf
EndIf
Pause 50
Loop

'add one second to timer, for the next loop.
Inc loopt,sec

'just after midnight to allow relays to all relax, so all power from mains
'internal clock corrections, save daily log then sleep for 6 hours
If hr=0 And t2=10 Then
Time$="00:00:09" 'just after midnight loose 2 seconds
'update Wh totals
Inc wkwh(0),daywh(0)
Inc wkwh(1),daywh(1)
Inc mtwh(0),daywh(0)
Inc mtwh(1),daywh(1)
Inc day

'save stuff to log
Open "solar.log" For Append As #1
If day=7 Or day=14 Or day=21 Then
 Print #1, Date$" D"Format$(daywh(0),"%4.0f")" W"Format$(wkwh(0),"%5.0f")" T"Format$(wh(0),"%6.0f")"Wh In  D"Format$(daywh(1),"%4.0f")" W"Format$(wkwh(1),"%5.0f")" T"Format$(wh(1),"%6.0f")"Wh Out  "Format$(v,"%5.2f")"V  stat="status
 VAR Save wkwh(),mtwh(),day
 wkwh(0)=0:wkwh(1)=0
ElseIf day>27 Then
 Print #1, Date$" W"Format$(wkwh(0),"%5.0f")" M"Format$(mtwh(0),"%6.0f")" T"Format$(wh(0),"%6.0f")"Wh In  W"Format$(wkwh(1),"%5.0f")" M"Format$(mtwh(1),"%6.0f")" T"Format$(wh(1),"%6.0f")"Wh Out  "Format$(v,"%5.2f")"V  stat="status
 day=0
 VAR Save wkwh(),mtwh(),day
 wkwh(0)=0:wkwh(1)=0
 mtwh(0)=0:mtwh(1)=0
Else
 Print #1, Date$" D"Format$(daywh(0),"%4.0f")" T"Format$(wh(0),"%6.0f")"Wh In  D"Format$(daywh(1),"%4.0f")" T"Format$(wh(1),"%6.0f")"Wh Out  "Format$(v,"%5.2f")"V  stat="status
 VAR Save wkwh(),mtwh(),day
EndIf
Close #1

daywh(0)=0:daywh(1)=0
WatchDog OFF
CPU SLEEP hr6
loopt=Timer+sec
EndIf

'update last hour to current
lhr=hr
'repeat whole program
Loop

'status=4 major fault
'disable all outputs, display error message.
Pin(GP14)=0
Pin(GP15)=0
Pin(GP16)=0
Pin(GP17)=0
If Not Pin(GP5) Then
Pin(GP5)=1 'display backlight
Pin(GP4)=1 'LCD module power
Bitbang lcd init GP8,GP9,GP10,GP11,GP6,GP7
Bitbang lcd Clear
EndIf
If MM.Watchdog Then
Bitbang lcd 1,1,"Program Halted  "
Else
Bitbang lcd 1,1,"Serious Fault   "
WatchDog OFF
EndIf
Bitbang lcd 2,1,"Check Log File  "
End

Edited 2023-07-02 01:13 by Bleep
 
lizby
Guru

Joined: 17/05/2016
Location: United States
Posts: 3743
Posted: 04:15pm 01 Jul 2023
Copy link to clipboard 
Print this post

Thanks for posting this. Can you explain in words how you ramp up to keep the power-on surge from stalling out the fridge and freezer on startup?

(I know that if I examined the code closely, I would find that, as one of my old bosses said, "The best documentation is a working program".)
PicoMite, Armmite F4, SensorKits, MMBasic Hardware, Games, etc. on FOTS
 
robert.rozee
Guru

Joined: 31/12/2012
Location: New Zealand
Posts: 2508
Posted: 04:50pm 01 Jul 2023
Copy link to clipboard 
Print this post

hi Bleep,
   one thing you need to be very careful with is mains arcing from N.O to N.C contacts when a relay switches over. what happens (under load) is that as the common contact disconnects from N.O (or N.C) contact, it draws an arc which is maintained during the transit time to the opposite contact. depending on the setup, the result can be a rather loud bang!

bear in mind that as your inverter and the mains are not synchronized, at any instant there could be 680v (1.4 x 2 x 240) between Inverter Live and Mains Live (and the same for the Neutrals).

in the past i've got around this using an extra pair of small signal relays wired such that a 'turn on' signal can not get through the signal relay until the currently energized main relay is open. this involves using main relays with 3 sets of contacts. it is always advisable to rely upon such mechanical interlocks rather than electronic controls.


cheers,
rob   :-)
 
phil99

Guru

Joined: 11/02/2018
Location: Australia
Posts: 3164
Posted: 08:32am 02 Jul 2023
Copy link to clipboard 
Print this post

  Quote   Can you explain in words how you ramp up to keep the power-on surge from stalling out the fridge and freezer on startup?
If I have understood Bleep he is trying to avoid the ramp-up. The inverter ramps the voltage up but the compressor motors don't like that at all, so their switch on is delayed till after max voltage is reached. Each has a different delay so the start surges don't overlap.

A delay before starting is also desirable to allow the start winding thermistor to cool down. In the old days a current solenoid relay activated the start winding whenever the current was much above normal running current. To save money now they use a PTC thermistor to briefly energize the start winding. If the PTC is still hot it won't start and trips the overload.

  Quote  one thing you need to be very careful with is mains arcing from N.O to N.C contacts when a relay switches over
Yes, you need two relays.
Edit
Or at least separate NO and NC contact sets in the one relay, provided one opens well before the other closes.
Edited 2023-07-02 18:39 by phil99
 
Mixtel90

Guru

Joined: 05/10/2019
Location: United Kingdom
Posts: 8781
Posted: 09:39am 02 Jul 2023
Copy link to clipboard 
Print this post

For mains changeover you can get proper mechanically and electrically interlocked pairs. ABB do a neat setup. Two standard "contactor" relays with a mechanical interlock module that fits neatly between them. Each relay has a normally closed contact that you wire in series with the opposite coil. It's impossible to pull both in together or even mechanically push them both in. This arrangement has been in use for many years. Software interlocking is not allowed under any circumstances.

When doing a changeover there should *always* be a clean break, enforced by a timer (IIRC the minimum break time should be 200ms but it's a long time ago...). Note that ordinary break-before-make changeover contacts are not considered suitable for mains changeover, but it's sometimes done in control circuits where the two supplies have low current fuses.

The alternative is to synchronise both supplies before a no-break changeover.

(Un)happy memories of messing around with this stuff for many years....   :)
Edited 2023-07-02 19:40 by Mixtel90
Mick

Zilog Inside! nascom.info for Nascom & Gemini
Preliminary MMBasic docs & my PCB designs
 
lizby
Guru

Joined: 17/05/2016
Location: United States
Posts: 3743
Posted: 12:36pm 02 Jul 2023
Copy link to clipboard 
Print this post

  phil99 said  If I have understood Bleep he is trying to avoid the ramp-up. The inverter ramps the voltage up but the compressor motors don't like that at all, so their switch on is delayed till after max voltage is reached. Each has a different delay so the start surges don't overlap.


I'm afraid I don't understand that. I ask because I attempted a cycle-slicing ramp up with a PICAXE to start my sump pump from a battery in the event of a power outage--but didn't implement once I realized that the battery was pitifully insufficient for the length of time the pump was likely to run (the last time it came on during two days of heavy rain it ran almost continually for a day and a half--fortunately there was no power outage).

I used these zero-crossing detector triac modules -- triac module -- with beefed up triacs. I got as far as proof of concept ramping up a 1500W 120V heater (not the same kind of demand, I know) before I realized how little run time I would get with the sump pump.
PicoMite, Armmite F4, SensorKits, MMBasic Hardware, Games, etc. on FOTS
 
phil99

Guru

Joined: 11/02/2018
Location: Australia
Posts: 3164
Posted: 01:29pm 02 Jul 2023
Copy link to clipboard 
Print this post

A ramp-up is perfect for resistive and capacitive loads, universal motors are happy with it too but single phase induction motors not so much. The start thermistor used on fridge and freezer compressors heats up and switches off the start winding before there is sufficient torque to turn the compressor. It draws a heap of current and trips the overload. They need full mains voltage instantly.
 
lizby
Guru

Joined: 17/05/2016
Location: United States
Posts: 3743
Posted: 01:50pm 02 Jul 2023
Copy link to clipboard 
Print this post

Are you saying that "slow start" cycle-slicing doesn't work on fridges and freezers because of their design, and that the "surge" current issue is different for them than for, say, a sump pump?

(I ask out of ignorance--I know next to nothing about the different operating parameters of different types of motors.)
PicoMite, Armmite F4, SensorKits, MMBasic Hardware, Games, etc. on FOTS
 
Bleep
Guru

Joined: 09/01/2022
Location: United Kingdom
Posts: 794
Posted: 05:37pm 02 Jul 2023
Copy link to clipboard 
Print this post

To answer some/most of the above queries.
There were several problems with the inverter.
1 It ramped up it's output voltage over about a second when turned on which neither compressor liked.
2 If a compressor was running and another cut in, the surge was such that the first compressor would often stall.
3 The inverter draws 0.75A even when doing nothing (significant for me), unless turned off.

To over come this, the inverter is kept turned off unless needed.
When the inverter is turned on, no load is put onto it until after a couple of second.
Only one compressor is allowed to run at any one time.
I constantly monitor the current drain out of the battery/solar panel so I can detect either a fault condition, or the fact that a fridge/freezer has turned off on its own.
So the sequence is.
Sufficient sun, mains removed with relay RL1, there is then a delay, the inverter is turned on, delay, compressor RL2 turned on for 10minutes OR the compressor itself turns off due to correct temperature being reached, RL2 turned off, RL3 turned on for 10 minutes OR compressor itself turns off due to correct temperature being reached, RL3 turned off, inverter turned off for 10 minutes, repeat until sun goes or battery gets to 50%.
The 10minutes is arbitrary but both Fridge & Freezer usually cut out before this limit and both are maintaining good temperatures.

This also overcomes any relay contact over voltage, because the inverter is never active when the mains relay is connected. When the mains is isolated, the inverter can turn on and the fridge switching is then all done with the other 2 relays. Under fault conditions, all relays relax, which equates to Inverter OFF, Mains ON, both outputs ON, so both compressors running off mains.

My understanding of Fridge/Freezer compressors is that they always take a hefty surge current, initially, to get them going, once running they run at around 50-70W (in my case) trying to ramp them up simply does not work.
Regards, Kevin.
 
lizby
Guru

Joined: 17/05/2016
Location: United States
Posts: 3743
Posted: 05:52pm 02 Jul 2023
Copy link to clipboard 
Print this post

Thanks for the explanation. Nice project--I like it.

Are you powering the LCD from 2 pins--GPIO4 and GPIO5?

~
Edited 2023-07-03 03:56 by lizby
PicoMite, Armmite F4, SensorKits, MMBasic Hardware, Games, etc. on FOTS
 
Bleep
Guru

Joined: 09/01/2022
Location: United Kingdom
Posts: 794
Posted: 01:40pm 03 Jul 2023
Copy link to clipboard 
Print this post

Hi Lizby,
Yes that is correct, I was originally hoping to power the back light off one O/P and power the module from another, but the volt drop from one O/P to power the module was too high, so I paralled them up.
I have done this so I can turn the display on and off under software control, another power saving feature, the display will normally switch on at 8am and off at 8pm, but you can control it manually using a quick push on the button.
Regards, Kevin.
 
lizby
Guru

Joined: 17/05/2016
Location: United States
Posts: 3743
Posted: 02:28pm 03 Jul 2023
Copy link to clipboard 
Print this post

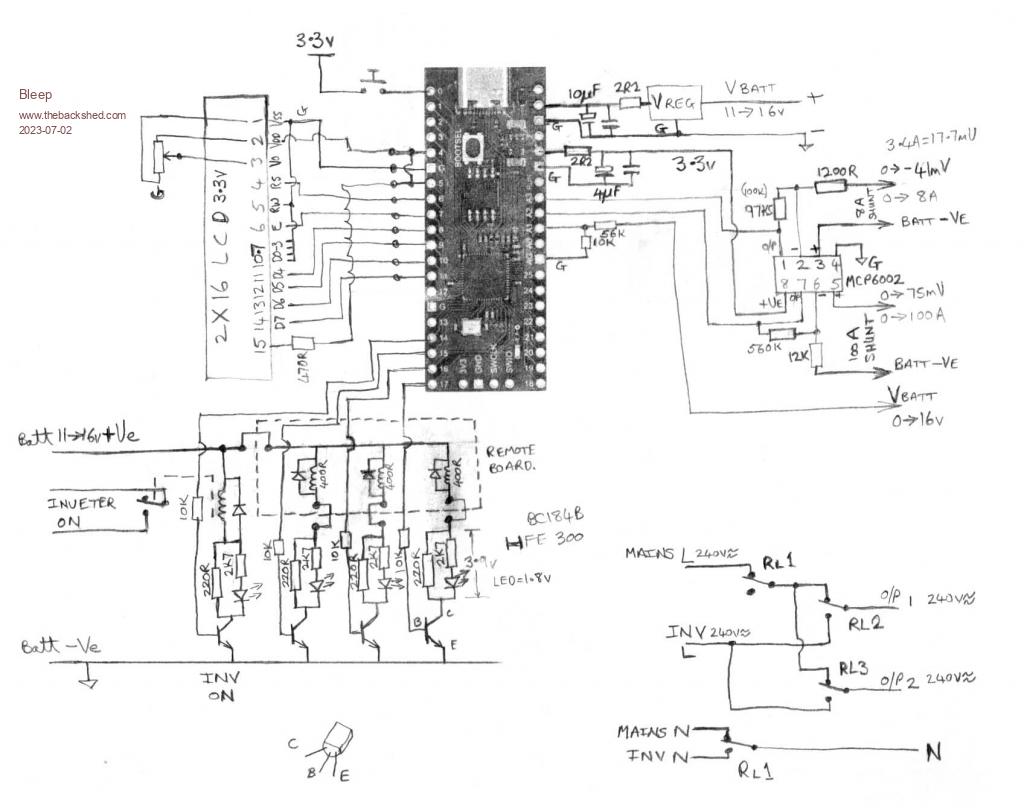
Thanks. Does this EasyEDA Schematic look accurate, considering that the standard Pico module is used, and the 4-relay PCB module shown below is used (either screwed directly into the 11-pin socket (every other pin removed) or via cable using the 6-pin socket)?



The relay module is from here: Aliex 4-relay module



I like this module because it allows V+ as true, and if 5V is applied to DC+, then the 3V3 inputs work (but don't if DC+ is 3V3).
PicoMite, Armmite F4, SensorKits, MMBasic Hardware, Games, etc. on FOTS
 
Mixtel90

Guru

Joined: 05/10/2019
Location: United Kingdom
Posts: 8781
Posted: 02:50pm 03 Jul 2023
Copy link to clipboard 
Print this post

I see the missed opportunity to use a nice, colour SPI LCD graphics display, c/w PWM backlight control and with a mimic diagram to show what's happening.  ;)

Treat it as a programming challenge....   :)

Mind you, if you already had a text display in the drawer then you've made the right choice. "If something is going to cost you money then you're doing it wrong!" as someone or other once said. Or, at least, they should have. :)
Mick

Zilog Inside! nascom.info for Nascom & Gemini
Preliminary MMBasic docs & my PCB designs
 
lizby
Guru

Joined: 17/05/2016
Location: United States
Posts: 3743
Posted: 11:16am 04 Jul 2023
Copy link to clipboard 
Print this post

  Mixtel90 said  Treat it as a programming challenge


LOL

  Quote  "If something is going to cost you money then you're doing it wrong!"


LOL again. My parts boxes are overflowing, but I've never used a 16x2 or 20x4 LCD with the PicoMite, so I thought it would be interesting to try since Bleep had done all the hard work.

  Quote  SPI LCD


Lots of pins free, so easy enough to add:



Choice of 16x2 or 20x4 LCD or ILI9341 or ILI9488 SPI LCD.
PicoMite, Armmite F4, SensorKits, MMBasic Hardware, Games, etc. on FOTS
 
Bleep
Guru

Joined: 09/01/2022
Location: United Kingdom
Posts: 794
Posted: 12:08pm 04 Jul 2023
Copy link to clipboard 
Print this post

Hi Lizby,
few corrections to circuit.



Power for the screen contrast pot should come from the switched power, not direct to the 3.3V as I'm unsure what would happen when the LCD module is powered off, but there is still power on the pot, probably nothing.
Power for the PB1 comes from 3V3OUT, wasn't clear, but didn't look like it connected to anything, R3 was in the way.
Power to the OpAmp should go through R3, extra smoothing and noise reduction.

The Current shunts need to be connected as close as possible to the -Ve battery terminal, keeping all cables short and chunky, for example the power cables out of the 100A shunt, on mine, are effectivly short copper jump leads and the 100A shunt is bolted directly to the -Ve terminal.


                                Batt -Ve                                
                                terminal
                                   ^
                     +----------+  |  +------------+
Solar Panel in>------+ 8A Shunt +->+>-+ 100A Shunt +-------->Power out
                     +----------+     +------------+
                      |        |       |          |
                     J22      J21     J32        J31


Be careful, because the OpAmps are amplifying (relativly) low DC voltages, you have to worry about parasitic voltages popping up, just because a small, or large, current is flowing down a piece of wire.
Regards, Kevin.
 
Mixtel90

Guru

Joined: 05/10/2019
Location: United Kingdom
Posts: 8781
Posted: 12:24pm 04 Jul 2023
Copy link to clipboard 
Print this post

The *really clever* way to deal with those op-amps is to put them in a screened box near the shunts and use a transistor to produce a current output rather than a voltage. A resistor at the Pico end converts the current back into a voltage. There are a couple of advantages - you aren't amplifying anywhere near as much stray noise induced into the op-amp inputs and, because it's a current loop, you can have long cable lengths on the output without voltage drop causing a problem. If you are *really really* clever you use the 3V3 supply to power the op-amps as well as sourcing the supply for the current loops.

You should be able to power the op-amps from a decent supply rather than 3.3 if you are careful with the output.
Mick

Zilog Inside! nascom.info for Nascom & Gemini
Preliminary MMBasic docs & my PCB designs
 
Volhout
Guru

Joined: 05/03/2018
Location: Netherlands
Posts: 5862
Posted: 02:01pm 04 Jul 2023
Copy link to clipboard 
Print this post

Hi Bleep,

Inputs like these always make me worry what would happen when something in the wiring is going wrong... or a short circuit happens...




Just put some resistors here...

Volhout
PicomiteVGA PETSCII ROBOTS
 
lizby
Guru

Joined: 17/05/2016
Location: United States
Posts: 3743
Posted: 02:49pm 04 Jul 2023
Copy link to clipboard 
Print this post

Thanks for checking, Bleep. I can't say that the flow of my circuit diagram is very straightforward.

I had already connected PB1 to the outbound side of R3; the MCP6002 is also connected there.

I see what you mean about the pot--I'll fix that.

Can you provide links for your shunts?

Mick--sorry, but for circuits of this sort, I fall far short of *really clever*.
PicoMite, Armmite F4, SensorKits, MMBasic Hardware, Games, etc. on FOTS
 
Bleep
Guru

Joined: 09/01/2022
Location: United Kingdom
Posts: 794
Posted: 03:28pm 04 Jul 2023
Copy link to clipboard 
Print this post

Hi Volhout,
Agreed, could presumably simply put 1k resistors in both those inputs as buffering, without affecting anything else.
Regards Kevin.
 
Bleep
Guru

Joined: 09/01/2022
Location: United Kingdom
Posts: 794
Posted: 03:41pm 04 Jul 2023
Copy link to clipboard 
Print this post

Hi Lizby,
The 100A you can get anywhere, 100A giving 75mV, like this one.
Ebay current shunt
The 8A no, because I made it, from a 10A shunt out of a old multimeter, so it's just a short length of very slight resistance wire, I shortened it a bit then measured the voltage drop for a couple of currents.
You could easily use a 10A shunt from that same link, but you would need to adjust the gain of that OpAmp.
The current gain is set for 17.7mv @ 3.4A or 41.6mV @ 8A approx gain -64, the other OpAmp on the 100A shunt is a gain of approx 47.
I also just remembered that I added two small 100nF capacitors, one across the 100K and the other across the 560K resistors on the OpAmps, again to get rid of ripple & interface, if you want to make your diagram completely correct.
Regards Kevin
Edited 2023-07-05 02:02 by Bleep
 
     Page 1 of 2    
Print this page
The Back Shed's forum code is written, and hosted, in Australia.
© JAQ Software 2026