Home
JAQForum Ver 24.01
Log In or Join  
Active Topics
Local Time 03:10 28 Apr 2026 Privacy Policy
Jump to

Notice. New forum software under development. It's going to miss a few functions and look a bit ugly for a while, but I'm working on it full time now as the old forum was too unstable. Couple days, all good. If you notice any issues, please contact me.

Forum Index : Microcontroller and PC projects : composite video out on the picoMite

Author Message
Amnesie
Guru

Joined: 30/06/2020
Location: Germany
Posts: 749
Posted: 10:08pm 25 Oct 2023
Copy link to clipboard 
Print this post

Hello,

just a quick question, some people want to convert VGA to Hdmi, but I have some old CRT monitors without VGA flying around and even some "modern"for just 9$ which are on eBay all around as "driver back camera monitor" (is this the right translation?) Ahh I think you know what I mean.

Is it possible to convert VGA to composite video with an "easy hack" or is a real complex and active circuit needed for this task?

Just a quick thought ... I wouldn't even care if it's only black& white but it would be nice to add a second video output option for an even older monitor, I mean even a raspberry pi 4 has composite output options!  

Greetings
Daniel
Edited 2023-10-26 08:24 by Amnesie
 
Grogster

Admin Group

Joined: 31/12/2012
Location: New Zealand
Posts: 9936
Posted: 11:22pm 25 Oct 2023
Copy link to clipboard 
Print this post

Not sure this would be something that could be done in the FW, but even if it was, I somehow doubt Peter would be willing when VGA produces a better image then composite.

  Quote  Is it possible to convert VGA to composite video with an "easy hack"...


No.  VGA and composite video are totally different standards, and you can't produce composite from VGA by just using some resistors and a cap or two.

VGA-to-composite converter boxes are cheap and readily available on eBay or AliExpress, so I would simply get one of those to convert the VGA from the PicoMite into composite, and then plug that into your monitor.

I'll see if I can find one, and link you to it - they are not expensive, last time I looked.

EDIT: $12 in Kiwi-money, which is US$6.95!!!!  Just get one of those.

VGA-to-Composite converter....
Edited 2023-10-26 09:32 by Grogster
Smoke makes things work. When the smoke gets out, it stops!
 
phil99

Guru

Joined: 11/02/2018
Location: Australia
Posts: 3164
Posted: 12:25am 26 Oct 2023
Copy link to clipboard 
Print this post

That one will work however you need to read disclaimer 6) before purchasing.
  Quote  And the video quality is really not pleasant.
 
Martin H.

Guru

Joined: 04/06/2022
Location: Germany
Posts: 1447
Posted: 02:17am 26 Oct 2023
Copy link to clipboard 
Print this post

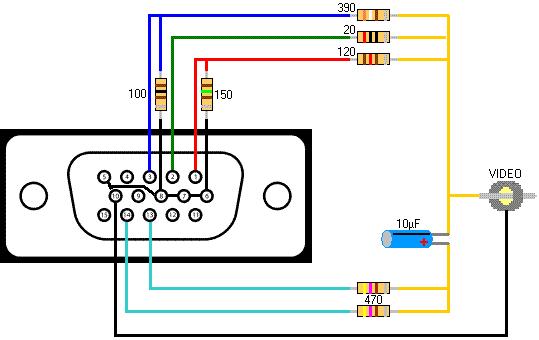
A "easy hack" could be something like this, (at a very basic level).



mixing all signals with a handfull of resistors would give you some kind of Grayscale Composite Signal, but I couldn't say, what the timing looks like and whether the television can process it.

This circuit looks more promising. Using a AD724 RGB 2 PAL/NTSC Video-Encoder
(That could be what is built into the converter that Grogster linked)



You can do without the lower part and the S-Video of the circuit if you don't need both
found here
Edited 2023-10-26 13:10 by Martin H.
'no comment
 
Volhout
Guru

Joined: 05/03/2018
Location: Netherlands
Posts: 5862
Posted: 07:32am 26 Oct 2023
Copy link to clipboard 
Print this post

No,

You need interlaced video at 15.625kHz to make ths work.
The short answer is NO.

Only with an external interlacer and framerate converter. These do exist, but the cheap ones are not high quality.

Volhout
PicomiteVGA PETSCII ROBOTS
 
Mixtel90

Guru

Joined: 05/10/2019
Location: United Kingdom
Posts: 8781
Posted: 07:42am 26 Oct 2023
Copy link to clipboard 
Print this post

This suggestion by stanleyella is cheaper than some of the converters.
Vehical display with VGA abd HDMI
Mick

Zilog Inside! nascom.info for Nascom & Gemini
Preliminary MMBasic docs & my PCB designs
 
Martin H.

Guru

Joined: 04/06/2022
Location: Germany
Posts: 1447
Posted: 09:39am 26 Oct 2023
Copy link to clipboard 
Print this post

  Mixtel90 said  This suggestion by stanleyella is cheaper than some of the converters.
Vehical display with VGA abd HDMI

looks interesting, also for use with Volhouts Logic Analyze, to make it Mobile,
but
  Quote   This product can't be shipped to your address.
Select another product or address.

'no comment
 
Amnesie
Guru

Joined: 30/06/2020
Location: Germany
Posts: 749
Posted: 10:31am 26 Oct 2023
Copy link to clipboard 
Print this post

Hi Martin,

yes, I saw this earlier on stackexchange. I think I give it a try, just for fun :)


Greetings
Daniel
 
Grogster

Admin Group

Joined: 31/12/2012
Location: New Zealand
Posts: 9936
Posted: 10:59pm 26 Oct 2023
Copy link to clipboard 
Print this post

Good find on the wee monitor with all those inputs!  
Smoke makes things work. When the smoke gets out, it stops!
 
Print this page


To reply to this topic, you need to log in.

The Back Shed's forum code is written, and hosted, in Australia.
© JAQ Software 2026