Home
JAQForum Ver 24.01
Log In or Join  
Active Topics
Local Time 01:50 28 Apr 2026 Privacy Policy
Jump to

Notice. New forum software under development. It's going to miss a few functions and look a bit ugly for a while, but I'm working on it full time now as the old forum was too unstable. Couple days, all good. If you notice any issues, please contact me.

Forum Index : Microcontroller and PC projects : Just testing a Game-Mite concept

     Page 1 of 2    
Author Message
Mixtel90

Guru

Joined: 05/10/2019
Location: United Kingdom
Posts: 8781
Posted: 01:30pm 30 Oct 2023
Copy link to clipboard 
Print this post

Peter commented that you couldn't sensibly get buttons below the 3.2" display using 100mm square PCB.so, being the awkward old goat that I am, I had to try it. :) I ended up having to lower them by 1.27mm. Apart from that (and moving the Reset button a bit) the buttons are in the same places as they are on Tom & Mick's design.



I've cheated horribly because the PicoMite hasn't enough GPIO so the buttons are on an I2C expander. Consequently this isn't Game*Mite compatible and I can't make it so. It's merely a concept to see what would fit where. I've no display so I can't get an exact thickness or anything. Treat it as a pretty picture. :)
Mick

Zilog Inside! nascom.info for Nascom & Gemini
Preliminary MMBasic docs & my PCB designs
 
thwill

Guru

Joined: 16/09/2019
Location: United Kingdom
Posts: 4367
Posted: 02:16pm 30 Oct 2023
Copy link to clipboard 
Print this post

LOL

This is 95% the Game2Mite that I was going to prototype next year and if anyone cared (given Peter's SMD offering) that I was going to ask @bigmik to design a PCB for.

Differences:

1. I was going to use a shift-register with 10K resistor array as an IO expander; 74hc165 or cd4021
2. I was going to fit a push-push uSD card
3. I was only going to use a single-speaker and PAM8302 mono-amplifier

  Mixtel90 said  Consequently this isn't Game*Mite compatible ...


It will be a minor update to support two (or more) different controller configurations. I'm intending to read the controller configuration from a csv file: A:/.config or A:/.spconfig.

Best wishes,

Tom
Edited 2023-10-31 00:17 by thwill
MMBasic for Linux, Game*Mite, CMM2 Welcome Tape, Creaky old text adventures
 
Mixtel90

Guru

Joined: 05/10/2019
Location: United Kingdom
Posts: 8781
Posted: 02:36pm 30 Oct 2023
Copy link to clipboard 
Print this post

I wasn't intending to predict the future. :)  

It was a toss-up which way to go on the controls. I2C has a slight advantage, I think, in that you don't need to keep polling them, an interrupt is triggered whenever a button is pressed. OTOH the software to initialise it is more complicated. The difference in cost isn't all that much. The interrupt need only set a flag and the buttons handled during frame flyback only if they need to be.

I looked for a suitable push-push uSD card holder but could only find dimensional drawings of "proper" ones, not the cheap ones from ebay/AE. Mind you, I didn't search for very long. I'm sure there's something around.

I just didn't bother with speakers. I figured that lo-fi headphones are perfectly fine - and save all the complaints from other people on public transport! I've not actually tested this audio arrangement. It should work in theory, I think. Only 1/2 of each amp is actually used so the output power is much less. May be perfectly fine for headphones though.
Mick

Zilog Inside! nascom.info for Nascom & Gemini
Preliminary MMBasic docs & my PCB designs
 
bigmik

Guru

Joined: 20/06/2011
Location: Australia
Posts: 2980
Posted: 10:11pm 30 Oct 2023
Copy link to clipboard 
Print this post

Hi Mick, All,

Check the pin spacing on the TP4056 module.
Specifically the output and Batt connections. You seem to have them on 2.54mm spacing, they are actually around 3.5mm. I can give you the exact sizing later today if you want them.

You seem to have the OUT and IN correct it is actually the B+ and B- that are too close to OUT+ and OUT-

Regards,

Mick
Edited 2023-10-31 08:14 by bigmik
Mick's uMite Stuff can be found >>> HERE (Kindly hosted by Dontronics) <<<
 
bigmik

Guru

Joined: 20/06/2011
Location: Australia
Posts: 2980
Posted: 10:22pm 30 Oct 2023
Copy link to clipboard 
Print this post

Hi Mick, All,

I see the keypad is raised by 5mm spacers.. how do you intend to connect the 2 PCBs ?

Normally the gap between the 2 PCBs would be 11mm if using standard male/female header pins.

Regards,

Mick
Mick's uMite Stuff can be found >>> HERE (Kindly hosted by Dontronics) <<<
 
Grogster

Admin Group

Joined: 31/12/2012
Location: New Zealand
Posts: 9936
Posted: 10:33pm 30 Oct 2023
Copy link to clipboard 
Print this post

Simple wire links perhaps?
IE: Mount the PCB on the spacers, feed tin-plated copper wire through the top and bottom PCB holes and solder.  That was a very common method in the past, before they started socketing everything.  
Smoke makes things work. When the smoke gets out, it stops!
 
Mixtel90

Guru

Joined: 05/10/2019
Location: United Kingdom
Posts: 8781
Posted: 11:03pm 30 Oct 2023
Copy link to clipboard 
Print this post

Thanks Mick, I'll check the TP4056. I don't know where I got the measurements now.

I had wire links in mind for the keypad. There's nothing underneath it that would require future access so a plug and socket would be a bit of a waste. I'm not sure of the height - I think it probably needs to be 1 or 2mm higher. That would need finalising with a display in place.
Mick

Zilog Inside! nascom.info for Nascom & Gemini
Preliminary MMBasic docs & my PCB designs
 
bigmik

Guru

Joined: 20/06/2011
Location: Australia
Posts: 2980
Posted: 05:08am 31 Oct 2023
Copy link to clipboard 
Print this post

GDay Mick, All,

I have checked the hole spacings and I am right that they are NOT 2.54mm but they are actually 3.2mm.

See this size guide I made up.

Note! This is true for the modules that I have fitted with micro-USB connectors, I can't guarantee that other varieties of the TP4056 module are the same.




I hope this helps.

Regards,

Mick
Mick's uMite Stuff can be found >>> HERE (Kindly hosted by Dontronics) <<<
 
Mixtel90

Guru

Joined: 05/10/2019
Location: United Kingdom
Posts: 8781
Posted: 09:13am 31 Oct 2023
Copy link to clipboard 
Print this post

Oh, excellent! I'll update my makro now.  :)
Mick

Zilog Inside! nascom.info for Nascom & Gemini
Preliminary MMBasic docs & my PCB designs
 
thwill

Guru

Joined: 16/09/2019
Location: United Kingdom
Posts: 4367
Posted: 10:05am 31 Oct 2023
Copy link to clipboard 
Print this post

FYI the modules I have with USB-C connector have the same pin positioning; or at least the holes on @bigmik's Game*Mite PCBs match my modules.

Other than that they are pretty much of identical appearance except for using much smaller SMD resistors and capacitors, including for R3 which is supposed to be user replaceable :-(

Best wishes,

Tom
MMBasic for Linux, Game*Mite, CMM2 Welcome Tape, Creaky old text adventures
 
Mixtel90

Guru

Joined: 05/10/2019
Location: United Kingdom
Posts: 8781
Posted: 01:21pm 31 Oct 2023
Copy link to clipboard 
Print this post

Fixed the footprint of the charger. Thanks Mick!

Can now do a CD4021 and resistors, no problem. The resistors (if they are really needed) have plenty of space in the gap below the buttons PCB.

For some reason the I2C expander chip seems very expensive on ebay.
Mick

Zilog Inside! nascom.info for Nascom & Gemini
Preliminary MMBasic docs & my PCB designs
 
Mixtel90

Guru

Joined: 05/10/2019
Location: United Kingdom
Posts: 8781
Posted: 02:29pm 01 Nov 2023
Copy link to clipboard 
Print this post

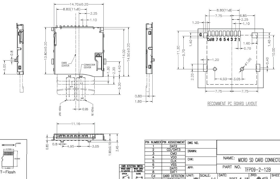
I've changed the buttons PCB to make it, to all intents and purposes, a NES controller in its own right. Using SMD and linking it via flexible wires means that the front has no tracks or component holes other than for the buttons themselves. I think it's kinda pretty. :)

I've also found a push-push uSD card socket that's readily available all over, including ebay and AE. Proper drawings are available too. The part number is PJS008-2130=0  It's bigger than the push-pull one that I've used previously and is more difficult to run traces to as there is a big no-go area.


Mick

Zilog Inside! nascom.info for Nascom & Gemini
Preliminary MMBasic docs & my PCB designs
 
thwill

Guru

Joined: 16/09/2019
Location: United Kingdom
Posts: 4367
Posted: 04:43pm 01 Nov 2023
Copy link to clipboard 
Print this post

Hi Mick,

Am I correct that the controller is connected to the main PCB by flying wires soldered to the pads on the right of the controller PCB ?

It looks like the RESET, SELECT and START buttons could now be correctly centered fairly easily ?

FYI the push-push uSD sockets that I've just received for retro-fitting to my personal Game*Mites are these:

   https://www.aliexpress.com/item/1005004571249841.html



Best wishes,

Tom
MMBasic for Linux, Game*Mite, CMM2 Welcome Tape, Creaky old text adventures
 
Mixtel90

Guru

Joined: 05/10/2019
Location: United Kingdom
Posts: 8781
Posted: 06:12pm 01 Nov 2023
Copy link to clipboard 
Print this post

IMHO it looks odd if you centre Select and Start. Centering Reset above them works well though.

Looks like your uSD card holder is the opposite of mine, which has the solder contacts on the outer edge of the PCB - like my push-pull one. There's nothing like a bit of standasation. :)
Mick

Zilog Inside! nascom.info for Nascom & Gemini
Preliminary MMBasic docs & my PCB designs
 
Mixtel90

Guru

Joined: 05/10/2019
Location: United Kingdom
Posts: 8781
Posted: 02:19pm 03 Nov 2023
Copy link to clipboard 
Print this post

And now a big turnaround. Rearranged to do the following:
Surface mount he Pico - no point in having 40 pins that have to be cropped down. This also reduces its height from the PCB surface.
Put the components on the bottom of the PCB, using the space under the display for the battery and stereo speakers.
Use a switched headphone jack socket.
Move the (push-push) SD card socket and power switch to the front.
Allow an option for the backlight to be dimmable.





Mick

Zilog Inside! nascom.info for Nascom & Gemini
Preliminary MMBasic docs & my PCB designs
 
stanleyella

Guru

Joined: 25/06/2022
Location: United Kingdom
Posts: 2807
Posted: 07:05pm 03 Nov 2023
Copy link to clipboard 
Print this post

  Mixtel90 said  I've changed the buttons PCB to make it, to all intents and purposes, a NES controller in its own right. Using SMD and linking it via flexible wires means that the front has no tracks or component holes other than for the buttons themselves. I think it's kinda pretty. :)

I've also found a push-push uSD card socket that's readily available all over, including ebay and AE. Proper drawings are available too. The part number is PJS008-2130=0  It's bigger than the push-pull one that I've used previously and is more difficult to run traces to as there is a big no-go area.


I'm building a button pad using mcp23017. grounds wired just get dil right for wiring.
i2c must be as good as vga keyboard??

 
Turbo46

Guru

Joined: 24/12/2017
Location: Australia
Posts: 1692
Posted: 07:48pm 03 Nov 2023
Copy link to clipboard 
Print this post

Stan, Please note that for later versions of that chip the I/O arrangement has changed. GPA7 and GPB7 are output only. You may have to use two ports if you have eight switches.



A CD4021 with a resistor array needs no setup and Tom has code for the NEC controller that works well.


Bill
Keep safe. Live long and prosper.
 
Mixtel90

Guru

Joined: 05/10/2019
Location: United Kingdom
Posts: 8781
Posted: 07:54pm 03 Nov 2023
Copy link to clipboard 
Print this post

The 4021 is *far* simpler to use, and a lot cheaper too. :)
The Game*Mite games won't work with the I2C system at the moment.
Edited 2023-11-04 05:57 by Mixtel90
Mick

Zilog Inside! nascom.info for Nascom & Gemini
Preliminary MMBasic docs & my PCB designs
 
thwill

Guru

Joined: 16/09/2019
Location: United Kingdom
Posts: 4367
Posted: 08:36pm 03 Nov 2023
Copy link to clipboard 
Print this post

Is there any reason to favour a CD4021 over a 74HC165 or vice versa?

I believe I read somewhere that the 4000 series CMOS wasn't rated for use as low as 3v3, though it has worked for me.

Best wishes,

Tom
Edited 2023-11-04 06:38 by thwill
MMBasic for Linux, Game*Mite, CMM2 Welcome Tape, Creaky old text adventures
 
Turbo46

Guru

Joined: 24/12/2017
Location: Australia
Posts: 1692
Posted: 08:59pm 03 Nov 2023
Copy link to clipboard 
Print this post

On the data sheets that I have seen:

74HC165 operates from 2 to 6 volts
CD4021  operates from 5 to 20 volts

So operating the CD4021 at 3v3 is probably not a good idea for absolute reliability.

Also, for the 74HC165, the minimum load pulse with 2v supply is 100nS so I think it is the better choice all round.

Bill
Keep safe. Live long and prosper.
 
     Page 1 of 2    
Print this page
The Back Shed's forum code is written, and hosted, in Australia.
© JAQ Software 2026