Home
JAQForum Ver 24.01
Log In or Join  
Active Topics
Local Time 07:03 27 Apr 2026 Privacy Policy
Jump to

Notice. New forum software under development. It's going to miss a few functions and look a bit ugly for a while, but I'm working on it full time now as the old forum was too unstable. Couple days, all good. If you notice any issues, please contact me.

Forum Index : Microcontroller and PC projects : GameBoy Emulator for PicoMiteVGA HW

     Page 1 of 3    
Author Message
javavi

Guru

Joined: 01/10/2023
Location: Ukraine
Posts: 550
Posted: 02:05pm 13 Feb 2024
Copy link to clipboard 
Print this post

Adapted the pico-gameboy firmware of the GameBoy emulator for the PicoMiteVGA board
https://github.com/xrip/pico-gameboy



On the SD card, create a folder GB: in the root, put the ROM (*.gb *.gbc) files there.

Controls:  PS/2 Keyboard & NES Gamepad

UP, DOWN, LEFT, RIGHT - Arrow keys
A Button - Z key
B Button - X key
START - Enter key
SELECT - Backspace key
SELECT+START in game menu

The NES gamepad is connected like the PicoGAME VGA board
        NES_GPIO_CLK=  GP3
        NES_GPIO_LAT=  GP2
        NES_GPIO_DATA= GP1
Gamepad power supply is 3.3 V

Mono Audio on GP22

GameBoy_for_PicoMiteVGA.zip
Edited 2024-02-14 00:29 by javavi
 
javavi

Guru

Joined: 01/10/2023
Location: Ukraine
Posts: 550
Posted: 03:03pm 13 Feb 2024
Copy link to clipboard 
Print this post

Another version of the GameBoy firmware for the PicoGAME VGA board

The NES gamepad is connected
       NES_GPIO_CLK=  GP3
       NES_GPIO_LAT=  GP2
       NES_GPIO_DATA= GP1

       PWM Audio on   GP6

GameBoy_for_PicoGAME_VGA.zip
 
Volhout
Guru

Joined: 05/03/2018
Location: Netherlands
Posts: 5860
Posted: 04:25pm 13 Feb 2024
Copy link to clipboard 
Print this post

Nice !!!

Volhout
PicomiteVGA PETSCII ROBOTS
 
Plasmamac

Guru

Joined: 31/01/2019
Location: Germany
Posts: 611
Posted: 08:18pm 13 Feb 2024
Copy link to clipboard 
Print this post

cant test it atm. thx
Plasma
 
Amnesie
Guru

Joined: 30/06/2020
Location: Germany
Posts: 748
Posted: 09:17pm 13 Feb 2024
Copy link to clipboard 
Print this post

Wow, this is cool! Love old gameboy!

Thanks!

Greetings
Daniel
 
cosmic frog
Guru

Joined: 09/02/2012
Location: United Kingdom
Posts: 307
Posted: 12:12pm 14 Feb 2024
Copy link to clipboard 
Print this post

Can't seem to get this to work on my PicoMiteVGA.
No output to the monitor and the pico just stays in BOOTSEL mode.

Dave.
 
Martin H.

Guru

Joined: 04/06/2022
Location: Germany
Posts: 1447
Posted: 01:21pm 14 Feb 2024
Copy link to clipboard 
Print this post

sorry doesn't work here, just a screen with a few cryptic characters at the top left and a line by the button that says something like "<==page left page right ==>".
Also doesn't respond to the keyboard and resets when I press a controller key
'no comment
 
javavi

Guru

Joined: 01/10/2023
Location: Ukraine
Posts: 550
Posted: 05:21pm 14 Feb 2024
Copy link to clipboard 
Print this post

  Martin H. said  sorry doesn't work here, just a screen with a few cryptic characters at the top left and a line by the button that says something like "<==page left page right ==>".
Also doesn't respond to the keyboard and resets when I press a controller key

On the SD card, a GB folder with cartridge images must be created in the root
 
javavi

Guru

Joined: 01/10/2023
Location: Ukraine
Posts: 550
Posted: 05:26pm 14 Feb 2024
Copy link to clipboard 
Print this post

  cosmic frog said  Can't seem to get this to work on my PicoMiteVGA.
No output to the monitor and the pico just stays in BOOTSEL mode.

What version of PicoMiteVGA board do you have?
(Ver.1.0 PWM or Ver.1.1 I2S )
Unfortunately, I don’t have the PicoMite board itself and I ported it on a breadboard assembly (photo at the beginning)
 
cosmic frog
Guru

Joined: 09/02/2012
Location: United Kingdom
Posts: 307
Posted: 05:42pm 14 Feb 2024
Copy link to clipboard 
Print this post

  javavi said  
  cosmic frog said  Can't seem to get this to work on my PicoMiteVGA.
No output to the monitor and the pico just stays in BOOTSEL mode.

What version of PicoMiteVGA board do you have?
(Ver.1.0 PWM or Ver.1.1 I2S )
Unfortunately, I don’t have the PicoMite board itself and I ported it on a breadboard assembly (photo at the beginning)


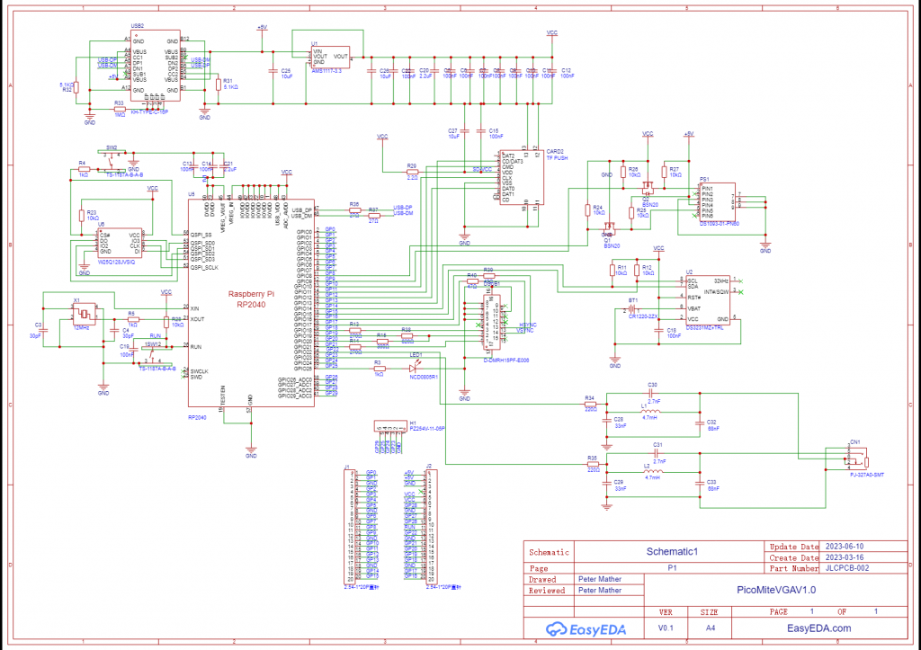
Hi, it's just a PicoMiteVGA. It's built on a piece of proto board. I wasn't aware there was a special board.
Is there a schematic for this board so I could build it myself?

Thanks.

Dave.
 
javavi

Guru

Joined: 01/10/2023
Location: Ukraine
Posts: 550
Posted: 05:47pm 14 Feb 2024
Copy link to clipboard 
Print this post

  cosmic frog said  
Hi, it's just a PicoMiteVGA. It's built on a piece of proto board. I wasn't aware there was a special board.
Is there a schematic for this board so I could build it myself?



PicoMiteVGA10_scheme.pdf
 
cosmic frog
Guru

Joined: 09/02/2012
Location: United Kingdom
Posts: 307
Posted: 05:56pm 14 Feb 2024
Copy link to clipboard 
Print this post

Thanks.

I'll give it a go.

Dave.
 
javavi

Guru

Joined: 01/10/2023
Location: Ukraine
Posts: 550
Posted: 06:01pm 14 Feb 2024
Copy link to clipboard 
Print this post

PicoGAME VGA
https://github.com/thwill1000/pico-game-vga


PicoGAME VGA_14A Circuit.pdf
 
cosmic frog
Guru

Joined: 09/02/2012
Location: United Kingdom
Posts: 307
Posted: 08:42pm 14 Feb 2024
Copy link to clipboard 
Print this post

Just looked at the schematics and the wiring is the same on my board, only the sound is wired to GP0 and GP1 so my board should work ok just without sound.
I will have to have another try.
 
Mixtel90

Guru

Joined: 05/10/2019
Location: United Kingdom
Posts: 8781
Posted: 09:16pm 14 Feb 2024
Copy link to clipboard 
Print this post

I sort of recognise that board. :)

PicoGAME has GP0, GP1, GP2 and GP3 on Port A for the joystick/controller connections.
Edited 2024-02-15 07:17 by Mixtel90
Mick

Zilog Inside! nascom.info for Nascom & Gemini
Preliminary MMBasic docs & my PCB designs
 
javavi

Guru

Joined: 01/10/2023
Location: Ukraine
Posts: 550
Posted: 04:06am 15 Feb 2024
Copy link to clipboard 
Print this post

  Mixtel90 said  I sort of recognise that board. :)
PicoGAME has GP0, GP1, GP2 and GP3 on Port A for the joystick/controller connections.

Hi Mick,
I did an assembly for PicoGAME VGA using a NES gamepad connected to Port A, which uses GPIO ports for its operation: GP1, GP2, GP3
PWM sound on ports GP6, GP7
If you or anyone else needs it, I can change the connection as you please.

And, although the RTS is shown in this diagram, it is not used for the GameBoy emulator.

Best regards to everyone,
Java
 
cosmic frog
Guru

Joined: 09/02/2012
Location: United Kingdom
Posts: 307
Posted: 10:51am 15 Feb 2024
Copy link to clipboard 
Print this post

Thanks for the great diagram javavi, this is very useful.

Would you be able to convert other consoles as well as the Gameboy on this platform?

Dave.
 
javavi

Guru

Joined: 01/10/2023
Location: Ukraine
Posts: 550
Posted: 11:23am 15 Feb 2024
Copy link to clipboard 
Print this post

  cosmic frog said  
Would you be able to convert other consoles as well as the Gameboy on this platform?

Yes, this could be done, for example Sinclair Spectrum 48k and 128k!
But there is one point, I don’t know how to convey the Spectrum color palette (8 colors with two brightness levels) using the PicoMite VGA121 scheme!??
 
javavi

Guru

Joined: 01/10/2023
Location: Ukraine
Posts: 550
Posted: 11:30am 15 Feb 2024
Copy link to clipboard 
Print this post

  Mixtel90 said  
I sort of recognise that board. :)
PicoGAME has GP0, GP1, GP2 and GP3 on Port A for the joystick/controller connections.

Yes, I understand from the PicoGameVGA scheme that on port A to connect the NES joystick, pins 2,3,4 are used corresponding to the GPIO ports GP1, GP2, GP3
 
Martin H.

Guru

Joined: 04/06/2022
Location: Germany
Posts: 1447
Posted: 01:43pm 15 Feb 2024
Copy link to clipboard 
Print this post

  javavi said  
  cosmic frog said  
Would you be able to convert other consoles as well as the Gameboy on this platform?

Yes, this could be done, for example Sinclair Spectrum 48k and 128k!
But there is one point, I don’t know how to convey the Spectrum color palette (8 colors with two brightness levels) using the PicoMite VGA121 scheme!??


could be done , only missing Color is Bright White  



Spectrum Colors

Scolors:
'Normal 8 Colors
Data 0,255,16711680,16711935,32768,33023,16744448,16777215
'With Bright
Data 0,16639,16728064,16728319,65280,65535,16776960,16777215


Normal 8 Colors
R  G  B
00 00 00 BLACK
00 00 FF BLUE
FF 00 00 RED
FF 00 FF MAGENTA
00 80 00 Green
00 80 FF Cyan
FF 80 00 Yellow
FF FF FF WHITE

With Bright on
R  G  B
00 00 00 BLACK
00 40 FF Light BLUE
FF 40 00 Light RED
FF 40 FF Light MAGENTA
00 FF 00 Light Green
00 FF FF Light Cyan
FF FF 00 Light Yellow
FF FF FF WHITE




see :

Open SCR file (ZX Spectrum standard screen)
Edited 2024-02-15 23:44 by Martin H.
'no comment
 
     Page 1 of 3    
Print this page
The Back Shed's forum code is written, and hosted, in Australia.
© JAQ Software 2026