Home
JAQForum Ver 24.01
Log In or Join  
Active Topics
Local Time 17:33 25 Apr 2026 Privacy Policy
Jump to

Notice. New forum software under development. It's going to miss a few functions and look a bit ugly for a while, but I'm working on it full time now as the old forum was too unstable. Couple days, all good. If you notice any issues, please contact me.

Forum Index : Microcontroller and PC projects : TTL to 422 Waveshare

Author Message
PhenixRising
Guru

Joined: 07/11/2023
Location: United Kingdom
Posts: 1854
Posted: 05:37pm 26 Sep 2024
Copy link to clipboard 
Print this post

Quite like the look (and price) of this

Obviously auto-enabling and I like the isolation and selectable terminating resistor.

Waveshare has an interesting store on AE.  
 
Volhout
Guru

Joined: 05/03/2018
Location: Netherlands
Posts: 5860
Posted: 05:51pm 26 Sep 2024
Copy link to clipboard 
Print this post

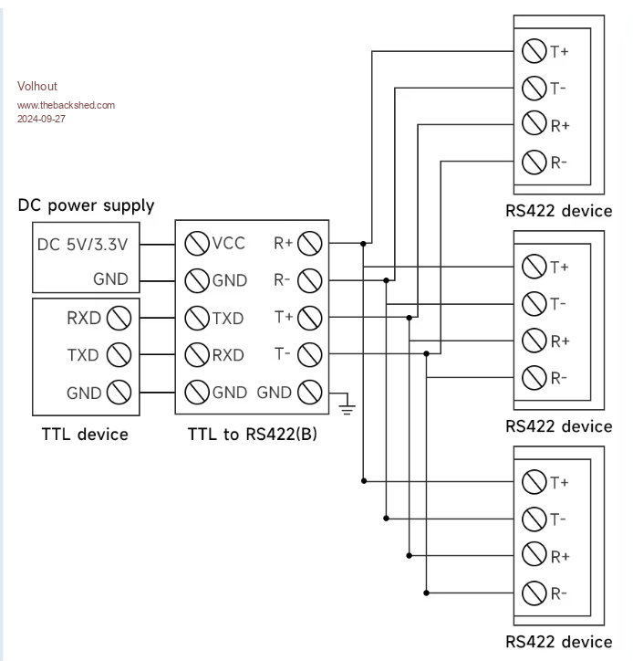
Looks nice, but...

1/ It can be powered by 3.3V. I wonder how good that is for an isolated switcher.

2/ some of the datasheet is incorrect. This can not be done with RS422, or they violate the output specification, in which case I would not use the device. Outputs cannot parallel. In RS485 you can since they are disabled when not driven, but RS422 is always ON.



Volhout
Edited 2024-09-27 03:52 by Volhout
PicomiteVGA PETSCII ROBOTS
 
PhenixRising
Guru

Joined: 07/11/2023
Location: United Kingdom
Posts: 1854
Posted: 06:13pm 26 Sep 2024
Copy link to clipboard 
Print this post

  Volhout said  Looks nice, but...

1/ It can be powered by 3.3V. I wonder how good that is for an isolated switcher.

2/ some of the datasheet is incorrect. This can not be done with RS422, or they violate the output specification, in which case I would not use the device. Outputs cannot parallel. In RS485 you can since they are disabled when not driven, but RS422 is always ON.



Volhout


That's my point Harm. Lots of newer devices sense the data and auto-enable/disable.

Even their 485 devices only require RX, TX, GND on the TTL side.  
 
Print this page


To reply to this topic, you need to log in.

The Back Shed's forum code is written, and hosted, in Australia.
© JAQ Software 2026