Home
JAQForum Ver 24.01
Log In or Join  
Active Topics
Local Time 03:24 23 Apr 2026 Privacy Policy
Jump to

Notice. New forum software under development. It's going to miss a few functions and look a bit ugly for a while, but I'm working on it full time now as the old forum was too unstable. Couple days, all good. If you notice any issues, please contact me.

Forum Index : Microcontroller and PC projects : solid state audio filter for picomite PWM output, JLC basic

Author Message
Volhout
Guru

Joined: 05/03/2018
Location: Netherlands
Posts: 5859
Posted: 12:10pm 03 Nov 2025
Copy link to clipboard 
Print this post

Hi Peter,

This is the audio filter (similar to pico buddy) tailored to use JLC basic components. The JLC part numbers are added. The only part that is not JLC is the opamp. You can use MCP6002 for mono, and 2 MCP6002 for stereo, or a single MCP6004.

In case PAM8302 (mono 2W) you couple the 2 PWM outputs through R5 and R8 to 1 audio filter.
In case PAM8406 (stereo 5W) you have to build 2 filters, one for each L and R.



Regards,

Volhout

P.S. the picobuddy used a diode clamp between PWM and the input of the active filter. That diode clamp improves the power rail noise immunity (noise from the pico switcher). But when using a linear 3V3 power supply that may not give any improvement.

P.P.S. I did not prototype this circuit. Pure simulation. If you need me to, then I'll have to order parts first. But in essence it is (values changes) same as the picobuddy circuit.
Edited 2025-11-03 22:19 by Volhout
PicomiteVGA PETSCII ROBOTS
 
matherp
Guru

Joined: 11/12/2012
Location: United Kingdom
Posts: 11221
Posted: 01:03pm 03 Nov 2025
Copy link to clipboard 
Print this post

That's great. I'll prototype it in the next couple of days. Have you had a look at my VGA from Basic ? Quite pleased with this and have now got a RGB TFT running off it. Just load standard PicoMite onto a rp2350 and stick it in the VGA DESIGN 2 board to run it.
 
matherp
Guru

Joined: 11/12/2012
Location: United Kingdom
Posts: 11221
Posted: 01:26pm 03 Nov 2025
Copy link to clipboard 
Print this post

Harm, just been though my parts store and only have MCP602 in stock. OK to test with this?
 
Mixtel90

Guru

Joined: 05/10/2019
Location: United Kingdom
Posts: 8773
Posted: 01:56pm 03 Nov 2025
Copy link to clipboard 
Print this post

Looks like it should work.
Comparison part way down the page
Mick

Zilog Inside! nascom.info for Nascom & Gemini
Preliminary MMBasic docs & my PCB designs
 
Volhout
Guru

Joined: 05/03/2018
Location: Netherlands
Posts: 5859
Posted: 02:09pm 03 Nov 2025
Copy link to clipboard 
Print this post

@Peter,

The MCP602 does not have rail-rail inputs. If just for prototyping, you can use it but power it from +5V, +4.5V (Vsys), but not 3V3. Then it will work.
But there are alternate opamps that may also work. Give me a moment, I will check.

Manufacturer    Dual     Quad
TI              LMV922   LMV924 (older part)
TI              TLV9102  TLV9104
ST              TS952    TS954
ST              TS922    TS924
AD              AD8542   AD8544
TI              OPA2342  OPA4342

If you find other parts that can run of 3.3V and are RRIO (rail to rail Input and Output) they most likely work if their GBW (Gain Bandwidth product) is 1MHz or higher.

Volhout
Edited 2025-11-04 00:39 by Volhout
PicomiteVGA PETSCII ROBOTS
 
Volhout
Guru

Joined: 05/03/2018
Location: Netherlands
Posts: 5859
Posted: 03:16pm 03 Nov 2025
Copy link to clipboard 
Print this post

@Peter,

When you are adventurous, and want to go for really low cost...
This is the discrete version of the filter. Taking benefit of the fact that the PAMxxxx amplifiers do not need full 3.3V swing at their input. We attenuate 2x in each stage, allowing the transistor bias voltage, and maximum output swing at their collector. Powered from 3.3V...



Volhout
PicomiteVGA PETSCII ROBOTS
 
DaveC5
Newbie

Joined: 24/09/2025
Location: United Kingdom
Posts: 34
Posted: 06:41am 04 Nov 2025
Copy link to clipboard 
Print this post

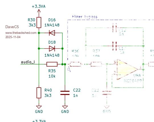
Hi, hope you don't mind me jumping in,

The other thing the diode and resistor arrangement on the op-amp input does is limit the PWM from the Pico to less than 1Vpkpk centred around Vsupply/2. You trade the full 3.3Vpkpk swing from the Pico for a smaller one, but it does mean you're not restricted to using rail-rail parts in the filter op-amp.
You could perhaps then restore the full voltage swing by setting the PAM input amplifier gain accordingly.

 
Print this page


To reply to this topic, you need to log in.

The Back Shed's forum code is written, and hosted, in Australia.
© JAQ Software 2026