Home
JAQForum Ver 24.01
Log In or Join  
Active Topics
Local Time 20:26 22 Apr 2026 Privacy Policy
Jump to

Notice. New forum software under development. It's going to miss a few functions and look a bit ugly for a while, but I'm working on it full time now as the old forum was too unstable. Couple days, all good. If you notice any issues, please contact me.

Forum Index : Microcontroller and PC projects : Adapter PCB Idea

     Page 1 of 2    
Author Message
jman

Guru

Joined: 12/06/2011
Location: New Zealand
Posts: 711
Posted: 07:16am 01 Aug 2011
Copy link to clipboard 
Print this post

Hi all

I was wondering if any of the PCB gurus out there could come up with a PCB for
inputs outputs etc that plugs into a Maximite see the Pic.

This PCB is the same size and shape as the current Maximite PCB
with a 26 IDC connector mounted on the bottom in a DIL header if needed to make the height. Then fit a vertical mount 26 pin IDC on the Maximite so two boards can be plugged togther if the user prefers they can use 2 right angle connectors and a ribbon cable.

On the PCB four or so analog inputs set up with resistors for voltage dividers and some bat diodes for protection. ie 2 resistors and 2 diodes per analog input maybe a 3.3 zener just in case (optional). 2 or so pins setup with 1 resistor to +5v for LM35Z temperature sensor use and 2 or 4 depends on space SPDT relays all this comes to the front edge and connected via PCB monuted screw terminals
I am sure we can squeese an RTC in there to

This way we just pick the resitor values and we are ready to measure analog !

I have add a pic a shield with screw terminals



Regards

John

Edited by jman 2011-08-02
 
vasi

Guru

Joined: 23/03/2007
Location: Romania
Posts: 1697
Posted: 02:47pm 01 Aug 2011
Copy link to clipboard 
Print this post

Hi John,

An educational board (extension, shield, whatever) with all sorts of peripherals, switches and sensors can be easily designed but, an add-on board specific to your application is up to you (or at least, you can come up with all specifications and requirements).

For an educational board, must be made a list or a sort of poll, to gather all the wishes... we may end up with two or three boards, depends on the application target...

VasiEdited by vasi 2011-08-03
Hobbit name: Togo Toadfoot of Frogmorton
Elvish name: Mablung Miriel
Beyound Arduino Lang
 
VK6MRG

Guru

Joined: 08/06/2011
Location: Australia
Posts: 347
Posted: 04:58pm 01 Aug 2011
Copy link to clipboard 
Print this post

Hi Guys,
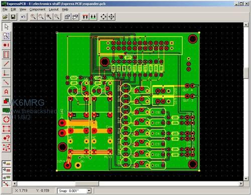
This is a an expander that I have drawn up to have made for my farm gate opener project.



6 digital inputs,
4 digital outputs, 2 relay and 2 transistor switched.

Designed to plug onto the Maximite EV (MINI)

PS. still a work in progress.

Its easier to ask forgiveness than to seek permission!

............VK6MRG.............VK3MGR............
 
jman

Guru

Joined: 12/06/2011
Location: New Zealand
Posts: 711
Posted: 07:13am 10 Sep 2011
Copy link to clipboard 
Print this post

So I got PCB's made for my requirements
This plugs into the Maximite (Header on Maximite is a straight type)
My PCB layout skills are not the best but the boards work ok.

Specs
Real time clock
4 relay outputs
4 Digital inputs (Transistor)
10 Analog inputs 2 of these are setup for LM35 temperature sensors.
Analog has divider just pick resistors to suit your input voltage

I have 2 spare boards with real time clock chips (8563) and crystals should anybody
want one @ around $20 NZD (This is pretty much the cost price)

Regards

John






 
Xiongmao

Regular Member

Joined: 25/08/2011
Location: Australia
Posts: 48
Posted: 08:34am 10 Sep 2011
Copy link to clipboard 
Print this post

I'll take one. just PM me your details.
 
jman

Guru

Joined: 12/06/2011
Location: New Zealand
Posts: 711
Posted: 10:38am 10 Sep 2011
Copy link to clipboard 
Print this post

PM sent

John
 
Ray B
Senior Member

Joined: 16/02/2007
Location: Australia
Posts: 219
Posted: 10:47am 10 Sep 2011
Copy link to clipboard 
Print this post

VK6MRG & JMAN are you offering your artwork for those who want to "roll their own" or modify. e.g. maybe with DesignSparkPCB that was discussed yesterday or Eagle that will be promoted in the next Silicon Chip.

RayB from Perth WA
 
jman

Guru

Joined: 12/06/2011
Location: New Zealand
Posts: 711
Posted: 11:59am 10 Sep 2011
Copy link to clipboard 
Print this post

Sure No Problem

I did this one with Pad2Pad

I will post the files here

John

Edit Files added
2011-09-10_222015_MaximiteAddon.zipEdited by jman 2011-09-11
 
Ray B
Senior Member

Joined: 16/02/2007
Location: Australia
Posts: 219
Posted: 01:35pm 10 Sep 2011
Copy link to clipboard 
Print this post

Thanks John - downloaded file but wont open in DesignSpark or in DIPTrace where when I try to import as a PCAD ASACII PCB it fails to open.

I downloaded your Pad2Pad & it opens there ok so file is not corrupt but then the SaveAs or Export choices are limited except maybe as DXF for the mechanical outline - which opened for me ok in TurboCAD. Hope these comments help others...

So much for portability between applications.

At the end of the day I know some members are producing boards for commercial purposes & yes they are well priced but then some others may want to make their own. Still battling with what PCB / Schematic program to standadize on as we all know once we start with one we don't want to convert.
Cheers
RayB from Perth WA
 
VK6MRG

Guru

Joined: 08/06/2011
Location: Australia
Posts: 347
Posted: 01:44pm 10 Sep 2011
Copy link to clipboard 
Print this post

Maybe a good idea to have a poll to see what people are using to design PCB's. As I’m just starting to learn Design Spark, now would be a good time for everyone to come up with a common PCB design program for all to use.
Its easier to ask forgiveness than to seek permission!

............VK6MRG.............VK3MGR............
 
jman

Guru

Joined: 12/06/2011
Location: New Zealand
Posts: 711
Posted: 08:33pm 10 Sep 2011
Copy link to clipboard 
Print this post

  VK6MRG said   Maybe a good idea to have a poll to see what people are using to design PCB's. As I’m just starting to learn Design Spark, now would be a good time for everyone to come up with a common PCB design program for all to use.


Yip I agree


John
 
vasi

Guru

Joined: 23/03/2007
Location: Romania
Posts: 1697
Posted: 11:28pm 10 Sep 2011
Copy link to clipboard 
Print this post

1. I would say KiCAD for unlimited size and components and for a good PCB designer and good production files (it can be used in industrial environment). It can import (via some Eagle scripts) Eagle component libraries, boards and schematics. But you need to read a little .pdf tutorial (it come with the installer) to be ready to work with it. Not good for homemade CNC Router (maybe only for drilling)...
It is available for Win&Linux (on Mac have some problems).

2. Eagle is the most used with good libraries and footprints for Arduino shields (also a lot of Arduino shields and other open hardware projects come in Eagle format) but is limited on board size. You can use free, excellent scripts to generate g-code.

3. DipTrace for the easiest CAD program but limited on PADS (300 pads, though the design can be continued using vias instead of pads) and not limited on board size. It also generate:
[quote]DipTrace allows you to export edge polylines to DXF. The DXF files can be converted to G-code with Ace Converter (it's free).[/quote] So, very good for those having CNC Router and does not want to use other extra tools. Very good import/export features (imports Eagle schematics and components). Eagle complements it well.

If a general PCB designer is wanted, then we must see what it have to offer on:
- easy to use,
- good component library,
- component editor,
- export/import features,
- print features (for home made boards)
- g-code features (home made CNC but not for all)
- production files (for PCB fab houses).

VasiEdited by vasi 2011-09-12
Hobbit name: Togo Toadfoot of Frogmorton
Elvish name: Mablung Miriel
Beyound Arduino Lang
 
Ray B
Senior Member

Joined: 16/02/2007
Location: Australia
Posts: 219
Posted: 12:07am 11 Sep 2011
Copy link to clipboard 
Print this post

Once again Vasi can be relied upon to come up with alternatives like KiCAD.
Following link compares KiCAD and Eagle http://www.bigmessowires.com/2010/05/03/eagle-vs-kicad/

RayB from Perth WA
 
bigmik

Guru

Joined: 20/06/2011
Location: Australia
Posts: 2980
Posted: 12:44am 11 Sep 2011
Copy link to clipboard 
Print this post

  VK6MRG said   Maybe a good idea to have a poll to see what people are using to design PCB's. As I’m just starting to learn Design Spark, now would be a good time for everyone to come up with a common PCB design program for all to use.


I use Protel Design explorer 99se,,

Why??? Because its the one my Company wanted for their stuff and I know how to use it...

Personally I find its interface quite awkward but it produces great results.

Mick

PS. There are some serious issues with Protel 99se and WIN 7, I have mine running in a VMware XPpro virtual Machine under WIN 7 home premium and its fine.

Link here on how to set up VMWare (free)

VMWare How-To

MikEdited by bigmik 2011-09-12
Mick's uMite Stuff can be found >>> HERE (Kindly hosted by Dontronics) <<<
 
vasi

Guru

Joined: 23/03/2007
Location: Romania
Posts: 1697
Posted: 01:16am 11 Sep 2011
Copy link to clipboard 
Print this post

Nice comments on that article.

I also can add that Eagle does not have a Pad editor on board as KiCAD have. By example, on your board you have 8 groups of drills with different diameters and your pCB fab house wants a maximum of 6 drill bits per board, with specific diameters. In Eagle, the only way to change the diameter hole of a pad is to modify the component inside the library tool. Is a pain. In KiCAD just double click on a pad and you have a dialog window with a lot of options and details. For KiCAD is already a complete Eagle component library ported. Just need to be downloaded and installed (from another site).

I recommend reading the comments from that article to see where the author did mistakes in his evaluation.

Nice article here but still, not the best one.
Hobbit name: Togo Toadfoot of Frogmorton
Elvish name: Mablung Miriel
Beyound Arduino Lang
 
Bryan1

Guru

Joined: 22/02/2006
Location: Australia
Posts: 1876
Posted: 02:09am 11 Sep 2011
Copy link to clipboard 
Print this post

I have tried using Eagle and Kicad in the past but I still prefer sprint layout to any other PCB software package. One doesn't need to have the part on file and it it is too easy to make new components and save them as a macros. The test feature is very handy for checking the circuits and any newbie trying for the first time will find it a easy package to learn. The best part it is a 10th or more less than any other pcb commercial package so home DIYer's can use it.

The export feature is also great for guys that want to route the boards on a cnc and with one button click the pcb design can be set to isolation which is purfect for cnc milling. For testing I have exported a few pcb designs and simmed them in Kcam with success everytime.

Cheers BryanEdited by Bryan1 2011-09-12
 
Dinosaur

Guru

Joined: 12/08/2011
Location: Australia
Posts: 350
Posted: 04:54am 11 Sep 2011
Copy link to clipboard 
Print this post

Hi All

I am interested in buying interface cards for the Maximite or the DuinoMite.
But I cant handle transistor inputs or outputs. They have to be opto's.
Neither do I want to spend the time designing and getting them made.

So, anyone who is contemplating such a design, I am interested.

Regards
Regards
Hervey Bay Qld.
 
VK6MRG

Guru

Joined: 08/06/2011
Location: Australia
Posts: 347
Posted: 05:01am 11 Sep 2011
Copy link to clipboard 
Print this post

Can you make up a schematic of a single channel opto isolated input circuit and I’ll see if I can add it into my Maximite interface PCB design.Edited by VK6MRG 2011-09-12
Its easier to ask forgiveness than to seek permission!

............VK6MRG.............VK3MGR............
 
Dinosaur

Guru

Joined: 12/08/2011
Location: Australia
Posts: 350
Posted: 05:36am 11 Sep 2011
Copy link to clipboard 
Print this post

Hi All

Below a pic of what I use for the UBW32.



There are better options for the Output opto which is a bit slow on the PVN-012
But I have this working reliably on Machines in Geraldton & Mildura.

Regards
Regards
Hervey Bay Qld.
 
Ray B
Senior Member

Joined: 16/02/2007
Location: Australia
Posts: 219
Posted: 07:17am 11 Sep 2011
Copy link to clipboard 
Print this post

My concept for a flexible I/O board is to have all of the MM I/O coming out on the board to headers with a range of headers to cross connect to on-board circuit module components like Optos, Relays etc. You just then cross connect what you require. If course some I/O would be dedicated to some purposed e.g. COM1 & would connect to TTL I/O header and also Max232.

I'm a bit neurotic about blowing of the micro chip with strange voltages - hate to try to desolder & resolder it.
RayB from Perth WA
 
     Page 1 of 2    
Print this page
The Back Shed's forum code is written, and hosted, in Australia.
© JAQ Software 2026