Home
JAQForum Ver 24.01
Log In or Join  
Active Topics
Local Time 06:09 28 Apr 2026 Privacy Policy
Jump to

Notice. New forum software under development. It's going to miss a few functions and look a bit ugly for a while, but I'm working on it full time now as the old forum was too unstable. Couple days, all good. If you notice any issues, please contact me.

Forum Index : Microcontroller and PC projects : Porting a little Arduino code....

Author Message
Grogster

Admin Group

Joined: 31/12/2012
Location: New Zealand
Posts: 9936
Posted: 04:07pm 21 Jan 2015
Copy link to clipboard 
Print this post

Hi folks.

I have some of these LED displays from eBay on order, and I have been able to find the technical docs for this thing.

You can find the schematic etc at this link.

It is reasonably simple logic driving circuits by the look of it, and I see they give some example Arduino code, but I have no idea how to read that code, as I have never ever touched an Arduino, so I know nothing at all about Arduino code.

It looks to me like they define a character table in the line starting with LED_SEG_TAB at the top of the code, so I am guessing I can steal these hex values, as someone has already worked that bit out for me. I would probably shove that data into an array, so that I could just call the element from the array for the number I want to show - that bit seems easy enough.

However, how to do the shift-out kind of commands with the MicroMite, would be where I would get stuck, so if anyone can help me out, that would be great.

Don't port the code for me - I won't learn anything that way, but some pointers would be very helpful.
Smoke makes things work. When the smoke gets out, it stops!
 
centrex

Guru

Joined: 13/11/2011
Location: Australia
Posts: 320
Posted: 07:59pm 21 Jan 2015
Copy link to clipboard 
Print this post

Hi Grogster
No joy finding a schematic on the link.
Cliff
Cliff
 
TassyJim

Guru

Joined: 07/08/2011
Location: Australia
Posts: 6509
Posted: 09:41pm 21 Jan 2015
Copy link to clipboard 
Print this post

There have been a few people here who have used the 74HC595 chip so do a search of the forum and I am sure the gory details will appear.

I have some here but like most things, it is still in the to-do pile.

Jim
VK7JH
MMedit
 
Grogster

Admin Group

Joined: 31/12/2012
Location: New Zealand
Posts: 9936
Posted: 11:06pm 21 Jan 2015
Copy link to clipboard 
Print this post

Hi folks.

@ centrex - Here is another attempt at the link to the info.

@ TassyJim - I will have a search around the forums.

I have a feeling I can do something with the pulse command and a loop. The tinkering continues....

EDIT: No, TBS software does not like the parenthesis in the link. You will have to copy the text link below, and paste-and-go in your browser.

http://www.electrodragon.com/w/4-Digi,_7-segment_LED_Display _Module_(595_Static_Control,_Arduino_Supported)

EDIT: I found this thread, which is just about exactly what I want to do. My thoughts are now steering towards using SPI.

Edited by Grogster 2015-01-23
Smoke makes things work. When the smoke gets out, it stops!
 
matherp
Guru

Joined: 11/12/2012
Location: United Kingdom
Posts: 11250
Posted: 11:57pm 21 Jan 2015
Copy link to clipboard 
Print this post

The 74HC595 documentation is stupidly confusing but the chip is very easy to use.

We can assume that there are 4 chips to drive the 4 displays. These will be daisy-chained together.

This is the header from my use of the 74HC595 to drive a parallel display:

dim integer LT_latch=7 'b3 connect to pin 12 on all 74HC595
DIM integer Master_reset=15 ' connect to reset on all 74HC595 (pin 10)
' SPI Clock - connect to pin 11 on both 74HC595
' SPI Out - connect to pin 14 on first 74HC595
' connect pin 14 on second 74HC595 to pin 9 on first, etc.
' connect pin 13 (output enable) on both 74HC595 to GND
pin(LT_latch)=0
setpin LT_latch,dout

If it is 4 chips use SPI OPEN 1000000,3,32 to send all the data in one go

then:
i=spi(&HFFFFFFFF)
pulse LT_latch,0.01

should light all the display elements
 
Grogster

Admin Group

Joined: 31/12/2012
Location: New Zealand
Posts: 9936
Posted: 12:11am 22 Jan 2015
Copy link to clipboard 
Print this post

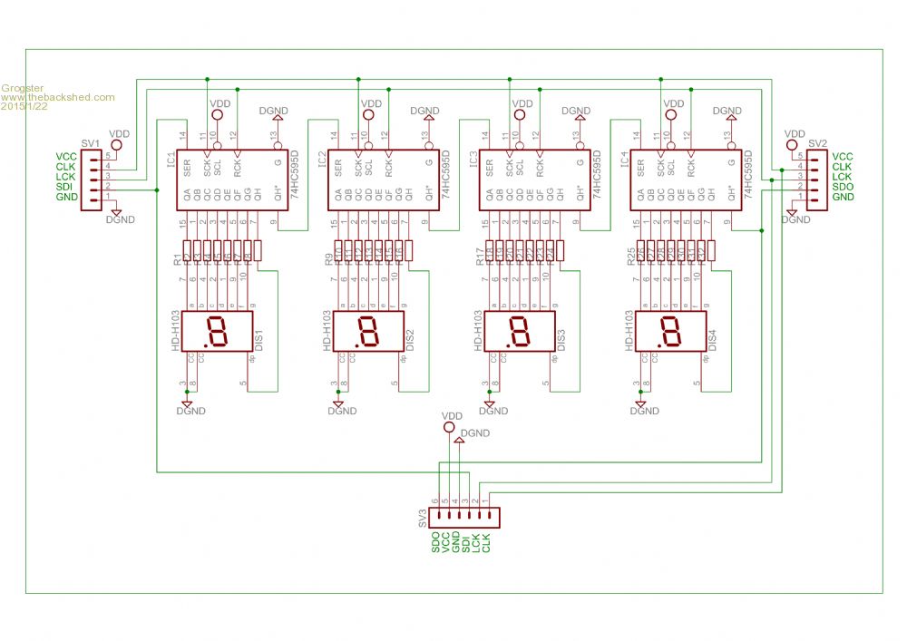
Hello.

Here is the circuit for the display, stolen from an image on the link above:





From what I can see, all 595's are daisy-chained together(you are right!), so to show any four digits, I need to clock 32 bits to the display, then clock the RCK line, which should pass that data through to the segments, lighting up what is needed.

While clocking the 32-bit data to the display, I get the impression that the display will not change, until you clock the RCK line. Each time you do that, whatever bits are loaded into the registers will be reflected in the output - in this case, LED segments.
Smoke makes things work. When the smoke gets out, it stops!
 
Grogster

Admin Group

Joined: 31/12/2012
Location: New Zealand
Posts: 9936
Posted: 12:20am 22 Jan 2015
Copy link to clipboard 
Print this post

  matherp said  If it is 4 chips use SPI OPEN 1000000,3,32 to send all the data in one go

then:
i=spi(&HFFFFFFFF)
pulse LT_latch,0.01

should light all the display elements


Do you have any bright ideas as to how I would build the 32-bit word to send to the display, representing the four digits I need?

Lets start with something simple like "1234"

Assuming the data from the Arduio code is right, then the 8-bit data for the numbers would be: "1"=&H60, "2"=&HDA, "3"=&HF2 and "4"=&H66.

How do I combine those bytes in the correct way, to generate the 32-bit word to send?
Smoke makes things work. When the smoke gets out, it stops!
 
matherp
Guru

Joined: 11/12/2012
Location: United Kingdom
Posts: 11250
Posted: 12:21am 22 Jan 2015
Copy link to clipboard 
Print this post

data &H7E, &H30, &H6D, &H79, &H33, &H5B, &H5F, &H70, &H7F, &H7B, &H77, &H1F, &H4E, &H3D, &H4F, &H47, &H5E, &H37
data &H30, &H3C, &H2F, &H0E, &H55, &H15, &H1D, &H67, &H73, &H05, &H5B, &H0F, &H3E, &H1C, &H5C, &H49, &H3B, &H6D

Depending on how the display is wired these may give 0-9,A-Z (approximations to the letter)
 
bigmik

Guru

Joined: 20/06/2011
Location: Australia
Posts: 2980
Posted: 01:27am 22 Jan 2015
Copy link to clipboard 
Print this post

Grogster,

You could always have a look at the IO Panel that I have available. Whilst the board might be too large for your application you can use the relevant parts of the circuit..

It would be a pleasure to send you one for you to play around with if you like.

The difference in driving this is that each bank of 8 bits can drive an individual display and will have its own I2C address.

So 4 Displays will occupy four addresses and they will not have to be multiplexed or blanked whilst a load is `rippled' in.

Have a think about it.

Regards,

Mick

Edited by bigmik 2015-01-23
Mick's uMite Stuff can be found >>> HERE (Kindly hosted by Dontronics) <<<
 
matherp
Guru

Joined: 11/12/2012
Location: United Kingdom
Posts: 11250
Posted: 01:51am 22 Jan 2015
Copy link to clipboard 
Print this post

  Quote  o you have any bright ideas as to how I would build the 32-bit word to send to the display, representing the four digits I need?


dim integer a=&H12
dim integer b=&H34
dim integer c=&H56
dim integer d=&H78
dim integer s=(a<<24)+(b<<16)+(c<<8)+d
 
Grogster

Admin Group

Joined: 31/12/2012
Location: New Zealand
Posts: 9936
Posted: 02:08am 22 Jan 2015
Copy link to clipboard 
Print this post

@ mick - Thanks for the offer - I will email you about it.

@ matherp - Thanks a bunch!

That last line of mathematics was what I could not get my head around....

You, on the other hand, seem to be rather good with the numbers.

Smoke makes things work. When the smoke gets out, it stops!
 
JohnS
Guru

Joined: 18/11/2011
Location: United Kingdom
Posts: 4304
Posted: 03:03am 22 Jan 2015
Copy link to clipboard 
Print this post

Should also be able to do
dim integer s=&h12345678

I hope.

John
 
Print this page


To reply to this topic, you need to log in.

The Back Shed's forum code is written, and hosted, in Australia.
© JAQ Software 2026