Home
JAQForum Ver 24.01
Log In or Join  
Active Topics
Local Time 07:32 28 Apr 2026 Privacy Policy
Jump to

Notice. New forum software under development. It's going to miss a few functions and look a bit ugly for a while, but I'm working on it full time now as the old forum was too unstable. Couple days, all good. If you notice any issues, please contact me.

Forum Index : Microcontroller and PC projects : Little Demo

Author Message
cicciocb
Regular Member

Joined: 29/04/2014
Location: France
Posts: 72
Posted: 01:15am 10 Feb 2015
Copy link to clipboard 
Print this post

Hello,
this is just an example of what can be done with a Micromite, a display and an SDcard.

Regards

example
 
Grogster

Admin Group

Joined: 31/12/2012
Location: New Zealand
Posts: 9936
Posted: 01:26am 10 Feb 2015
Copy link to clipboard 
Print this post

Impressive. How are you talking to the SD card?
Smoke makes things work. When the smoke gets out, it stops!
 
cicciocb
Regular Member

Joined: 29/04/2014
Location: France
Posts: 72
Posted: 08:05am 10 Feb 2015
Copy link to clipboard 
Print this post

Using the easy way.....
I extended the command set including the TFT and the SD fat functions in the micromite core
 
Oldbitcollector

Senior Member

Joined: 16/05/2014
Location: United States
Posts: 172
Posted: 08:44am 10 Feb 2015
Copy link to clipboard 
Print this post

Very nice...

Would you mind sharing your code? I'd love to see this running here.
I'd also love to see how you interfaced to the SD.


My Propeller/Micromite mini-computer project.
 
bigmik

Guru

Joined: 20/06/2011
Location: Australia
Posts: 2980
Posted: 07:38pm 10 Feb 2015
Copy link to clipboard 
Print this post

Ciciocb,

I assume you loaded the pictures from the SD card ? ... Nice...

Mick
Mick's uMite Stuff can be found >>> HERE (Kindly hosted by Dontronics) <<<
 
cicciocb
Regular Member

Joined: 29/04/2014
Location: France
Posts: 72
Posted: 12:12am 11 Feb 2015
Copy link to clipboard 
Print this post

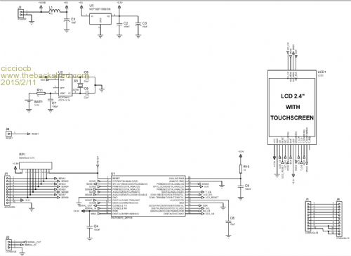
Yes, the images come from the SD card. The icons shown in the demo are also loaded directly from the SD card, each time with a different background (the alpha color).
From an HW point of view, the SD card is simply connected using the SPI bus (3 pins) and another pin for the CS.
The SD card shares the same bus with the TFT display.

In fact this little device is a temperature logger permitting to record up to 8 sensors; the log is recorded on the SD card in .csv format permitting to open directly into excel.

You can see another video here showing more details
demo2

The complete schematic is also here



The same attached:
2015-02-11_102738_schematic.zip
Edited by cicciocb 2015-02-12
 
cicciocb
Regular Member

Joined: 29/04/2014
Location: France
Posts: 72
Posted: 03:00am 12 Feb 2015
Copy link to clipboard 
Print this post

Hello,
see the many requests via PM, I put all the source codes here :

sources
 
Grogster

Admin Group

Joined: 31/12/2012
Location: New Zealand
Posts: 9936
Posted: 03:58am 12 Feb 2015
Copy link to clipboard 
Print this post

If you have added SD card functions to the Micromite C-code firmware(not by way of Cfunctions), and are releasing that WITHOUT Geoff's permission, you might be in hot water.

You are not allowed to release your own ports of the Micromite code-base.
That is a right reserved by Geoff.

You CAN add the features you have, but you must keep the source code private and not publish it or release it publicly for anyone else to use - that is my interpretation of the license, anyway.

If you have added the FAT and graphics routines to MMBASIC by way of Cfunctions, then that is fine.

Your link would not work for me - it just kept linking me to ad-ware after ad-ware exe, and not the file I wanted, so I am unable to verify if your link is a link to your customized version of the C source code or not.

If it is......


Smoke makes things work. When the smoke gets out, it stops!
 
Oldbitcollector

Senior Member

Joined: 16/05/2014
Location: United States
Posts: 172
Posted: 07:19am 12 Feb 2015
Copy link to clipboard 
Print this post

+1 Grogster

You could probably do better than 4shared.com as a distro.

If you are interested in contributing some code to the community, then post up a version of just your TFT or SD code (without the Micromite source section).

I'm betting that a collaboration of the talents here could probably help convert your code to Cfunctions which would help everyone and put you back in line with Geoff's license.


My Propeller/Micromite mini-computer project.
 
jman

Guru

Joined: 12/06/2011
Location: New Zealand
Posts: 711
Posted: 11:03am 12 Feb 2015
Copy link to clipboard 
Print this post

  cicciocb said   Hello,
see the many requests via PM, I put all the source codes here :

sources


The source zip file has a password ?

Regards
Jman
 
Grogster

Admin Group

Joined: 31/12/2012
Location: New Zealand
Posts: 9936
Posted: 01:31pm 12 Feb 2015
Copy link to clipboard 
Print this post

Yeah, in my attempt to verify what the "sources" link actually contains, I had to quite actively FIGHT 4shared just to get the download at all - the page is absolutely flooded with ads linking to other stuff. I'm guessing everyone else who tried had the same issues?

Perhaps cicciocb needs to get himself/herself a free Dropbox account - then sharing is very simple and slick, with none of that intensive ad stuff. You just share your link, and anyone can follow directly to that, and you can remove the link anytime YOU like.

...and that is all via the free Dropbox option too.

I was finally able to download a self-extracting RAR file as an exe with the name of the source code in the link, but this exe wanted to install a "Free" download manager in order to download the original file: "All files hosted on 4shared are managed by our download manager" - not verbatim, but that was was gist of the message.

I did not let it install, but there was no cancel option. The start screen had a "Next" button to accept and install only, which is bad practice, as you should always allow people to opt-out. In my case, I killed it at that point with task-manager, but still - not a good experience all round, just to get hold of a file - any file.

@ cicciocb - Please understand that I am not knocking you for trying to share your file via 4shared - I am knocking the 4shared process. It was nasty.
Smoke makes things work. When the smoke gets out, it stops!
 
Oldbitcollector

Senior Member

Joined: 16/05/2014
Location: United States
Posts: 172
Posted: 02:13pm 12 Feb 2015
Copy link to clipboard 
Print this post

  jman said  
  cicciocb said   Hello,
see the many requests via PM, I put all the source codes here :

sources


The source zip file has a password ?

Regards
Jman



Confirmed, it does have a password.. I've no clue past that.

I was able to bypass the issues that Grogster had from my Linux box and Adblocking scripts, but agree that Dropbox would be a better resource.
My Propeller/Micromite mini-computer project.
 
Print this page


To reply to this topic, you need to log in.

The Back Shed's forum code is written, and hosted, in Australia.
© JAQ Software 2026