Home
JAQForum Ver 24.01
Log In or Join  
Active Topics
Local Time 10:10 28 Apr 2026 Privacy Policy
Jump to

Notice. New forum software under development. It's going to miss a few functions and look a bit ugly for a while, but I'm working on it full time now as the old forum was too unstable. Couple days, all good. If you notice any issues, please contact me.

Forum Index : Microcontroller and PC projects : Zener diode

Author Message
Sir_M
Newbie

Joined: 14/01/2013
Location: Sweden
Posts: 15
Posted: 04:59am 07 Mar 2015
Copy link to clipboard 
Print this post

Hi all

Am I thinking right here?



/ J
 
boss

Senior Member

Joined: 19/08/2011
Location: Canada
Posts: 268
Posted: 05:34am 07 Mar 2015
Copy link to clipboard 
Print this post

@Sir_M

Nothing wrong with your circuit. What is the purpose for?

 
redrok

Senior Member

Joined: 15/09/2014
Location: United States
Posts: 209
Posted: 05:41am 07 Mar 2015
Copy link to clipboard 
Print this post

Hi Sir_M;
  Sir_M said   Hi all
Am I thinking right here?

No.

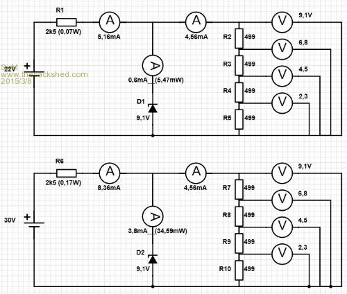
The four 499 ohm resistors in series draw quite a bit of current. So much so there will be none left to go through the regulating zener.

I would suggest raising R2...R5 to 2K each.

Or

R1 can be lowered to 2.5K any you can still use the 499 Ohm resistors.
R1 will need to be rated at least 1/4 watt.

redrok
Edited by redrok 2015-03-08
 
Sir_M
Newbie

Joined: 14/01/2013
Location: Sweden
Posts: 15
Posted: 05:47am 07 Mar 2015
Copy link to clipboard 
Print this post

@Boss
Thanks for reply. Basic programming is much easier than basic electronics
Its for using a 0-10V analog input on a PLC for setting parameters with a dip-switch. The zener is for stabilize the voltage so I know that the resistor/voltage divider givexs the right input regardeless of source voltage (between 24-30V).
/ J

@Redrok
Ah, got it. Better to raise 499 to 2k to keep the overall consumption/heating as low as possible.
/JEdited by Sir_M 2015-03-08
 
boss

Senior Member

Joined: 19/08/2011
Location: Canada
Posts: 268
Posted: 06:07am 07 Mar 2015
Copy link to clipboard 
Print this post

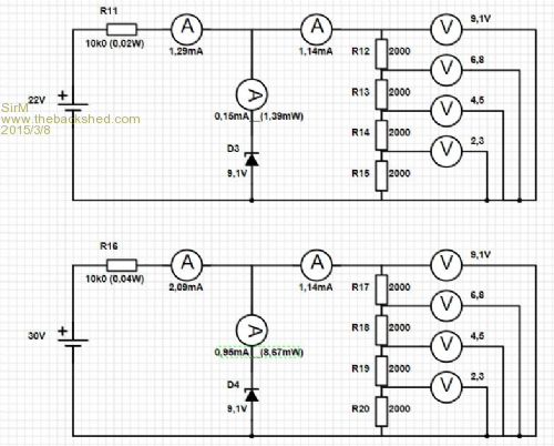
I recalculated your circuit. Basic design is O.K. but :

(24V-9.1V)/10kOhm=1.5mA
1.5mA*500Ohm=0.75V which is wrong, you have to increase current at least 5mA that means @24-9.1)/.005=2700 Ohm (2k7) resistor

Sorry for confusion,

Regards
Bo
 
Grogster

Admin Group

Joined: 31/12/2012
Location: New Zealand
Posts: 9936
Posted: 01:58pm 07 Mar 2015
Copy link to clipboard 
Print this post

I'm probably missing something here, but if you need stable input voltages via switches to your PLC, why don't you use voltage regulators rather then a zener and potential divider?

...I guess if you want it as simple as possible, but I don't like zener regulators much...(but then, that makes me BIASED!!! Ha, Ha, Ha, Ha, Ha!!!! )
Smoke makes things work. When the smoke gets out, it stops!
 
Sir_M
Newbie

Joined: 14/01/2013
Location: Sweden
Posts: 15
Posted: 04:26am 08 Mar 2015
Copy link to clipboard 
Print this post

@ Grogster
Started with just a solution among others.
Now it have become a basic school in electronics for me.


Wonder if I´ve got it right this time...







/ J
 
redrok

Senior Member

Joined: 15/09/2014
Location: United States
Posts: 209
Posted: 05:25am 08 Mar 2015
Copy link to clipboard 
Print this post

Hi Sir_M;
  Sir_M said  
Wonder if I've got it right this time...

Yes, you have it right.
I might suggest you change the 2.5K to 2.4K because 2.4K is a standard 5% value.

The PLC I use supplies a regulated 24VDC output. Mine also has a 0V to 10V analog input.
The input impedance of mine is 1M ohm so has little loading effect on the divider circuit. Presumably yours is also 1M ohm.

If you have a regulated 24V output, as mine has, you may want to try:

R1 = 5.6K and R2...R5 = 1K and eliminate the zener diode.
This would then have taps at 0V, 2.5V, 5V, 7.5V, and 10V. (Within the 5% error of course.)

Or

R1 = 1.4K and R2...R5 = 499 and eliminate the zener diode. (assuming you have the 499 ohm 1% resistors.)
This would then have taps at 0V, 2.5V, 5V, 7.5V, and 10V. (Within the 5% error of course.)

redrok
Edited by redrok 2015-03-09
 
Sir_M
Newbie

Joined: 14/01/2013
Location: Sweden
Posts: 15
Posted: 11:11am 08 Mar 2015
Copy link to clipboard 
Print this post

Nopes, no regulated output, its mounted on a truck with 24V system.
That was the reason that i found my self at Zener "school bench"

Thanks a lot for helping me out here
/ J
 
TassyJim

Guru

Joined: 07/08/2011
Location: Australia
Posts: 6509
Posted: 07:34pm 08 Mar 2015
Copy link to clipboard 
Print this post

A while ago we (The Back Shed mob) did some experiments with zeners as input protection.
It soon became obvious that they are not very precise as a voltage reference.
The voltage drop is very dependent on the current flowing through the Zener.

It would be best to use a 3 terminal regulator instead of the Zener.

Jim
VK7JH
MMedit
 
Print this page


To reply to this topic, you need to log in.

The Back Shed's forum code is written, and hosted, in Australia.
© JAQ Software 2026