Home
JAQForum Ver 24.01
Log In or Join  
Active Topics
Local Time 00:14 01 May 2026 Privacy Policy
Jump to

Notice. New forum software under development. It's going to miss a few functions and look a bit ugly for a while, but I'm working on it full time now as the old forum was too unstable. Couple days, all good. If you notice any issues, please contact me.

Forum Index : Microcontroller and PC projects : Christmas Lights 2016

Author Message
Bill.b

Senior Member

Joined: 25/06/2011
Location: Australia
Posts: 244
Posted: 12:52pm 09 Dec 2016
Copy link to clipboard 
Print this post

Hi and marry Christmas to all.

Here is the latest video of my light display.

The carnival is the main attraction that all the local children love.

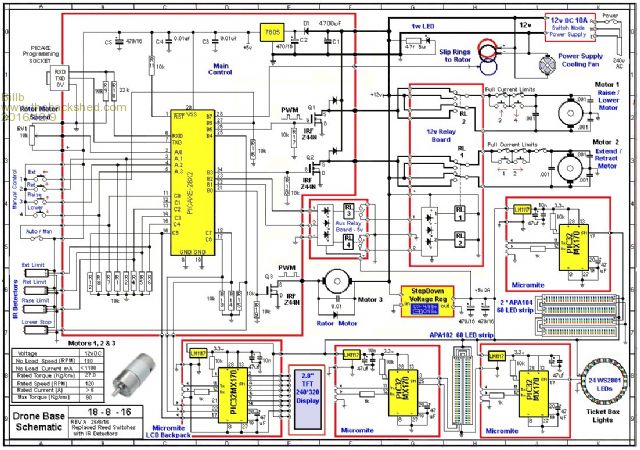
The new addition is the DRONE ride. This is controlled by a picaxe 28X2 as the main controller with a 14m2 controlling the
operation of the seat rotation.

Also there are four PIC32MX170s controlling the LCD and strip LED lights.
One LCD backpack and 3 of BigMicks 170 boards.

All up there are three high torque 12v motors and four worm drive motors for the seats.

https://www.youtube.com/watch?v=XrBXMeq9stg&t=3s


Shematics of the Drone








Also the sign is new, this uses the 64 x 32 LED display
and Peters RGB Driver.


Bill
Edited by Bill.b 2016-12-10
In the interests of the environment, this post has been constructed entirely from recycled electrons.
 
Grogster

Admin Group

Joined: 31/12/2012
Location: New Zealand
Posts: 9938
Posted: 04:08pm 09 Dec 2016
Copy link to clipboard 
Print this post

Awesome.
Smoke makes things work. When the smoke gets out, it stops!
 
plover

Guru

Joined: 18/04/2013
Location: Australia
Posts: 306
Posted: 05:59pm 09 Dec 2016
Copy link to clipboard 
Print this post

That is impressive, congratulations!!
 
RonnS
Senior Member

Joined: 16/07/2015
Location: Germany
Posts: 122
Posted: 05:31am 12 Dec 2016
Copy link to clipboard 
Print this post

hi Bill,

a great work..i like it

 
Phil23
Guru

Joined: 27/03/2016
Location: Australia
Posts: 1667
Posted: 10:45am 13 Dec 2016
Copy link to clipboard 
Print this post

Totally Superb effort.

Deserves the utmost of credit for all the details.

 
Print this page


To reply to this topic, you need to log in.

The Back Shed's forum code is written, and hosted, in Australia.
© JAQ Software 2026