Home
JAQForum Ver 24.01
Log In or Join  
Active Topics
Local Time 13:37 22 Apr 2026 Privacy Policy
Jump to

Notice. New forum software under development. It's going to miss a few functions and look a bit ugly for a while, but I'm working on it full time now as the old forum was too unstable. Couple days, all good. If you notice any issues, please contact me.

Forum Index : Solar : PV Charge Controller for 100v Battery Bank Designs

     Page 2 of 3    
Author Message
Solar Mike
Guru

Joined: 08/02/2015
Location: New Zealand
Posts: 1203
Posted: 11:15am 11 May 2020
Copy link to clipboard 
Print this post

Well I still haven't sent those files off. I want to do some more experimentation and have made a more generic module that has these optional functions (129 x 46mm).

1: Synchronous mosfet driver
2: PV Isolation Switch
3: Buck driver

I want to run the mppt section at 62 to 100 Khz, so a better design is needed.

The pcb has the functionality such that the buck driver may have the optional sections simple cut off with tin-snips. In light of the work Poida is doing, the mosfet PV isolation switch may not be required or replaced by a relay. The synchronous rectifier section similarly maybe chopped off if not required and a schottky rectifier used instead. Rather than send off multiple board designs its easier to do it on one.

The buck driver section is always needed and maybe used standalone, I have changed the design of this section to use a modern fully isolated emulated opto type coupler driver, Si8261BBC-C-IS    this version of it has under voltage lockout set at 8 volts and low 2.5//4 amp capability, the chip drives dual ZXG3005E6 10amp drivers positioned directly at the gate of each mosfet. The mosfets used IRFP4668 need quite a high gate current to switch quickly and as I have  at least 50 of those tiny ZXG things, about time they were used.

Here is the PCB, will draw up the schematic to check it.







Cheers
Mike
 
Solar Mike
Guru

Joined: 08/02/2015
Location: New Zealand
Posts: 1203
Posted: 10:52am 12 May 2020
Copy link to clipboard 
Print this post

Pays to read the manual, drawing up the circuit and checking the spec sheet, the pseudo opto input doesn't like reverse drive voltages in the off state, here is what it expects.


(C) is only good for short wires back to the cpu, (B) is the best, so that's what I have re-done on the more critical buck switch.

Here is the final layout and pcb.




schematic.pdf








Few more items remaining then I can send this lot off and get started on actually building something.

Mike
Edited 2020-05-12 20:55 by Solar Mike
 
Solar Mike
Guru

Joined: 08/02/2015
Location: New Zealand
Posts: 1203
Posted: 10:06am 22 May 2020
Copy link to clipboard 
Print this post

Well the few more items remaining has expanded some what; after tromping all over my roof armed with a tape measure last week to work out where to put the new PV panels that have now arrived; I'm limited to various series combinations that will fit.
The existing solar thermal hot water panels residing in the center of the roof means the best combinations of PV that will fit are groups of 5 panels in series, so the mppt voltage will be 156v with an upper unloaded value of 192v. Means I need 250v capacitors of which I have none, after re-doing the calculations for the buck converter components I need an input of around 2000 to 3000uf 250v with approx 30 amp ripple rating. The output caps require approx 1500uf with 26 amp ripple.

The previous design needed a few modifications to the pcb to fit the extra components, I have implemented a relay for the PV isolation should that feature be required, or shorted out if not. Added modular plugin pcb's for the double pole analog filters and edge mounted cpu card. The mosfet driver card solders to the pcb pins.

RS sell these 30mm dia 560uf 250v items each with a 5.43 amp ripple rating, so 6 are required for the input.
The output capacitance is better achieved with many smaller items in parallel, These 100uf ones each have a 2amp ripple rating, so 15 in parallel will give me an easy 30 amp and 1500uf. I could have used the bigger 560's but then I would have too much capacitance and the voltage feedback response would be way too slow for stability.

Here is the first cut of the new layout.







Cheers
Mike
 
bob.steel
Senior Member

Joined: 27/02/2020
Location: Australia
Posts: 188
Posted: 03:06am 23 May 2020
Copy link to clipboard 
Print this post

Over here in the US you cannot work on your own stuff if the DC voltage exceeds about 70 volts I think.
Are you guys allowed to use 100v DC and put it up yourself there? Or do you have to be licenced ?

Thinking of doing a 110v output version later Mike?

This is very interesting and well documented.
Edited 2020-05-23 13:11 by bob.steel
 
Solar Mike
Guru

Joined: 08/02/2015
Location: New Zealand
Posts: 1203
Posted: 06:19am 23 May 2020
Copy link to clipboard 
Print this post

We have similar rules and regs here, I think if you stacked them in a pile they would be over a meter high, however 100 volts dc isn't an issue here. Everything has to be installed as per some NZ standard regardless of output voltage , lower voltages however don't require an electrical inspection. As a NZ qualified electronics tech who used to work on high power installations where the voltages exceeded 5 KV DC, all this low voltage stuff isn't an issue for me at least, but not recommended for non-qualified members of the public to play with; If in doubt get advice from a suitably qualified electrician.

The output 100v is nominal, my lifepo4 bank floats at 105.6v and peaks at 112v so that's what this controller will be putting out, however as its using 250 vdc output caps, can be made to run at anything below that.

Cheers
Mike
 
Solar Mike
Guru

Joined: 08/02/2015
Location: New Zealand
Posts: 1203
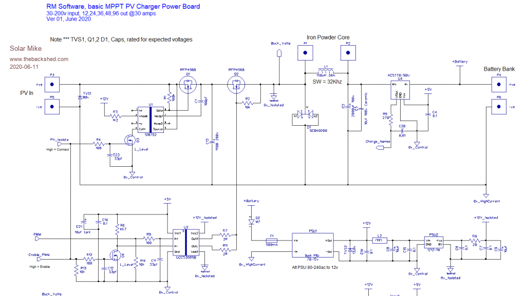
Posted: 09:33am 25 May 2020
Copy link to clipboard 
Print this post

This has been an interesting exercise, found a couple of issues in the circuit, and made some changes to the keypad connection. Otherwise no errors that I can find. I will have to modify the mosfet synchronous driver card as the driver chip "Drain" voltage sense has a 200v max, so will add a resistive divider.

Here is the bulk of the schematic which I drew up to check the pcb layout, not shown are the actual CPU card details or the 2 charge state output relays, reason I have for using the plugin CPU card is to make it an easy exercise to replace the CPU with another, like one of the "Mite family"





















Cheers
Mike
 
Solar Mike
Guru

Joined: 08/02/2015
Location: New Zealand
Posts: 1203
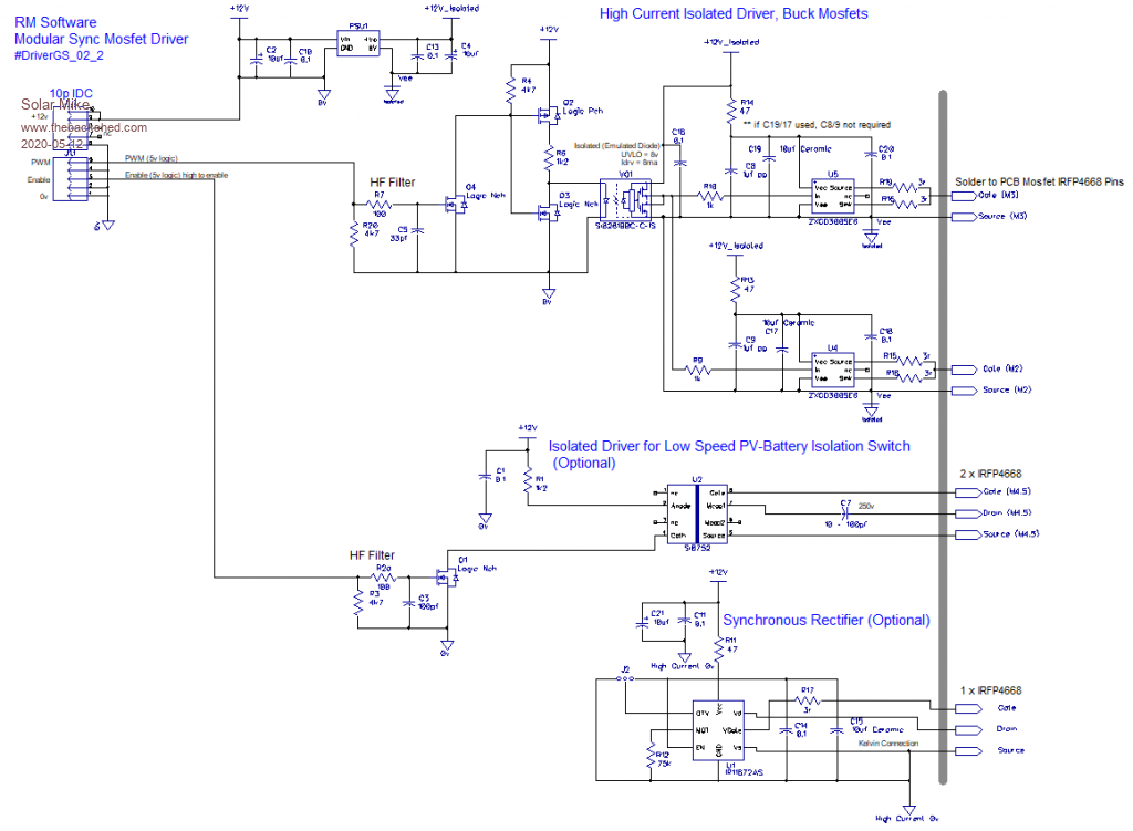
Posted: 08:56am 27 May 2020
Copy link to clipboard 
Print this post

Made changes to the generic driver module to allow it to run with > 200 volts input, the synchronous rectifier driver chip IR11672 has a max sense input of 200v, have added a resistive divider to allow in excess of 250v; this change also affects the chip voltage sensing points, but seems ok looking at the spec sheet.

As these drivers have limited current drive of only 2 amps, have implemented supplementary boosters for each mosfet using the ZXGD3005.

Have made the pcb so unwanted optional sections can be simply cut off, rather than designing multiple boards, the cut off bits can also be used standalone. Noting that all mosfets are mounted spaced 28mm apart on the heat sink.






Will make a schematic to check it.


Cheers
Mike
Edited 2020-05-27 19:06 by Solar Mike
 
Solar Mike
Guru

Joined: 08/02/2015
Location: New Zealand
Posts: 1203
Posted: 11:18am 27 May 2020
Copy link to clipboard 
Print this post

Seems ok.









Mike
 
Solar Mike
Guru

Joined: 08/02/2015
Location: New Zealand
Posts: 1203
Posted: 04:28am 30 May 2020
Copy link to clipboard 
Print this post

There is always the possibility that the above circuit won't work in the synchronous rectifier part, so have prepared a "Plan B" pcb and will get made at the same time......... just looked at JLCPCB site, only postage option to NZ costs US$35, must be the strife in Hong Kong, seems there is no air post or less expensive courier options any more, this makes small quantities of boards very expensive.








Will check the schematic.


Mike
 
Solar Mike
Guru

Joined: 08/02/2015
Location: New Zealand
Posts: 1203
Posted: 11:22am 30 May 2020
Copy link to clipboard 
Print this post

No Errors on pcb that I can find: Circuit below.








Mike
 
Solar Mike
Guru

Joined: 08/02/2015
Location: New Zealand
Posts: 1203
Posted: 01:10am 01 Jun 2020
Copy link to clipboard 
Print this post

Last pcb done, its the low esr ceramic capacitor module, the pcb has 20 x 2 series in parallel to give me a higher voltage rating.

Even good quality electrolytic's dont absorb high frequency spikes, the small module placed across the output caps makes quite a difference to the amount of EMI produced.

I have a reel of 1000 1uf 100v caps and want to continue using them; the 250 volt and above 1uf ceramic caps are expensive, ones on AliExpress are most likely not voltage rated and not recommended here.
Placing them is series has certain advantages if one shorts out, as the other prevents a melt down, when they short they usually burn holes in your pcb as they continue conducting current as they carbonize up. Placing them on a small pcb allows easy removal if this happens.




All gerbers have been sent for manufacture, cannot wait...


Cheers
Mike
 
Solar Mike
Guru

Joined: 08/02/2015
Location: New Zealand
Posts: 1203
Posted: 12:09pm 10 Jun 2020
Copy link to clipboard 
Print this post

Cool, boards are done and being shipped back... meanwhile I need a couple of smaller controllers that can be used for 12 to 96v battery and up to 200 vdc input at 30 amps charge out. I have a couple of 1Kw UPS units that I want to charge via PV panels; Expect most of the time charge currents will be < 20a, so physically smaller.

Have come up with this minimal no frills design, fits on a pcb 165 x 165, cpu (Picaxe 14M2) fits on a daughter board and connected by 16p IDC cable. PWM frequency is 32 kHz and a small 50mm OD. powder Iron core is used for the inductor. There is a mixture of hole sizes for the electro's, as components used are dependent on the expected PV input and battery voltage.







Will draw up the schematic.


Cheers
Mike
 
Solar Mike
Guru

Joined: 08/02/2015
Location: New Zealand
Posts: 1203
Posted: 01:30am 11 Jun 2020
Copy link to clipboard 
Print this post

Schematic done, couple minor issues on pcb, now fixed, have increased the buck inductor to 150uH, needs 30T on the core I'm using, testing will pick up any issues... normally at the lower charge currents, anything below 1 amp the software will probably turn charge off.

This design will have a secondary voltage feedback loop integrating the buck inductor triangular waveform, the average of this is an accurate measure of the output voltage and could be used to vary the output if no load was connected, eg a power supply.

Schematic: 2 halves don't quite line up sorry.












Cheers
Mike
 
Solar Mike
Guru

Joined: 08/02/2015
Location: New Zealand
Posts: 1203
Posted: 11:10am 19 Jun 2020
Copy link to clipboard 
Print this post

Made a controller for the power board, fits on a 100x100 pcb.
Features:
Have made provision to add a 5 key membrane keyboard so a settings menu can be modified on the serial lcd screen.

Basic voltage set points can be adjusted on the board via multi-turn pots if required.

Added 2 temperature sensors, one used for measuring battery bank temperature so accurate charge voltages can be set.

TL431 reference used, internal cpu is not that accurate.

Voltages for mppt calculations made via Buck Inductor voltage sample, as mppt will be used at all times because in a live system with varying loads which can be quite large, even in float mode near max charge current maybe required. Switching from mppt to PWM mode will only be used when load currents are very low.

Differential voltage sensing input can be used to read the bank voltage direct at the battery terminals, so avoiding various voltage drops in output cct breakers and cables, required for Lifepo4 banks.

Circuit:









CPU used here has a max PWM with 10bit resolution of 32 Khz, this makes the buck inductor bigger than necessary and problematic to make. To have good voltage control at low charge currents the buck operation should remain in continuous conduction mode, this requires quite a lot of inductance > 1mH; however at high currents 40 amps in this basic design, a much lower value is required near 150 uH; I aim to run with approx 25% output ripple current or 10 amps ripple, any more unduly stresses the caps.

The DC current in the inductor decreases the unloaded inductance quite a lot, so is a bit of a juggling act to get the right core. Those ferrite E-cores E70 type saturate so easily they require air gaps approx 2mm and more turns; They are better suited for > 80Khz operation, so that rules them out for this design.

More suitable for 32Khz operation are the powdered iron type like this one
MS-292060-2-DataSheet.pdf, this requires 35-45 turns of 10mm wire and will work well, I already have some so will be using them, available from Micrometals for US$6 each.

Will post the pcb shortly.









Edit: Checked pcb, added couple of extra test points, no errors found. Gerbers sent to JLCPBC
The temperature sensors I use are these MCP9701A , they are calibrated buffered thermistors with low Z output, reason I use these over the DS18B20 1-Wire is that the picaxe doesnt have to interrupt its running software to communicate with them, as they have an analog output. Using any 1-wire or I2c devices stuffs up PWM outputs with altering speed or jitter, not good.
Those MS-292060-2 cores are low cost but possibly expensive to ship, have sent an email to Micrometals, see what air postage charges are.

Cheers
Mike
Edited 2020-06-20 10:12 by Solar Mike
 
Solar Mike
Guru

Joined: 08/02/2015
Location: New Zealand
Posts: 1203
Posted: 11:51am 26 Jun 2020
Copy link to clipboard 
Print this post

Its been a week, no replay from my emails to Micrometals about shipping, perhaps they don't want any sales, a lot of NZ companies are also like that, send an inquiry email and never get a reply back...

Anyway I have decided the above charger is too large to fit into my UPS units, so that design will be used elsewhere. I want tiny but still 20 to 40 amp range, so have designed this PWM unit using a Picaxe 14M2, fits on a 100x100 pcb, very basic, uses leds to show state of charge, however an LCD display (serial or I2c) can be added via an expansion port.



















Now I will have to make time to build it, along with the others.

Edit: schematic has a couple of spelling errors, they can stay as they are..

Cheers
Mike
Edited 2020-06-26 22:00 by Solar Mike
 
Solar Mike
Guru

Joined: 08/02/2015
Location: New Zealand
Posts: 1203
Posted: 06:14am 05 Jul 2020
Copy link to clipboard 
Print this post

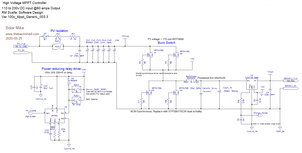
While waiting for boards to come back, have thrown this experimental non-synchronous design together, uses a different switching arrangement of the buck mosfets, so when they are off, there is no self discharge of the battery back into the source supply or PV array, the MPPT module uses the same controller as previous design. PCB measures 167 x 161mm.

Will be using this for a 5KW battery charger, as we need one with a variable current setting front panel control, to stop placing too much load on the generator.







Finally MicroMetals in USA got back to me, the cores I want are readily available but in min quantity of 50, I have asked for a reseller who can sell me 10, but have had no reply back.

Cheers
Mike
 
Warpspeed
Guru

Joined: 09/08/2007
Location: Australia
Posts: 4406
Posted: 06:59am 05 Jul 2020
Copy link to clipboard 
Print this post

What were you after Mike ?
I just bought three T400-26D from Germany.
https://www.ebay.com.au/itm/3-Piece-T400-26D-Micrometals-Iron-Powder-Toroid/224044430898?_trkparms=ao%3D1%26asc%3D20140723144413%26meid%3D7abb77ebfc334bd6be500e356eb2a39c%26pid%3D100275%26itm%3D224044430898%26pmt%3D0%26noa%3D1%26pg%3D2060778%26algv%3DItemStripV3&_trksid=p2060778.c100275.m3474
Cheers,  Tony.
 
Solar Mike
Guru

Joined: 08/02/2015
Location: New Zealand
Posts: 1203
Posted: 09:22am 05 Jul 2020
Copy link to clipboard 
Print this post

That's not a bad price for 3, I take it is three from their description...then they mention 1 piece, bit confusing what is on offer there.

I already have some T400-26 and 52D cores here, don't want to use them as they are for another project.

I was trying to get these MS-29260-2  micrometals cores. Physically smaller but the calculations show its more suitable.

Email I got back from them said those cores and similar types are now made in China, not USA, so min amount is 50; also they have to apply a "made in China" surcharge of 25% (Trumps doing) to all their prices, still reasonable costs though of approx US$12 each.

Still waiting a reply back where one can purchase < 50; will send them another email.

Many of the smaller readily available cores would work if a higher PWM frequency is used, like 100Khz; switching losses are minimal when proper mosfet drivers are used.

Getting a CPU with 10bit or greater PWM precision @100Khz is the problem.



Cheers
Mike
 
Warpspeed
Guru

Joined: 09/08/2007
Location: Australia
Posts: 4406
Posted: 10:36pm 05 Jul 2020
Copy link to clipboard 
Print this post

As you say, Micrometals have now moved to China, and that is going to be a problem.  
No real way now of telling what is genuine Micrometals and what is fake clone material.

Even the sellers do not seem to know what they are selling. You see advertisements for something like "yellow ferrite ring two inch". Clearly its not ferrite, but what material is it ?

In "e-bay speak" they are offering three cores per order, as per the picture, and that is listed as one item.

If you order two, you actually get six cores. So about $33 per individual core (delivered) which is pretty good for something of that size.

Haha, I once ordered a Chinese 50K linear slider potentiometer to repair my gas space heater from e-bay. I think it was three dollars, or something like that.
So I ordered three, just in case I ever needed another replacement.
What arrived in a cardboard box were THIRTY 50K slider potentiometers with knobs! not bad for nine dollars.
Cheers,  Tony.
 
Solar Mike
Guru

Joined: 08/02/2015
Location: New Zealand
Posts: 1203
Posted: 05:48am 09 Jul 2020
Copy link to clipboard 
Print this post

Seeing as MicroMetals can't be bothered to reply and tell me where I can purchase their cores from, will come up with an alternative solution for use with the generic controller.

Having a high frequency PWM drive to the buck inverter makes things like finding a suitable inductor core easier; smaller cores are more readily available online and being lighter, cost less for postage.

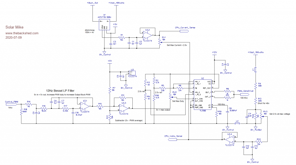
Have decided to use a pwm power supply chip to generate the PWM at 100Khz and maintain a fixed output voltage. The TL494 family of chips have a dead time voltage control input that allows external control of the chips PWM duty cycle. The CPU only needs to have a DAC output that can be connected to the chip to vary its output.

I have put this schematic together that uses a 1Khz 10 bit pwm control signal to vary the duty cycle and thus output voltage of the PWM controller, for this have used the TL598, which has totem pole drive outputs, otherwise near identical to the TL494.

Control PWM is passed through a bessel filter to produce an average DC out, 0 duty cycle will produce 5 volts out, as control duty cycle input is increased, the output will move closer to 0vdc; connecting this voltage to the DT control input allows the CPU have direct control of the psu chips output drive to the buck mosfets. That's the theory anyway, will make a small pcb to host the extra components to test.





Cheers
Mike
Edited 2020-07-09 16:11 by Solar Mike
 
     Page 2 of 3    
Print this page
The Back Shed's forum code is written, and hosted, in Australia.
© JAQ Software 2026