Home
JAQForum Ver 24.01
Log In or Join  
Active Topics
Local Time 22:14 26 Apr 2026 Privacy Policy
Jump to

Notice. New forum software under development. It's going to miss a few functions and look a bit ugly for a while, but I'm working on it full time now as the old forum was too unstable. Couple days, all good. If you notice any issues, please contact me.

Forum Index : Microcontroller and PC projects : An other model of RP2040

     Page 2 of 3    
Author Message
phil99

Guru

Joined: 11/02/2018
Location: Australia
Posts: 3163
Posted: 08:55pm 01 Apr 2024
Copy link to clipboard 
Print this post

  Quote  dunno what I ordered, it will be a surprise
Spoiler Alert!
Your photo shows 4M.
 
stanleyella

Guru

Joined: 25/06/2022
Location: United Kingdom
Posts: 2807
Posted: 10:48pm 01 Apr 2024
Copy link to clipboard 
Print this post

  phil99 said  
  Quote  dunno what I ordered, it will be a surprise
Spoiler Alert!
Your photo shows 4M.

the didn't click the right ae button again. is 4m worse than standard rpi pico?
 
Mixtel90

Guru

Joined: 05/10/2019
Location: United Kingdom
Posts: 8778
Posted: 08:10am 02 Apr 2024
Copy link to clipboard 
Print this post

4M is twice what you get on a standard Pico, so no, no worse. :)
And you paid less and might be able to clock them faster. :)
Mick

Zilog Inside! nascom.info for Nascom & Gemini
Preliminary MMBasic docs & my PCB designs
 
stanleyella

Guru

Joined: 25/06/2022
Location: United Kingdom
Posts: 2807
Posted: 07:04pm 02 Apr 2024
Copy link to clipboard 
Print this post

Mick, as a beginner I just think pico has loads of prog mem and ram, coming from 8 bit.
just take it for granted. 4M will be more than ample.
the vbus to supply usb device and 2 diodes stopping see when boards arrive
 
Mixtel90

Guru

Joined: 05/10/2019
Location: United Kingdom
Posts: 8778
Posted: 07:58pm 02 Apr 2024
Copy link to clipboard 
Print this post

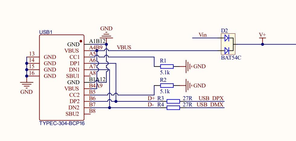
Your best bet is to look at the circuit, Stan.
I think it might be a double diode. One feed comes from the USB 5V, one feed comes from VIN and the common cathode goes to VOUT and the input of the 3V3 regulator. Connected like this you can never power the USB supply from the module. I think putting power the other way from a powered hub might work as you are still supplying the 3V3 regulator at the same time as any USB devices, just in the opposite direction.
Mick

Zilog Inside! nascom.info for Nascom & Gemini
Preliminary MMBasic docs & my PCB designs
 
stanleyella

Guru

Joined: 25/06/2022
Location: United Kingdom
Posts: 2807
Posted: 03:17pm 03 Apr 2024
Copy link to clipboard 
Print this post

Mick, if you blobbed the dual diode input and ran 5V from the usb to ttl I presume would be added for programming from a pc, to Vin which now blobbed to Vbus, so powering rpi2040 3.3V reg and powering usb device which is the way I use standard pico usb but 5V from usb to ttl to Vbus no blobbing.
dunno where the dual diode is.guessing the 3.3v reg is next to pins 2 and 3.
 
Mixtel90

Guru

Joined: 05/10/2019
Location: United Kingdom
Posts: 8778
Posted: 04:29pm 03 Apr 2024
Copy link to clipboard 
Print this post

You can't get 5V out of the YD-RP2040 USB socket. VBUS doesn't come out to a terminal so you can't connect to it. It can only be used as a supply input.

Pin 40 (VOUT) is the same as VSYS (pin 39) on a Pico.
Pin 39 (VIN) is the equivalent of a Schottky diode connected to VSYS on a Pico.

I'm not sure where the diode(s) is so I don't know how difficult it would be to blob it. It would certainly make it a non-standard board though.
Mick

Zilog Inside! nascom.info for Nascom & Gemini
Preliminary MMBasic docs & my PCB designs
 
stanleyella

Guru

Joined: 25/06/2022
Location: United Kingdom
Posts: 2807
Posted: 09:32pm 03 Apr 2024
Copy link to clipboard 
Print this post

Hi Mick, the relevant bit of circuit/ diodes.
in threads links are mentioned not to say about ili9488 mods all not standard but are now.

 
Mixtel90

Guru

Joined: 05/10/2019
Location: United Kingdom
Posts: 8778
Posted: 05:38pm 05 Apr 2024
Copy link to clipboard 
Print this post

So you see what I meant about VBUS now? you can't get 5V onto it from the 5V rail, but it can provide the 5V rail itself. And I'd remembered correctly, it is a double Schottky diode. V+ is labelled Vout on the board.

I've just taken the Pico W out of my aquarium controller and replaced it with a YD-RP2040 because I was having stability issues. So far the replacement has been much better. I've no wi-fi now, of course, so the RTC isn't auto-corrected to a NTP server on boot, but that's a small price to pay for having a system that doesn't have problems. I need this to be reliable as it's controlling lighting and CO2 dosing timing.
Edited 2024-04-06 03:40 by Mixtel90
Mick

Zilog Inside! nascom.info for Nascom & Gemini
Preliminary MMBasic docs & my PCB designs
 
stanleyella

Guru

Joined: 25/06/2022
Location: United Kingdom
Posts: 2807
Posted: 08:42pm 05 Apr 2024
Copy link to clipboard 
Print this post

My boards not arrived yet but here's the diodes and if blobbed you can power via vin and that will supply usb kb .
the danger is connecting vin to 5v and connecting usb to pc.. but pico usb you wouldn't, the 5v to vin when blobbed would be for me from the usb to ttl board, the pico usb connects to and powers the usb device connected....or an I mad?

 
Mixtel90

Guru

Joined: 05/10/2019
Location: United Kingdom
Posts: 8778
Posted: 08:11am 06 Apr 2024
Copy link to clipboard 
Print this post

No, that's ok if I understand you correctly.
I don't like to modify modules though. At some point you might want to change it for something else and, unless you've kept a record of any changes you made for that particular job, you might well plug in something that either doesn't work or causes damage. Far better to produce a manual that describes how to use a standard module or, if absolutely necessary, how to modify a standard module so that it works.
Mick

Zilog Inside! nascom.info for Nascom & Gemini
Preliminary MMBasic docs & my PCB designs
 
stanleyella

Guru

Joined: 25/06/2022
Location: United Kingdom
Posts: 2807
Posted: 03:23pm 09 Apr 2024
Copy link to clipboard 
Print this post

Hi Mick, 5 new picos finally arrived. I blobbed the diodes so vin is connected to usb vbus. It works. post more when I flash usb picomite.





 
stanleyella

Guru

Joined: 25/06/2022
Location: United Kingdom
Posts: 2807
Posted: 04:09pm 09 Apr 2024
Copy link to clipboard 
Print this post

Flashed usb picomite rc3 and it works as "normal picomite" in usb mode.
I use the usb to ttl as the 5v supply going into vin but that now also powers the usb keyboard. It's fine as long as you remember not to connect to pc usb and stick 5V into vin same time.
so usb is possible...you shall go to the ball cinders

 
Mixtel90

Guru

Joined: 05/10/2019
Location: United Kingdom
Posts: 8778
Posted: 04:49pm 09 Apr 2024
Copy link to clipboard 
Print this post

Very nice, Stan. :)
Mick

Zilog Inside! nascom.info for Nascom & Gemini
Preliminary MMBasic docs & my PCB designs
 
stanleyella

Guru

Joined: 25/06/2022
Location: United Kingdom
Posts: 2807
Posted: 06:14pm 09 Apr 2024
Copy link to clipboard 
Print this post

cpuspeed 420000 and it didn't catch fire, not fallen over
PicoMite MMBasic USB Edition  5.09.00RC3
OPTION SERIAL CONSOLE COM2,GP8,GP9
OPTION FLASH SIZE 4194304
OPTION COLOURCODE ON
OPTION KEYBOARD US
OPTION CPUSPEED  420000 'KHz

new pico to me, more leds than a xmas tree
 
stanleyella

Guru

Joined: 25/06/2022
Location: United Kingdom
Posts: 2807
Posted: 10:16pm 09 Apr 2024
Copy link to clipboard 
Print this post

did fail,try again

Invalid clock speed - reset to default
> US USB Keyboard Connected on channel 1
> Generic Gamepad Connected on channel 2
> opion list
Error : Unknown command
> option list
PicoMite MMBasic USB Edition  5.09.00RC3
OPTION SERIAL CONSOLE COM2,GP8,GP9
OPTION FLASH SIZE 4194304
OPTION COLOURCODE ON
OPTION KEYBOARD US
> option cpuspeed 378000
> US USB Keyboard Connected on channel 1
> Generic Gamepad Connected on channel 2
> option list
PicoMite MMBasic USB Edition  5.09.00RC3
OPTION SERIAL CONSOLE COM2,GP8,GP9
OPTION FLASH SIZE 4194304
OPTION COLOURCODE ON
OPTION KEYBOARD US
OPTION CPUSPEED  378000 'KHz
>
 
Mixtel90

Guru

Joined: 05/10/2019
Location: United Kingdom
Posts: 8778
Posted: 09:55am 10 Apr 2024
Copy link to clipboard 
Print this post

Yep. The 4M ones will probably run faster than the 16M ones that I got. Mine didn't work above 252000 KHz.
Mick

Zilog Inside! nascom.info for Nascom & Gemini
Preliminary MMBasic docs & my PCB designs
 
stanleyella

Guru

Joined: 25/06/2022
Location: United Kingdom
Posts: 2807
Posted: 05:41pm 10 Apr 2024
Copy link to clipboard 
Print this post

strange it took option cpuspeed 420000 and it showed in option list then next power up it said invalid speed and does if you try again. 378000 seems to hold it's value.
 
Mixtel90

Guru

Joined: 05/10/2019
Location: United Kingdom
Posts: 8778
Posted: 05:54pm 10 Apr 2024
Copy link to clipboard 
Print this post

That's because Peter has modified MMBasic. At boot it sets a watchdog. It will try to boot at the speed set in OPTION CPU. If the watchdog times out you get "Invalid clock speed - reset to default" and the speed is set to 133000 (I think).

Here's my theory.
At the time you set the speed using OPTION I'm not sure if the watchdog gets set - it has already booted and it may only be at boot. If that's the case then it will try to run at the speed you set anyway - and may crash or lock up. Then, when you try to restart it will try with the watchdog this time.

When you set the option to 378000 it obviously managed to boot within the watchdog time.
Mick

Zilog Inside! nascom.info for Nascom & Gemini
Preliminary MMBasic docs & my PCB designs
 
stanleyella

Guru

Joined: 25/06/2022
Location: United Kingdom
Posts: 2807
Posted: 06:34pm 10 Apr 2024
Copy link to clipboard 
Print this post

As my drift is this "new" pico in usb mode so plugged a usb hub type c into pico and usb kb into hub and worked.
I will power the hub, micro usb 5v, and see if it powers the pico and kb.. after remove 5v to vin. this will mean blobbing diodes not needed to get this pico working usb
edit Powering usb hub doesn't power pico, so only blobbing diode :(
edit again.. obvious it would not power pico, it would not power a pc usb port. doh


Edited 2024-04-11 05:24 by stanleyella
 
     Page 2 of 3    
Print this page
The Back Shed's forum code is written, and hosted, in Australia.
© JAQ Software 2026