Home
JAQForum Ver 24.01
Log In or Join  
Active Topics
Local Time 10:17 23 Apr 2026 Privacy Policy
Jump to

Notice. New forum software under development. It's going to miss a few functions and look a bit ugly for a while, but I'm working on it full time now as the old forum was too unstable. Couple days, all good. If you notice any issues, please contact me.

Forum Index : Windmills : visual effect of capacitors

     Page 21 of 25    
Author Message
Gizmo

Admin Group

Joined: 05/06/2004
Location: Australia
Posts: 5177
Posted: 10:36pm 13 Nov 2009
Copy link to clipboard 
Print this post

I see there was a post by user spacejunk on Fieldlines some time ago about using a voltage doubler on 3 phase, different circuit.

http://www.fieldlines.com/story/2006/6/19/143035/964

I searched for "3 phase voltage doubler" in google and found a few interresting circuits.

http://home.earthlink.net/~jimlux/hv/cw1.htm
http://www.reuk.co.uk/Three-Phase-Voltage-Multiplier.htm
This last page has poor layout but lots of info.
http://www.electrical-res.com/three-phase-voltage-multiplier /

Glenn
The best time to plant a tree was twenty years ago, the second best time is right now.
JAQ
 
Gizmo

Admin Group

Joined: 05/06/2004
Location: Australia
Posts: 5177
Posted: 10:40pm 13 Nov 2009
Copy link to clipboard 
Print this post

This is a simple circuit, almost too simple.



Glenn
The best time to plant a tree was twenty years ago, the second best time is right now.
JAQ
 
Gizmo

Admin Group

Joined: 05/06/2004
Location: Australia
Posts: 5177
Posted: 07:48am 14 Nov 2009
Copy link to clipboard 
Print this post

I've redrawn the above circuit using bridge rectifiers.

Uses 6 bridges, but each bridge is using its internal diodes in parallel for increased current capacity.

This circuit above, ( drawn by Damon Hart-Davis ) also shows polarised capacitors. Now I have a feeling this type of voltage doubler can use polarised capacitors, and lower voltage than we have been using, so long as the mill is always loaded and never allowed to free wheel. The circuit a couple of posts up, posted by spacejunk, shows polarised caps rated at only 16 volts. If this is the case, then this type of voltage doubler would be very cheap to build.

GlennEdited by Gizmo 2009-11-15
The best time to plant a tree was twenty years ago, the second best time is right now.
JAQ
 
KarlJ

Guru

Joined: 19/05/2008
Location: Australia
Posts: 1178
Posted: 11:37am 14 Nov 2009
Copy link to clipboard 
Print this post

OK, can one of you bright sparks please post an image of the voltage doubler and tripler arrangement in the Gordon/ OZ-Flux capacitor method?

Oh and I read somewhere else that in the back to back cap idea it didnt matter if they were neg to neg or pos to pos, please confirm as it looks like I stuffed up and wired neg to neg.
Edited by KarlJ 2009-11-15
Luck favours the well prepared
 
GWatPE

Senior Member

Joined: 01/09/2006
Location: Australia
Posts: 2127
Posted: 11:45pm 14 Nov 2009
Copy link to clipboard 
Print this post

Hi Glenn,

you missed the important resistor in this arrangement. As the mill AC increases to normal rectifier cutin, the caps will present a parallel load across the windings. The resistor prevents high currents, and is a loss.

In the spacejunk cct, I see 100,000uF caps. These would present close to an AC short cct at even a modest 20Hz. I see voltage doubling, but the loading presented will not be optimum for the windmill in changing wind conditions.

Arrangements with multiple seriesed caps present high impedance at low Hz and pass low power. OK for high voltage bias ccts.

I have found an arrangement that can give a close to optimum windmill loading.

Gordon.


become more energy aware
 
Gizmo

Admin Group

Joined: 05/06/2004
Location: Australia
Posts: 5177
Posted: 08:14am 16 Nov 2009
Copy link to clipboard 
Print this post

Yes your right Gordon, I did leave out that resistor, couldn't see what it was there for but now I understand.

OK so it looks like the circuit I posted will work, but not as well as Gordons version.

Hey Gordon could you post the web address of that Rocclby component supplier, looks like I wrote it down incorrectly when I was talking to you on the phone. I'll add it to the cap mod web page.

Glenn
The best time to plant a tree was twenty years ago, the second best time is right now.
JAQ
 
GWatPE

Senior Member

Joined: 01/09/2006
Location: Australia
Posts: 2127
Posted: 08:31am 16 Nov 2009
Copy link to clipboard 
Print this post

Hi Glenn,

The web address is www.rockby.com.au

Here are some pics of a cap voltage trippler and a cap voltage doubler that I recently assembled. I used the 270uF 450V doubler to get the measurements for Herb.


This is the doubler. 270uF 450VDC caps with 25A 600V bridge rectifiers.





This is the trippler. 100uF 400VDC caps with 25A 600V bridge rectifiers.




With my arrangements there can only be a maximum 1/2 the AC windmill output voltage across the caps in a voltage doubler, and 1/3 the maximum AC windmill output voltage in a tripler. This reduces the stresses on the caps. Part of the more optimum windmill loading is related to not pushing the caps too far.

Gordon.
become more energy aware
 
KarlJ

Guru

Joined: 19/05/2008
Location: Australia
Posts: 1178
Posted: 06:12am 18 Nov 2009
Copy link to clipboard 
Print this post

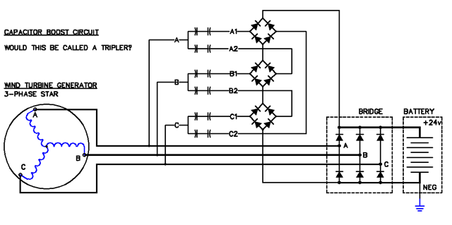
sketch of the tripler circuit anyone???

Karl
Luck favours the well prepared
 
SparWeb

Senior Member

Joined: 17/04/2008
Location: Canada
Posts: 196
Posted: 03:37pm 18 Nov 2009
Copy link to clipboard 
Print this post

Would this be a correct diagram for a "Tripler"?



Is it possible to correct or delete this circuit diagram if it is wrong, in case someone comes along later and tries to build it?

Yes Steven I can do that if required. Glenn.Edited by Gizmo 2009-11-30
Steven T. Fahey
 
GWatPE

Senior Member

Joined: 01/09/2006
Location: Australia
Posts: 2127
Posted: 04:19am 19 Nov 2009
Copy link to clipboard 
Print this post

Hi Sparweb,

In a cap voltage tripler, I use 18 caps, DC type in the back to back arrangement. The arrangement is really 3 AC coupled series cap loadings with the rectified outputs placed in series, instead of 2 as in a voltage doubler. In my arrangement the phases are loaded equally in each cap section.

I have been looking at the arrangement you have pictured above. You have non symetrical adding of the voltages in each rectifier block, but my testing still shows a voltage tripling effect.

I am sure that there are many arrangements that will work. The output voltage was not as stable as with a full 3phase bridge arrangement, but this abridged version should still be OK for the low power that would be expected that the caps are required to pass. The individual capacitance for 12 caps in a tripler will need to be 1.5X the size of those used in an 18 cap arrangement to offer the same loading. The loading offered by the caps is determined by the capacitance, and the voltage developed across the caps.

I would leave the cct as it does perform a similar function.

Gordon.

PS: As long as readers remember that the caps do not necessarily double the rated windmill power. The better loading offered to the windmill is the objective.


become more energy aware
 
SparWeb

Senior Member

Joined: 17/04/2008
Location: Canada
Posts: 196
Posted: 07:29pm 19 Nov 2009
Copy link to clipboard 
Print this post

Thanks for the check Gordon.

I want to model it with Spice and see what it says for various cap values. Now that I've drawn it myself I understand it a lot more, too.

Steven T. Fahey
 
GWatPE

Senior Member

Joined: 01/09/2006
Location: Australia
Posts: 2127
Posted: 09:12pm 19 Nov 2009
Copy link to clipboard 
Print this post

Hi Sparweb,

the current transferred by the caps as the frequency is increased is the key, into say a battery.

Modeling the cap behaviour with AC and DC electrical aspects will be interesting.

Gordon.


become more energy aware
 
SparWeb

Senior Member

Joined: 17/04/2008
Location: Canada
Posts: 196
Posted: 06:36am 20 Nov 2009
Copy link to clipboard 
Print this post

The genny I'm using is a 2-pole motor conversion. The only frequency I need to consider is "really low"!!

My challenge is figuring out what cap value to use in between 3 Hz and 6 Hz. Just screaming along, eh?

Steven T. Fahey
 
GWatPE

Senior Member

Joined: 01/09/2006
Location: Australia
Posts: 2127
Posted: 09:00am 20 Nov 2009
Copy link to clipboard 
Print this post

Hi Sparweb,

The frequency is not much different to my AxFx mill at cutin. 6Hz on my mill is 60rpm. Caps work no problems. You need to really know how much power the wind has available when the windmill is operating at the 3-6Hz.

I would think that if the motor conversion would have an upper rpm of 360 and this was 2 pole then this would be 6Hz. My windmill would have approx 36Hz at the same rpm.

The low Hz require approx 6X larger uF than my design. Low Hz is cruel.

The Low Hz would allow for lower voltage caps, as a spinoff. Physically bigger caps have larger surface area so would operate cooler when passing the same power.

There is such a difference to the 200Hz or so of a F&P at similar rpm.

Gordon.
become more energy aware
 
GWatPE

Senior Member

Joined: 01/09/2006
Location: Australia
Posts: 2127
Posted: 06:59am 22 Nov 2009
Copy link to clipboard 
Print this post

  GWatPE said   Apple Mac test
Gordon.


just managed to test on a Mac.

will replace with real post later

Gordon

link test
become more energy aware
 
KarlJ

Guru

Joined: 19/05/2008
Location: Australia
Posts: 1178
Posted: 10:16pm 25 Nov 2009
Copy link to clipboard 
Print this post

Gordon, I omitted the 5W 10K resistor as on the input side I have the brake switches.
Is this OK?
Obviously as with any mill if the correct shutdown sequence is not performed there is risk to both electronics and turbine.
EG shut down mill first, then turn off battery
startup battery on the start mill etc.

The dead short on the input to the caps will surely be a more rapid dissipation of any accumulated voltages./

Luck favours the well prepared
 
GWatPE

Senior Member

Joined: 01/09/2006
Location: Australia
Posts: 2127
Posted: 11:21pm 25 Nov 2009
Copy link to clipboard 
Print this post

Hi Karl,

I don't have any resistors. Bleed resistors can be placed across pairs of back to back DC caps. DC voltage remains across the caps when the mill is shut down if they are not used. I use a resistor to remove the DC only when I work on a cap block OFF the windmill.

When the mill stops with low winds, the windings effecticely short the cap cct inputs, but DC will remain across the caps.

I have an automatic windmill shutdown relay that shorts the mill AC, in addition to the manual shorting switch.

My mill can be shut down in any manner. The only protection I don't have is for a broken AC connection resulting in no loading, even when shorted. I would pick this problem up another way, with changed windmill power output characteristics. ie higher rpm for same power. Logging has benefits here.

Gordon.

become more energy aware
 
JimBo911

Senior Member

Joined: 26/03/2009
Location: United States
Posts: 262
Posted: 12:36am 28 Nov 2009
Copy link to clipboard 
Print this post



Jim
 
Downwind

Guru

Joined: 09/09/2009
Location: Australia
Posts: 2333
Posted: 01:57am 28 Nov 2009
Copy link to clipboard 
Print this post

It looks a little over proof
Sometimes it just works
 
JimBo911

Senior Member

Joined: 26/03/2009
Location: United States
Posts: 262
Posted: 04:25pm 28 Nov 2009
Copy link to clipboard 
Print this post

What can I say?????
Jim
 
     Page 21 of 25    
Print this page
The Back Shed's forum code is written, and hosted, in Australia.
© JAQ Software 2026