Home
JAQForum Ver 24.01
Log In or Join  
Active Topics
Local Time 12:02 25 Apr 2026 Privacy Policy
Jump to

Notice. New forum software under development. It's going to miss a few functions and look a bit ugly for a while, but I'm working on it full time now as the old forum was too unstable. Couple days, all good. If you notice any issues, please contact me.

Forum Index : Microcontroller and PC projects : PicoMite V6.00.01 release candidates - please test thoroughly

     Page 7 of 23    
Author Message
javavi

Guru

Joined: 01/10/2023
Location: Ukraine
Posts: 548
Posted: 10:10am 02 Dec 2024
Copy link to clipboard 
Print this post

I'm still trying to find access to the command line prompt from the program...  
I came across an interesting behavior of the RUN command, if you execute it with a missing file name or an empty line, then the system freezes in anticipation..., you can exit from which by pressing Ctrl+C
RUN
RUN ""
RUN "","cmdline"
RUN ,"cmdline"

Edited 2024-12-02 20:32 by javavi
 
CtrlAltSockPuppet
Newbie

Joined: 05/01/2024
Location: United Kingdom
Posts: 16
Posted: 11:07am 02 Dec 2024
Copy link to clipboard 
Print this post

Hi

I recently bought a Raspi Pico 2 W, I tried installing MMBasic on it, but it didn't work. Having just seen this thread I assume it's because I tried an MMBasic V5.x. I tried the Web version of the PicoMite firmware, and the primary basic version without the web functionality.

As a test of the board, I successfully installed MicroPython. I also used the utility to reset the Flash memory to factory default, in case that was an issue.

I'd be happy to have a play with V6.x, latest version and report back anything I notice - if it works on the Pico 2 W yet? I assume the links at the top of the this thread are for the latest version of firmware?

I'm intending to connect the Pico to an LCD screen from Pi Hut (UK) - the Pack 2.8 version, where the Pico plugs into the back of the display. I've never tried any of this before, nor even played with a Pico. I did manage to get some boards fabricated, for a Maximite Colour 2, which I built and it worked brilliantly.

Thanks and Kind Regards

J
 
Volhout
Guru

Joined: 05/03/2018
Location: Netherlands
Posts: 5860
Posted: 11:20am 02 Dec 2024
Copy link to clipboard 
Print this post

Hi CtrlAltSocketPuppet,

This is the latest

RC4

The 2350 folder contains a Webmite version for Pico 2
I only hope you bought a Genuine Pico2W. There is (Aliexpress) also a ESP8266 equipped version that does not work on this firmware.

Volhout
PicomiteVGA PETSCII ROBOTS
 
CtrlAltSockPuppet
Newbie

Joined: 05/01/2024
Location: United Kingdom
Posts: 16
Posted: 12:47pm 02 Dec 2024
Copy link to clipboard 
Print this post

Hi Volhout

Thank you very much for your swift response.

From the link you kindly provided I loaded this into my Pico 2 W:
WebMiteRP2350V6.00.01RC4.uf2

It loads onto the Pico successfully, creates a com port on my PC, and the Pico responds to commands that I type.

Thanks for the information about the AliExpress product.

Thank you and kind regards

J
 
twofingers

Guru

Joined: 02/06/2014
Location: Germany
Posts: 1734
Posted: 01:45pm 02 Dec 2024
Copy link to clipboard 
Print this post

@Peter
I've noticed a strange behavior: when I enter
/*
0
*/
in edit mode and save, the '0' disappears if it is the first digit of the line. Other digits don't seem to be affected.
But IMHO the bug isn't important. You should just know.
Regards
Michael

EDIT:
Of course the example above doesn't make sense. I noticed it when I wanted to note the colors in a program.
/*
15 WHITE RGB(255, 255, 255)
14 YELLOW RGB(255, 255, 0)
13 LILAC RGB(255, 128, 255)
12 BROWN RGB(255, 128, 0)
11 FUCHSIA RGB(255, 64, 255)
10 RUST RGB(255, 64, 0)
9 MAGENTA RGB(255, 0, 255)
8 RED RGB(255, 0, 0)
7 CYAN RGB(0, 255, 255)
6 GREEN RGB(0, 255, 0)
5 CERULEAN RGB(0, 128, 255)
4 MIDGREEN RGB(0, 128, 0)
3 COBALT RGB(0, 64, 255)
2 MYRTLE RGB(0, 64, 0)
1 BLUE RGB(0, 0, 255)
BLACK RGB(0, 0, 0)
*/

Edited 2024-12-03 00:00 by twofingers
causality ≠ correlation ≠ coincidence
 
matherp
Guru

Joined: 11/12/2012
Location: United Kingdom
Posts: 11232
Posted: 02:21pm 02 Dec 2024
Copy link to clipboard 
Print this post

Nothing to do with the comment. It disappears if you try and put it in a program as well. Presumably it converts to NULL or something.
 
WhiteWizzard
Guru

Joined: 05/04/2013
Location: United Kingdom
Posts: 2965
Posted: 05:26pm 02 Dec 2024
Copy link to clipboard 
Print this post

Hi Peter,

Some positive feedback for you regarding the issue I raised last week with TIME$ drift. Using your latest RC4 WebMite on a genuine Pico2W.

After 1 hour of the looping program running (which continually updates the displayed TIME$ on an IPS display module) I am happy to report that there is no noticeable drift whatsoever. This is by using a highly accurate digital stopwatch as a comparison.

I will see if I can set up a dedicated test-unit, and run the test over a week or so, simply to measure any actual drift more accurately over a much bigger time window.


Two questions (one related, one not):

1> does the internal TIME$ get periodically updated from the NTP (assuming the WiFi side of things remains available!)? If so, how often? I seem to remember reading somewhere it is each hour, but cannot find it anywhere; hence the question.

2> What is the max CPUSPEED that I should be able to set for WebMite on a Pico2W?


THANKS; fantastic work (as always)!!
 
matherp
Guru

Joined: 11/12/2012
Location: United Kingdom
Posts: 11232
Posted: 07:30pm 02 Dec 2024
Copy link to clipboard 
Print this post

  Quote  does the internal TIME$ get periodically updated from the NTP

No. It is a onboard RTC (e.g.DS3231) that can do this with OPTION RTC AUTO ENABLE
  Quote  What is the max CPUSPEED that I should be able to set for WebMite on a Pico2W?

252MHz
 
barewires
Newbie

Joined: 13/04/2015
Location: United Kingdom
Posts: 33
Posted: 12:16am 03 Dec 2024
Copy link to clipboard 
Print this post

Info

'Time$="00:15:00"
'Date$="02-12-2024"
Print Time$,Date$
Print "MM.Ver", MM.Ver, "MM.Device$", MM.Device$
Print "MM.Info(version)", MM.Info(version)
Print "MM.Info(SYSTEM HEAP)",MM.Info(SYSTEM HEAP)
Print "MM.Info(FLASH)",MM.Info(FLASH)
Print "MM.Info(VERSION)",MM.Info(VERSION)
Print "MM.Info(ID)",MM.Info(ID)
Print "MM.Info(UPTIME)",MM.Info(UPTIME)
Print "MM.Info(ID),MM.Info(IP ADDRESS)",MM.Info(ID),MM.Info(IP ADDRESS)
Print "MM.Info(TCPIP STATUS)",MM.Info(TCPIP STATUS)
Print "MM.Info(WIFI STATUS)",MM.Info(WIFI STATUS)
Print "MM.Info(BOOT COUNT)",MM.Info(BOOT COUNT)
Print "MM.Info(CPUSPEED)",MM.Info(CPUSPEED)
Print "MM.Info(CURRENT)",MM.Info(CURRENT)
 
matherp
Guru

Joined: 11/12/2012
Location: United Kingdom
Posts: 11232
Posted: 03:35pm 03 Dec 2024
Copy link to clipboard 
Print this post

V6.00.01RC5

PicoMiteRP2040V6.00.01RC5.zip

PicoMiteRP2350V6.00.01RC5.zip

Changes default speed on a number of VGA configurations to 252MHz

Fixes bugs in VS1053 playback introduced by sdkV2.1.0

Fixes bugs in MM.HRES/MM.VRES in some displays in portrait modes

Allows variables in MM.INFO(PINNO ..) for HDMI pins

Fixes colour coding of mouse cursor for VGAUSB version

New functionality for non-USB versions - full PS2 mouse support

NB: As per the RP2040 keyboard a PS2 mouse may work at 3.3V in which case no voltage conversion is required. Otherwise it should be powered with 5V and the same circuit as the keyboard should be used (see manual).
A mouse can be connected direct to a RP2350 at either 3.3V or 5V

MOUSE OPEN channel, CLKpin, DATApin
Opens a connection to a PS2 mouse connected to the two specified pins
Channel is included for compatibility with USB mouse functionality and must be set to 2. In the event that a mouse is not connected when the command is called you will get an error (in RC6+) and the command can be called again once it is plugged in

MOUSE CLOSE  channel
Channel is included for compatibility with USB mouse functionality and must be set to 2

MOUSE INTERRUPT ENABLE channel, interruptsub
Sets an interrupt to trigger when the left mouse button is pressed
Channel is included for compatibility with USB mouse functionality and must be set to 2

MOUSE INTERRUPT DISABLE channel
Disables the left button interrupt
Channel is included for compatibility with USB mouse functionality and must be set to 2

MOUSE SET channel, y-coord, y-coord, wheel-count
Sets the current position that will be returned by the mouse x, y and wheel positions
Channel is included for compatibility with USB mouse functionality and must be set to 2

To get data from the mouse use the DEVICE(MOUSE ...) function as per a USB mouse

DEVICE(MOUSE channel,X) ' returns the x position of the mouse (0-MM.HRES-1)
DEVICE(MOUSE channel,Y) ' returns the y position of the mouse (0-MM.VRES-1)
DEVICE(MOUSE channel,L) ' returns the state of the left mouse button
DEVICE(MOUSE channel,R) ' returns the state of the right mouse button
DEVICE(MOUSE channel,M) ' returns the state of the middle mouse button
DEVICE(MOUSE channel,W) ' returns the number of clicks the wheel has turned. This is zeroed after it is read. The return can be positive of negative

In all cases channel is included for compatibility with USB mouse functionality and must be set to 2

DEVICE(MOUSE channel,D) ' should return whether the left mouse button has been double clicked. This isn't currently working but will be for the release.

In addition to explicitly opening the mouse for use you can set up the PS2 mouse using

OPTION MOUSE CLKpin, DATApin
In this case opening the mouse is completely automatic and you can set up interrupts and read values with no additional commands. If this option is used the PS2 mouse can also be used in the editor in the same way as a USB mouse (see the 6.00.01 draft manual for details)
 
twofingers

Guru

Joined: 02/06/2014
Location: Germany
Posts: 1734
Posted: 04:08pm 03 Dec 2024
Copy link to clipboard 
Print this post

  matherp said  V6.00.01RC5
...
Allows variables in MM.INFO(PINNO ..) for HDMI pins
...
Works!
  Quote  GP0   1 OFF
GP1   2 OFF
GP2   4 Boot Reserved : SPI SYSTEM CLK
GP3   5 Boot Reserved : SPI SYSTEM MOSI
GP4   6 Boot Reserved : SPI SYSTEM MISO
GP5   7 Boot Reserved : SD CS
GP6   9 OFF
GP7   10        OFF
GP8   11        Boot Reserved : KEYBOARD CLOCK
GP9   12        Boot Reserved : KEYBOARD DATA
GP10  14        OFF
GP11  15        OFF
GP12  16        Boot Reserved : HDMI
GP13  17        Boot Reserved : HDMI
GP14  19        Boot Reserved : HDMI
GP15  20        Boot Reserved : HDMI
GP16  21        Boot Reserved : HDMI
GP17  22        Boot Reserved : HDMI
GP18  24        Boot Reserved : HDMI
GP19  25        Boot Reserved : HDMI
GP20  26        OFF
GP21  27        OFF
GP22  29        OFF
GP23  41        DOUT
GP24  42        DIN
GP25  43        HEARTBEAT
GP26  31        OFF
GP27  32        OFF
GP28  34        OFF
GP29  44        AIN

causality ≠ correlation ≠ coincidence
 
twofingers

Guru

Joined: 02/06/2014
Location: Germany
Posts: 1734
Posted: 04:42pm 03 Dec 2024
Copy link to clipboard 
Print this post

Question: Shouldn't I get the program name as a return value when I execute
Print "MM.Info(CURRENT)",MM.Info(CURRENT)

in a program?
I get "NONE". (PicoMiteHDMI RP2350A/V6.00.01RC5)
Michael
causality ≠ correlation ≠ coincidence
 
matherp
Guru

Joined: 11/12/2012
Location: United Kingdom
Posts: 11232
Posted: 05:04pm 03 Dec 2024
Copy link to clipboard 
Print this post

  Quote  Question: Shouldn't I get the program name as a return value when I execute

Only if the file is loaded from disk. Not autosave or xmodem or edit cause in those cases it doesn't have a name
 
twofingers

Guru

Joined: 02/06/2014
Location: Germany
Posts: 1734
Posted: 05:17pm 03 Dec 2024
Copy link to clipboard 
Print this post

Okay. I used the function for the first time. It works after loading from disk. Maybe this should be clarified in the manual.
  Quote  Returns the name of the current program or NONE if called after a NEW or
EDIT Command.

In this case, I saved the program and incorrectly assumed that this gave it a name.
Thanks!
Michael
Edited 2024-12-04 03:26 by twofingers
causality ≠ correlation ≠ coincidence
 
javavi

Guru

Joined: 01/10/2023
Location: Ukraine
Posts: 548
Posted: 09:53pm 03 Dec 2024
Copy link to clipboard 
Print this post

  matherp said  New functionality for non-USB versions - full PS2 mouse support
OPTION MOUSE CLKpin, DATApin
In this case opening the mouse is completely automatic and you can set up interrupts and read values with no additional commands. If this option is used the PS2 mouse can also be used in the editor in the same way as a USB mouse (see the 6.00.01 draft manual for details)

Flashed with new firmware 6.00.01RC5 for RP2350 VGA & HDMI, configured the mouse OPTION MOUSE GP0,GP1 with the option. Took out and connected the PS/2 mouse.
After the reset, if the PS/2 mouse is connected, there is a colored cursor in the editor in the upper left corner, but it does not move. When re-entering the editor, the mouse cursor is no longer there. After the reset, the same situation. Checked with two working PS/2 mice.
What could have gone wrong with me?
Edited 2024-12-04 08:06 by javavi
 
phil99

Guru

Joined: 11/02/2018
Location: Australia
Posts: 3160
Posted: 10:24pm 03 Dec 2024
Copy link to clipboard 
Print this post

Have you installed the pullups?
For the RP2350 use 4.7kΩ to 5V
 
javavi

Guru

Joined: 01/10/2023
Location: Ukraine
Posts: 548
Posted: 10:34pm 03 Dec 2024
Copy link to clipboard 
Print this post

  phil99 said  Have you installed the pullups?
For the RP2350 use 4.7kΩ to 5V


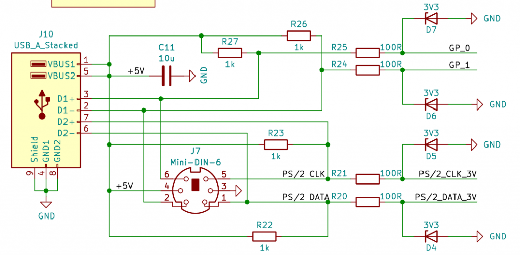
I use this connection scheme with a 1k bus pull-up to 5V power supply. And it works great for the keyboard, but something is wrong with the mouse...
Also, I connect the mouse and keyboard to one socket on the board via a Y-shaped adapter splitter.
Edited 2024-12-04 08:37 by javavi
 
phil99

Guru

Joined: 11/02/2018
Location: Australia
Posts: 3160
Posted: 10:45pm 03 Dec 2024
Copy link to clipboard 
Print this post

Are you using a PS/2 splitter adapter, or plugging the mouse directly into the socket?
The latter won't work.

The mouse plug uses the same pins as as the keyboard plug so a PS/2 splitter adapter transposes pins 6 & 4 to 5 & 3 for the mouse socket.
 
matherp
Guru

Joined: 11/12/2012
Location: United Kingdom
Posts: 11232
Posted: 10:48pm 03 Dec 2024
Copy link to clipboard 
Print this post

No idea, your circuit is far more complex than mine: 4K7 pullups and nothing else. In my case just to 3V3. Try getting rid of all the excess and connecting without a splitter direct to GP0,GP1 with just the 4K7 pullup and power and GND connected. The code is from the CMM2 and known working
Edited 2024-12-04 08:50 by matherp
 
javavi

Guru

Joined: 01/10/2023
Location: Ukraine
Posts: 548
Posted: 11:13pm 03 Dec 2024
Copy link to clipboard 
Print this post

Why does the mouse cursor appear in the EDITOR only when the PS/2 mouse is connected and disappear when you re-enter the EDITOR?
The impulses from the CLOK and DATA mouse on the Pico2 pins are of normal shape, checked with an oscilloscope.
Any ideas?

P.S. So, on ports GP2, GP3 the mouse worked!!! :))
I will check the scheme further...
P.S.S. I swapped the mouse and keyboard on the adapter and configured their options accordingly, and now it works!  
This means that my circuit is in order and works fine for both devices.
Edited 2024-12-04 10:16 by javavi
 
     Page 7 of 23    
Print this page
The Back Shed's forum code is written, and hosted, in Australia.
© JAQ Software 2026